GM Service Manual Online
For 1990-2009 cars only

Tools Required

    • J 42907 Oil Pressure Tester
    • J 45299 Engine Preluber

    Object Number: 1847938  Size: SH
  1. Remove the engine oil filter.

  2. Object Number: 1847941  Size: SH
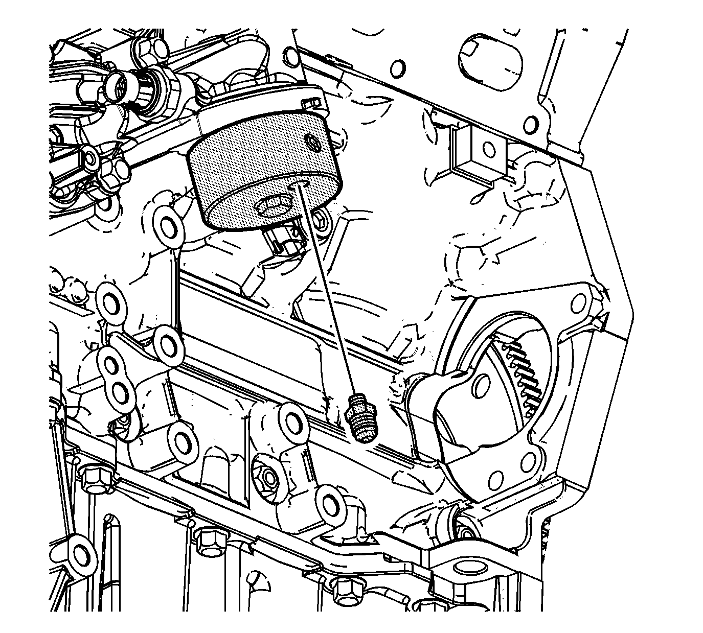
  3. Install the J 42907 onto the oil filter adapter.

  4. Object Number: 1847949  Size: SH
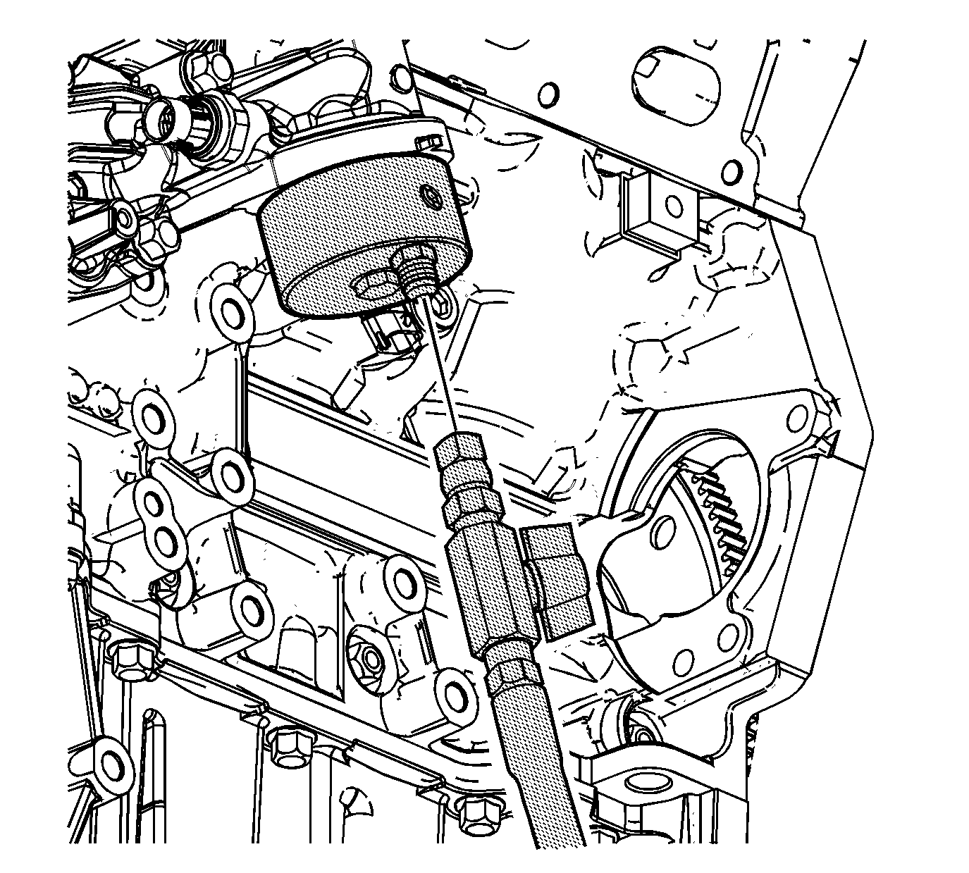
  5. Install the 1/8 NPT fitting from the J 45299 into the port on the J 42907 .

  6. Object Number: 1847951  Size: SH
  7. Install the J 45299 flexible hose to the fitting.

  8. Object Number: 863255  Size: SH
  9. Open the valve of the J 45299 .
  10. Important: A constant and continuous flow of clean engine oil is required in order to properly prime the engine. Use the approved engine oil as specified in the owner’s manual.

  11. Pump the handle of the J 45299 in order to flow a minimum of 1-1.9 liters (1-2 quarts) of fresh clean engine oil. Observe the flow of engine oil through the flexible hose and into the engine assembly.
  12. Close the valve of the J 45299 .

  13. Object Number: 1847951  Size: SH
  14. Remove the J 45299 flexible hose.

  15. Object Number: 1847949  Size: SH
  16. Remove the fitting from the J 42907 .

  17. Object Number: 1847941  Size: SH
  18. Remove the J 42907 from the oil filter adapter.
  19. Ensure the NEW oil filter is filled with clean fresh engine oil.
  20. Notice: Refer to Fastener Notice in the Preface section.


    Object Number: 1847938  Size: SH
  21. Install the NEW oil filter.
  22. Tighten
    Tighten the oil filter to 32 N·m (24 lb ft).