GM Service Manual Online
For 1990-2009 cars only
Makes
🢒
Buick
🢒
2007
🢒
Allure
🢒 Electronic Throttle Controls
Electronic Throttle Controls
Electronic Throttle Controls
Master Electrical Component List
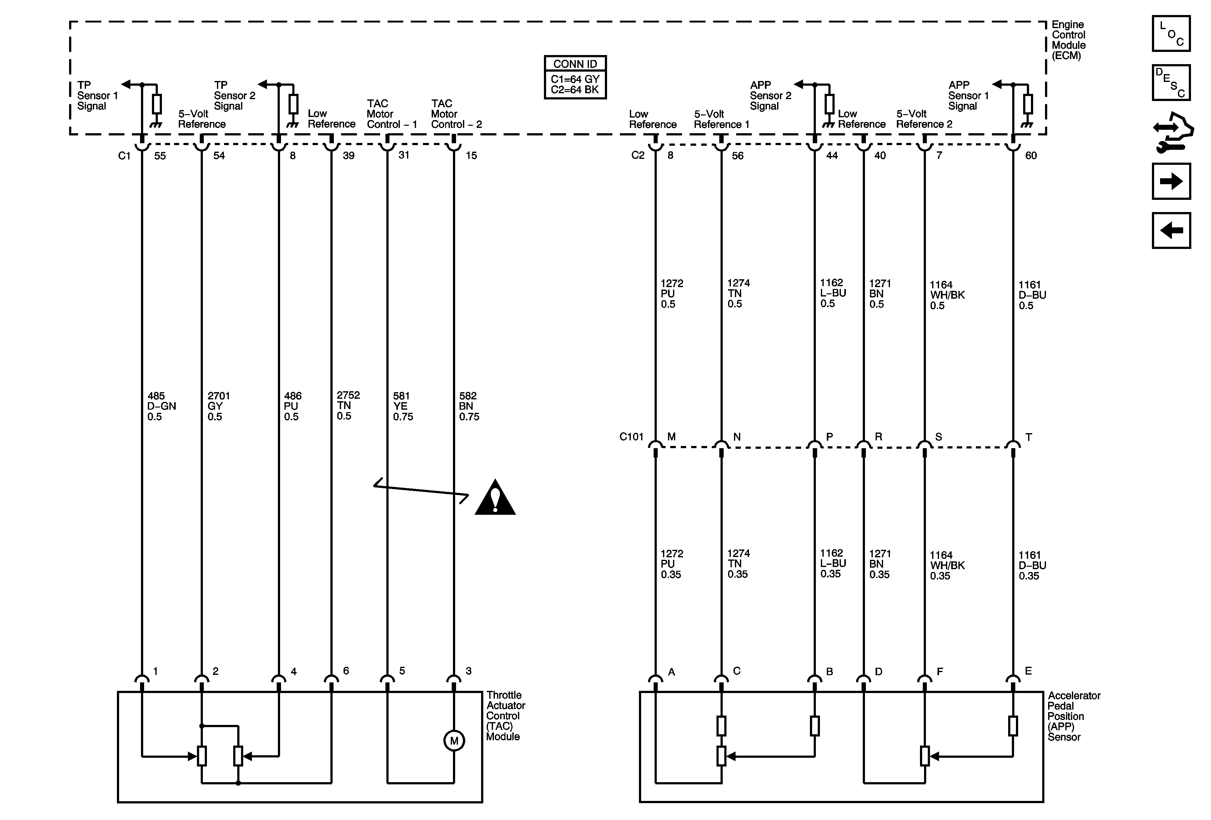
Throttle Actuator Control (TAC) System Description
Control Module References
Ignition Controls - Bank 1 (Odd) Ignition Coils
Oxygen Sensors
Engine Controls Schematic Icons