GM Service Manual Online
For 1990-2009 cars only
Makes
🢒
Buick
🢒
2007
🢒
Allure
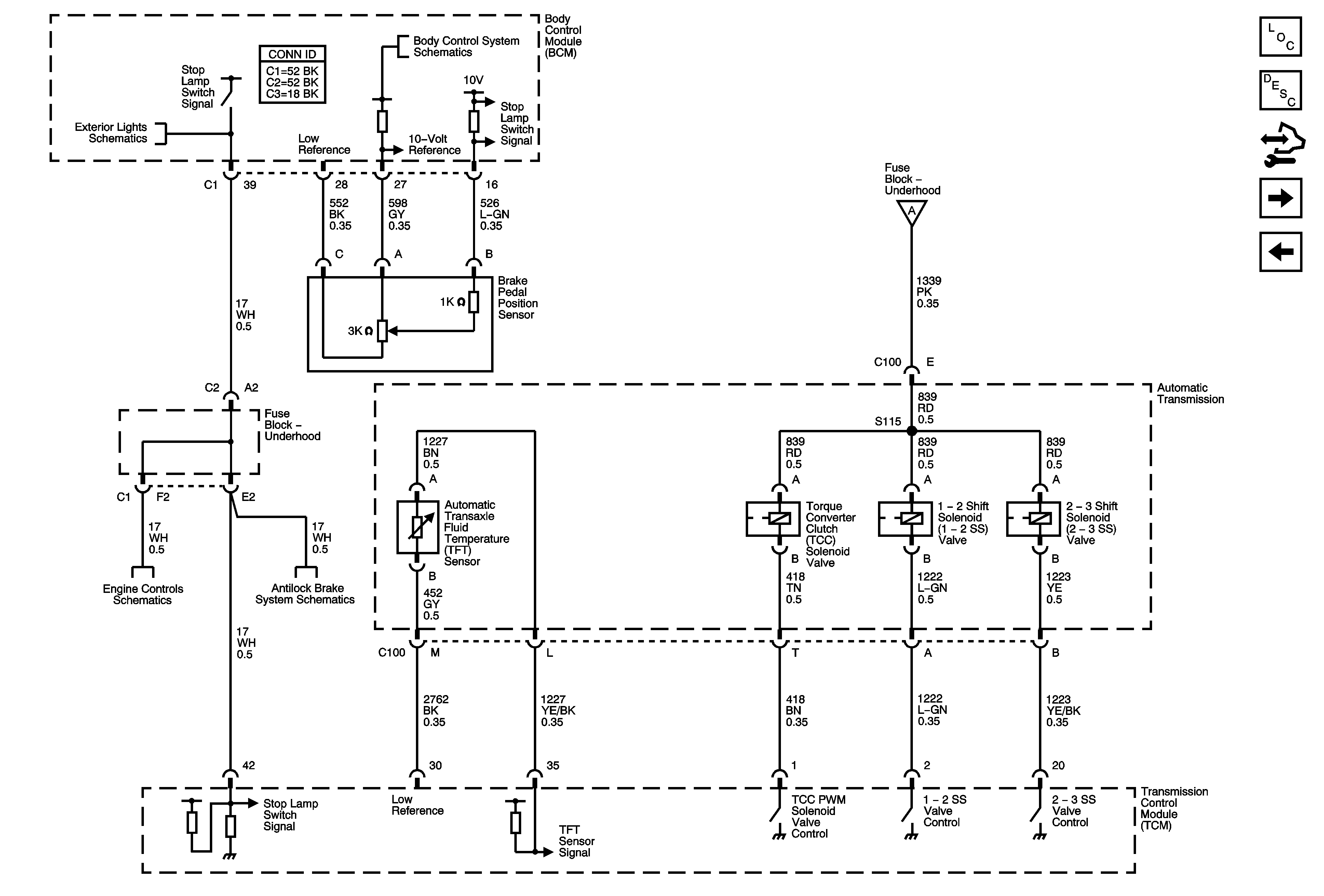
🢒 Shift and TCC Solenoid Valves, TFT Sensor, and Stop Lamp Switch (LY7)
Shift and TCC Solenoid Valves, TFT Sensor, and Stop Lamp Switch (LY7)
Shift and TCC Solenoid Valves, TFT Sensor, and Stop Lamp Switch (LY7)
Master Electrical Component List
Transmission Component and System Description
Control Module References
PC Solenoid Valve, Fluid Pressure Manual Valve Position Switch, ISS and VSS Sensors (LY7)
TCM Power, Ground, and Serial Data (LY7)
Turn Signal, Hazard and Stop Lamps Outputs
Exterior Lights and Interior Lights References
TCM Power, Ground, and Serial Data (LY7)
MAF, VSS, and Stop Lamp Switch
Data Active Brake and Stability