GM Service Manual Online
For 1990-2009 cars only
Makes
🢒
Buick
🢒
2007
🢒
Allure
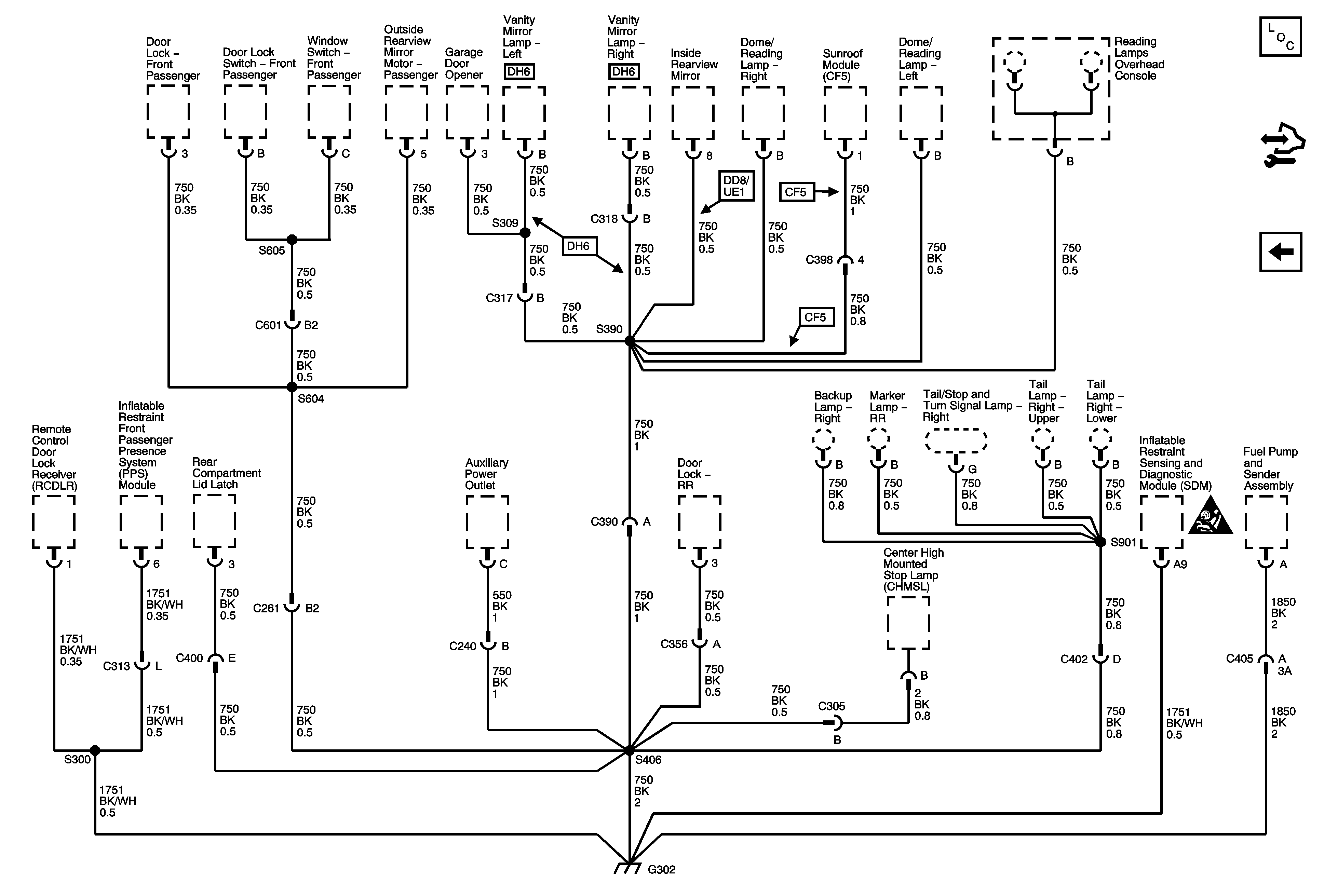
🢒 G302
G302
G302
Master Electrical Component List
Control Module References
G301
Power and Grounding Schematic Icons