GM Service Manual Online
For 1990-2009 cars only
Figure 1:

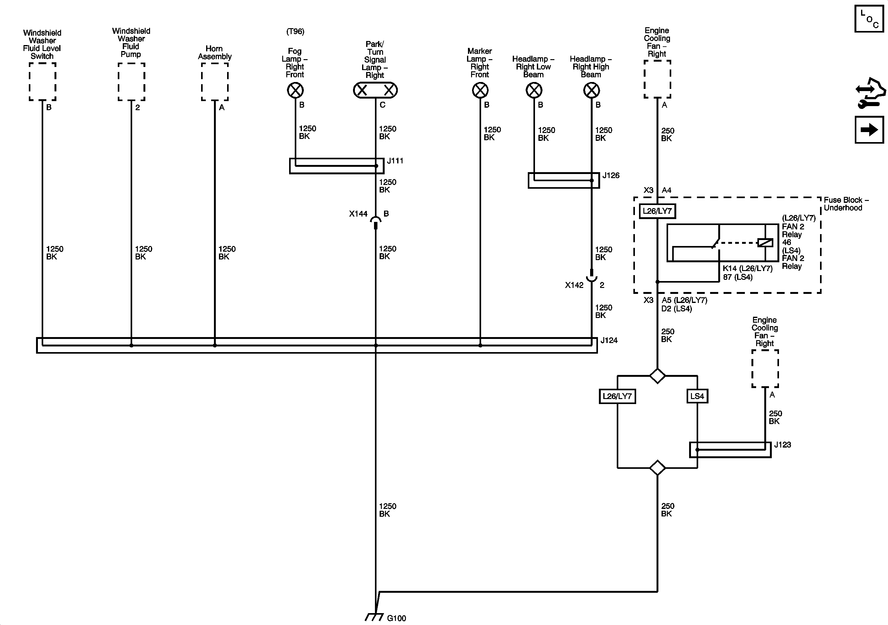
G100


Object Number: 1889066  Size: FS
Master Electrical Component List
Control Module References
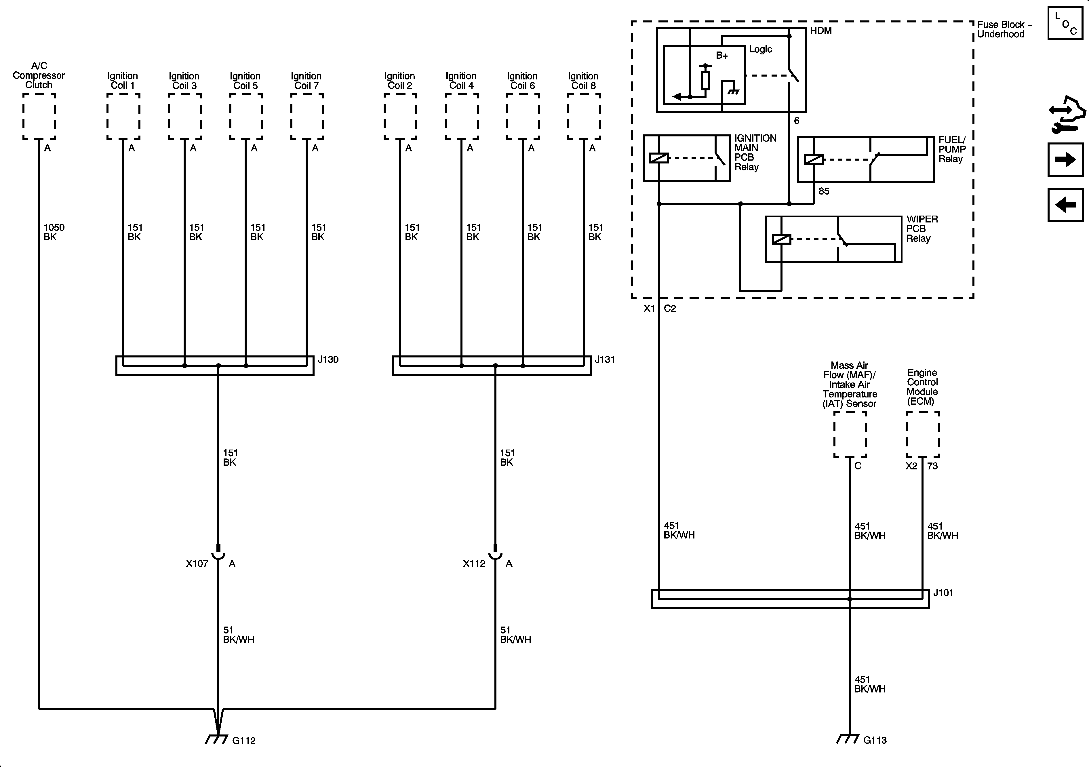
G101, G102, G103 (LY7), G111, G112 (L26), and G113 (L26)
Figure 2:

G101, G102, G103(LY7), G111, G112 (L26), and G113 (L26)


Object Number: 1889069  Size: FS
Master Electrical Component List
Control Module References
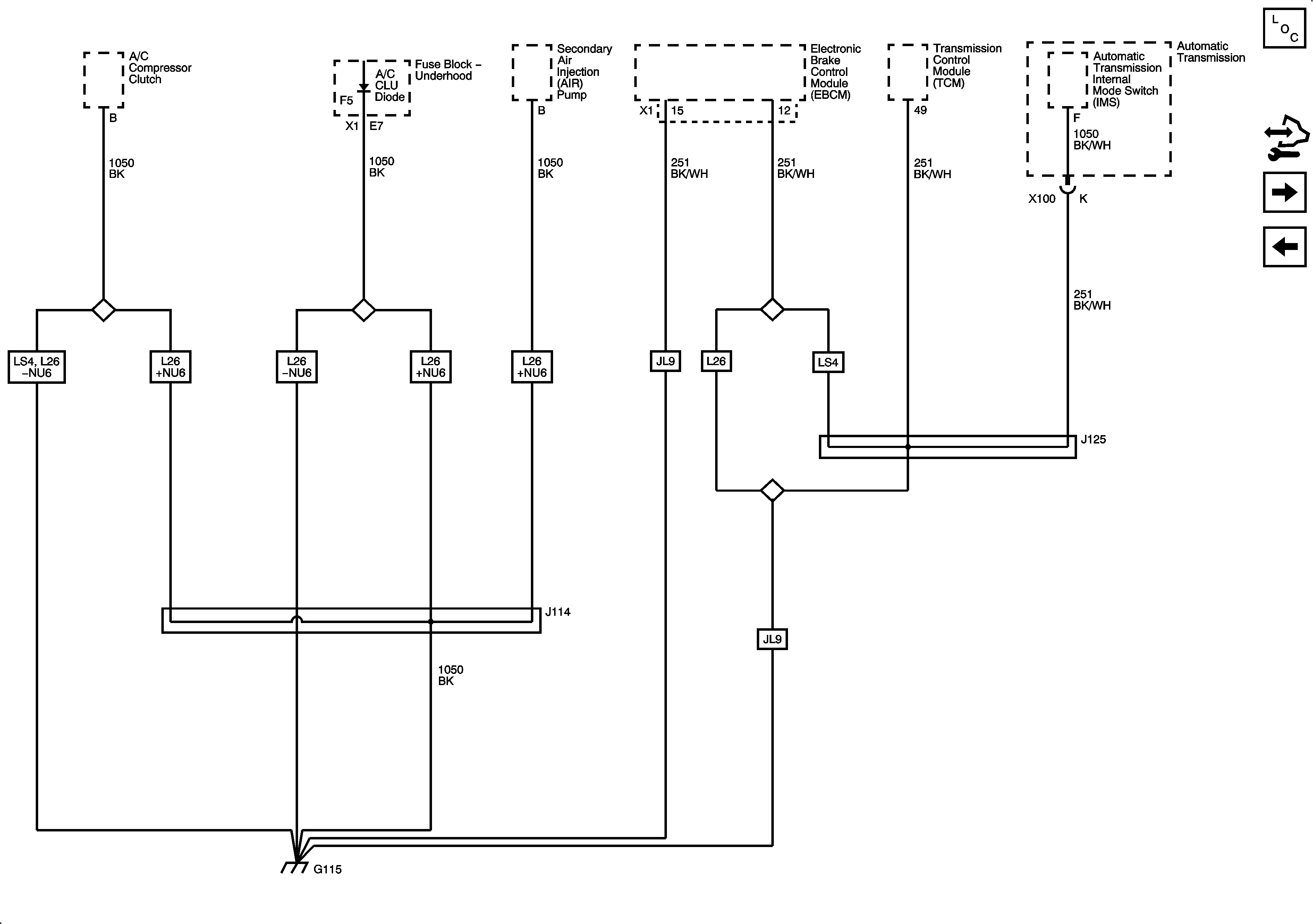
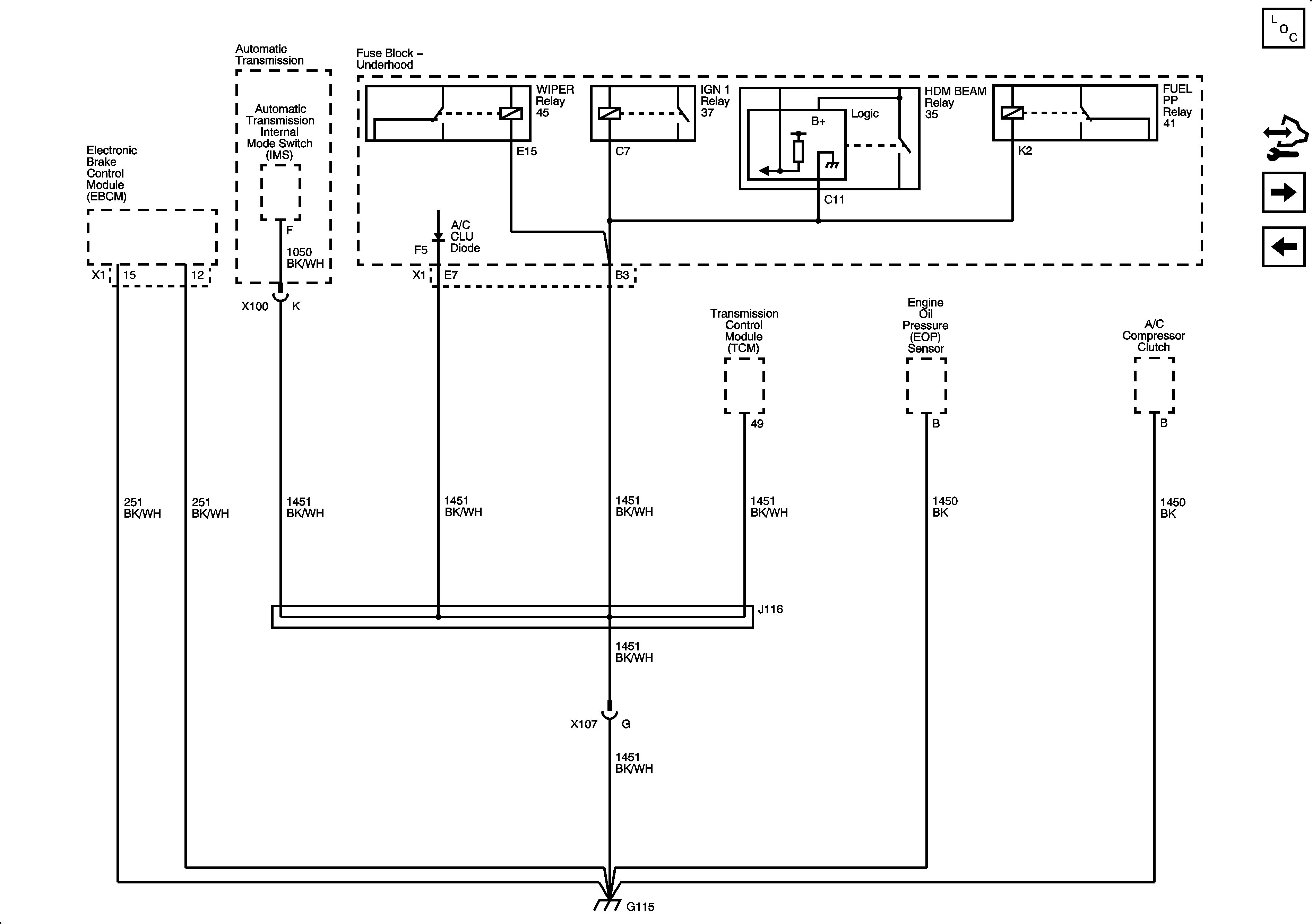
G115 - L26 or LS4
07 Ground Distribution G100
Figure 3:

G112 and G113 (LS4)


Object Number: 2039595  Size: FS
Master Electrical Component List
Control Module References
G115 - L26 or LS4
G101, G102, G103 (LY7), G111, G112 (L26), and G113 (L26)
Figure 4:

G115 - L26


Object Number: 1889071  Size: FS
Master Electrical Component List
Control Module References
G115 - LY7
G101, G102, G103 (LY7), G111, G112 (L26), and G113 (L26)
Figure 5:

G115 - LY7


Object Number: 1889074  Size: FS
Master Electrical Component List
Control Module References
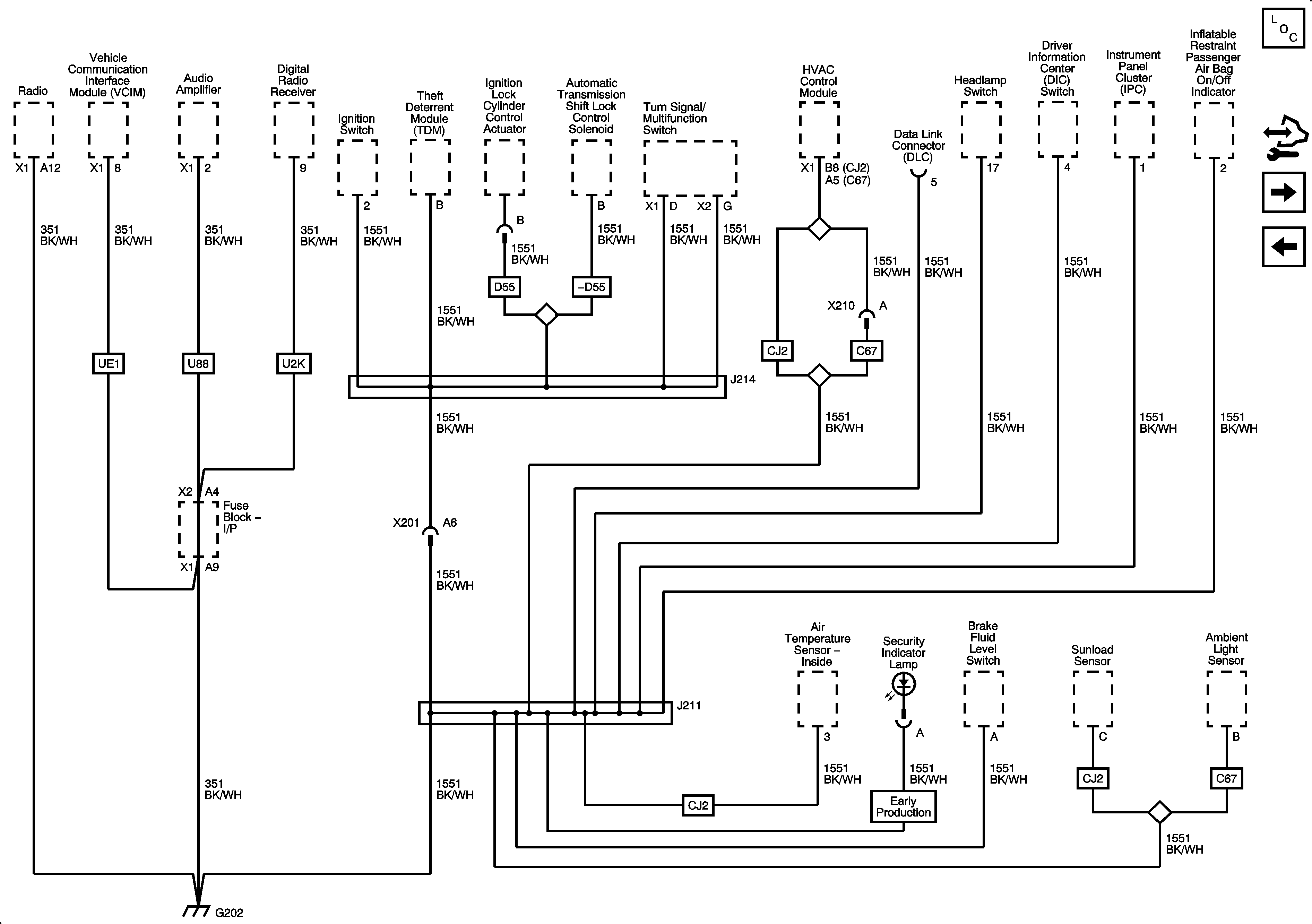
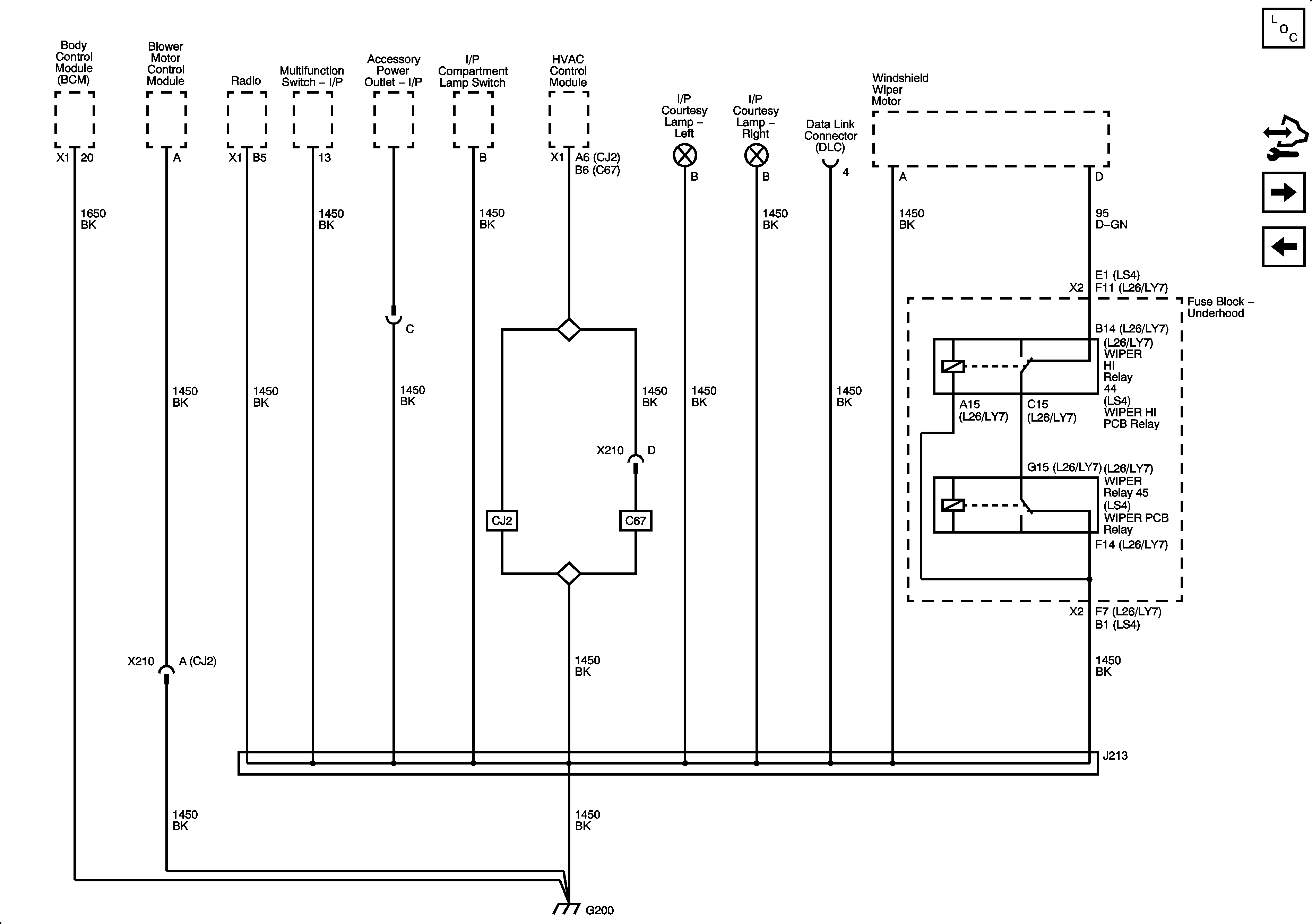
G200
G115 - L26 or LS4
Figure 6:

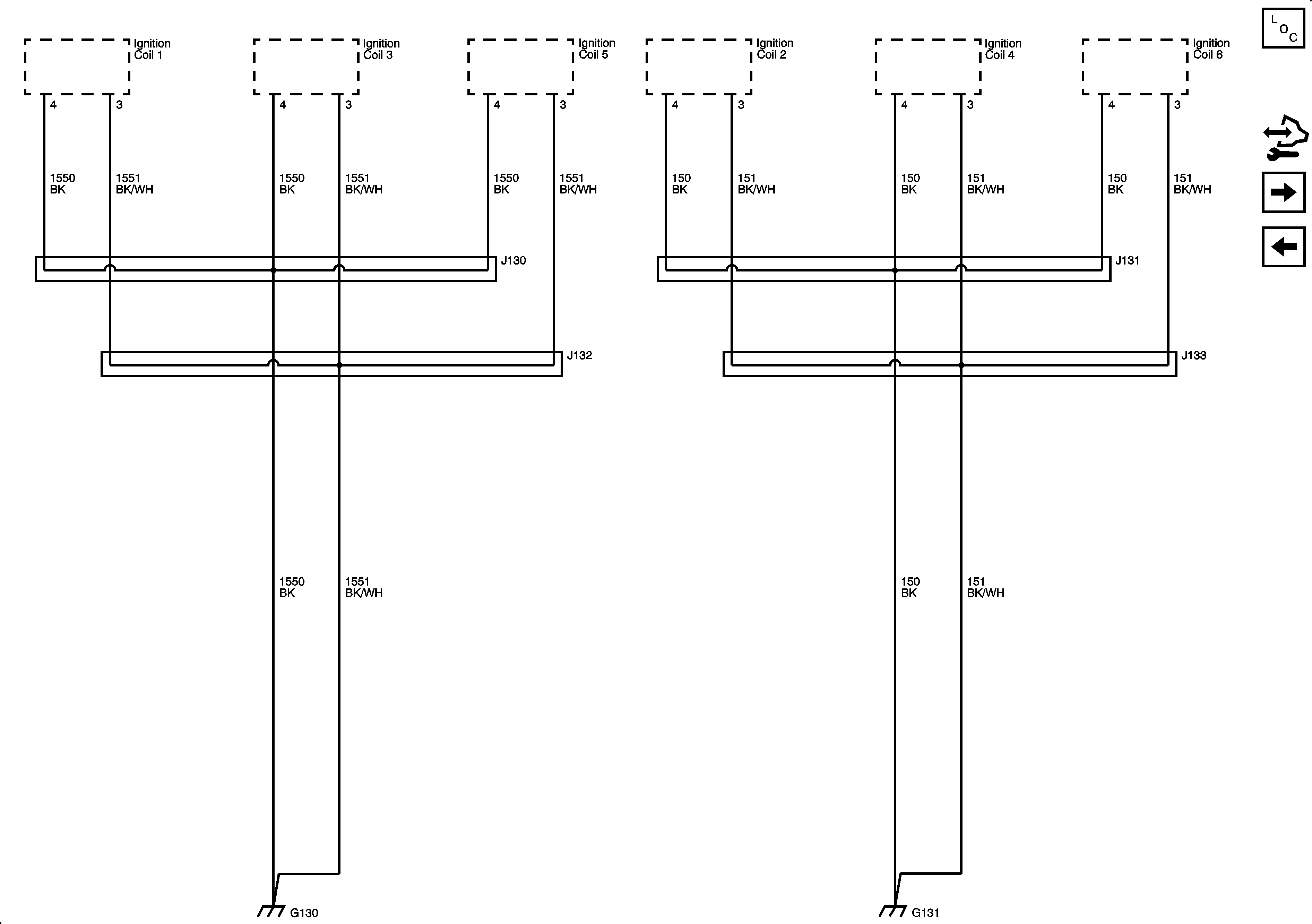
G130, G131 - LY7


Object Number: 1889092  Size: FS
Master Electrical Component List
Control Module References
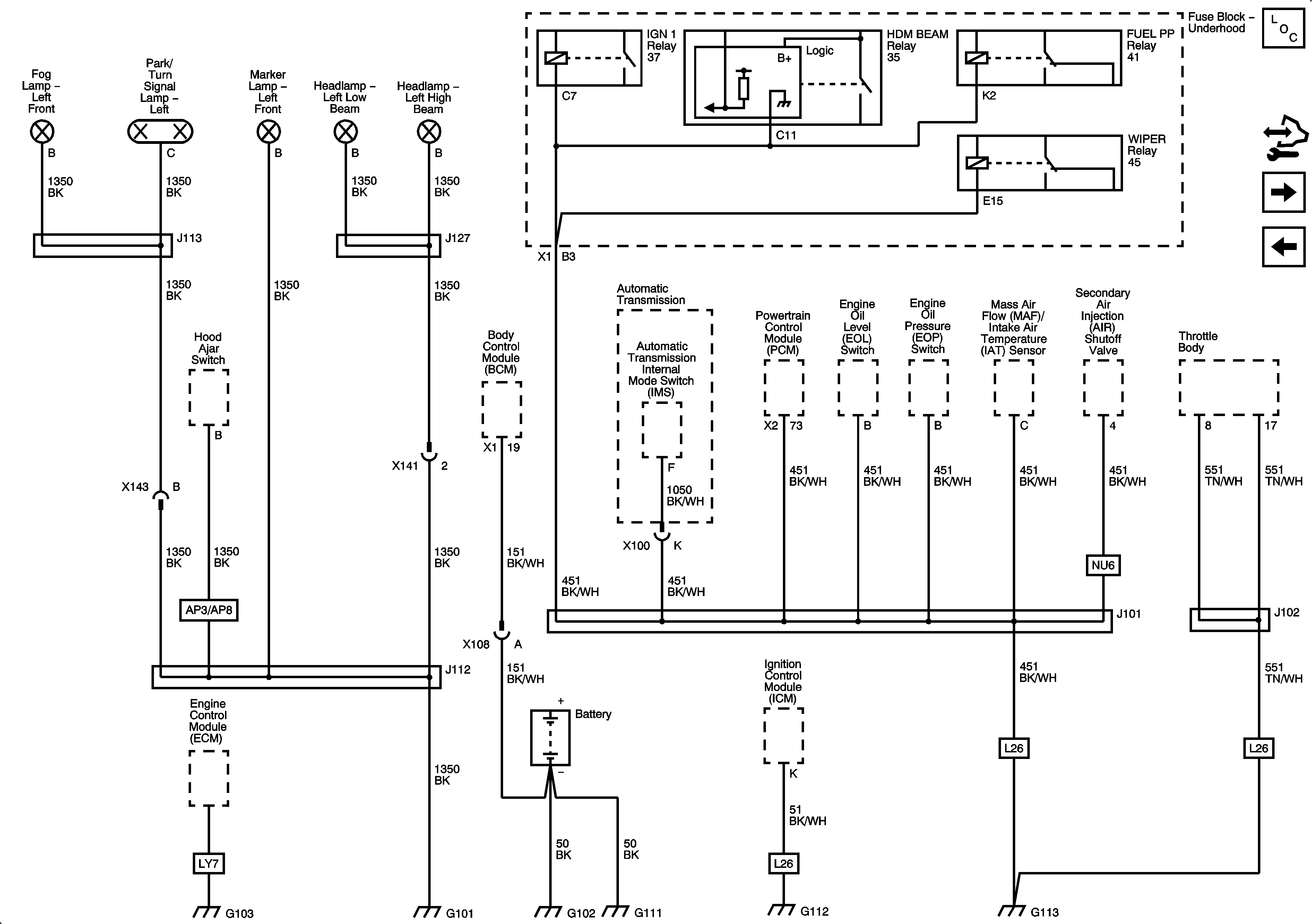
G302
Figure 7:

G200


Object Number: 1889079  Size: FS
Master Electrical Component List
Control Module References
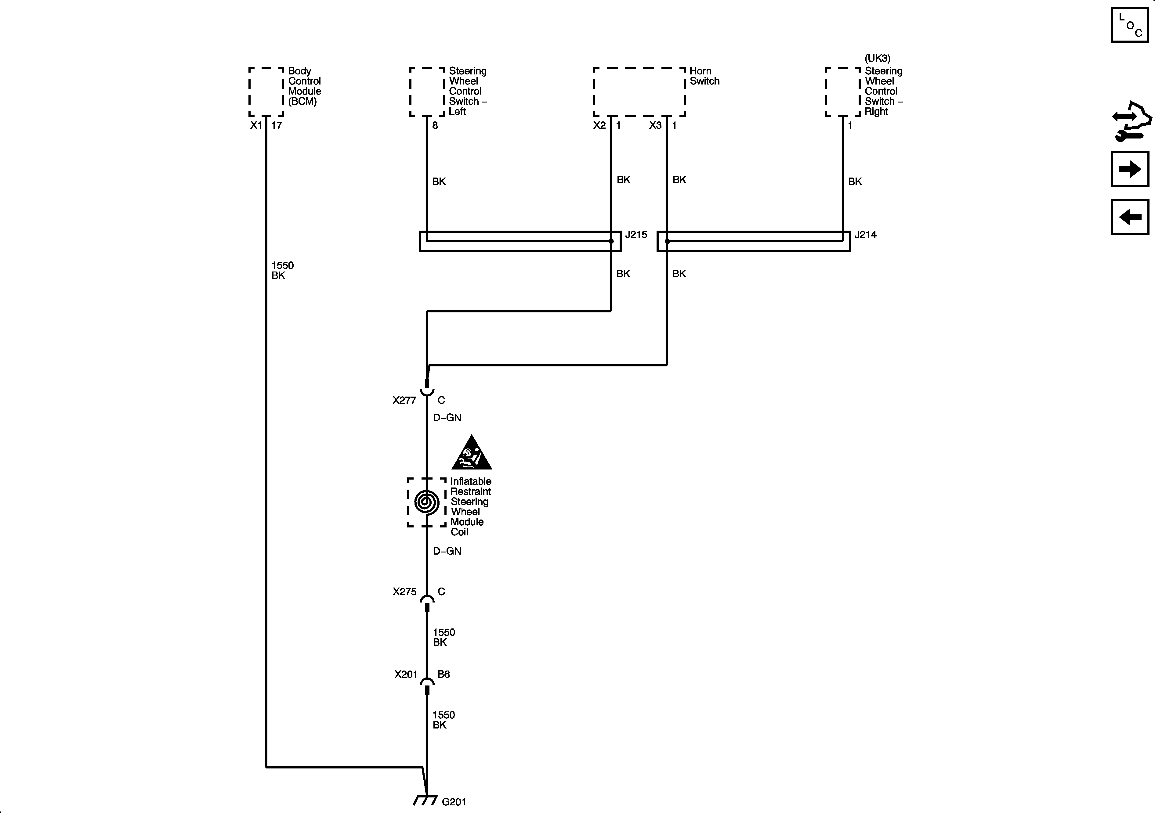
G201
G115 - LY7
Figure 8:

G201


Object Number: 1889081  Size: FS
Master Electrical Component List
Control Module References
G202
G200
Figure 9:

G202


Object Number: 1889082  Size: FS
Master Electrical Component List
Control Module References
G301
G201
Figure 10:

G301


Object Number: 1889085  Size: FS
Master Electrical Component List
Control Module References
G302
G202
Figure 11:

G302


Object Number: 1889089  Size: FS
Master Electrical Component List
Control Module References
G130, G131, LY7
G301