GM Service Manual Online
For 1990-2009 cars only

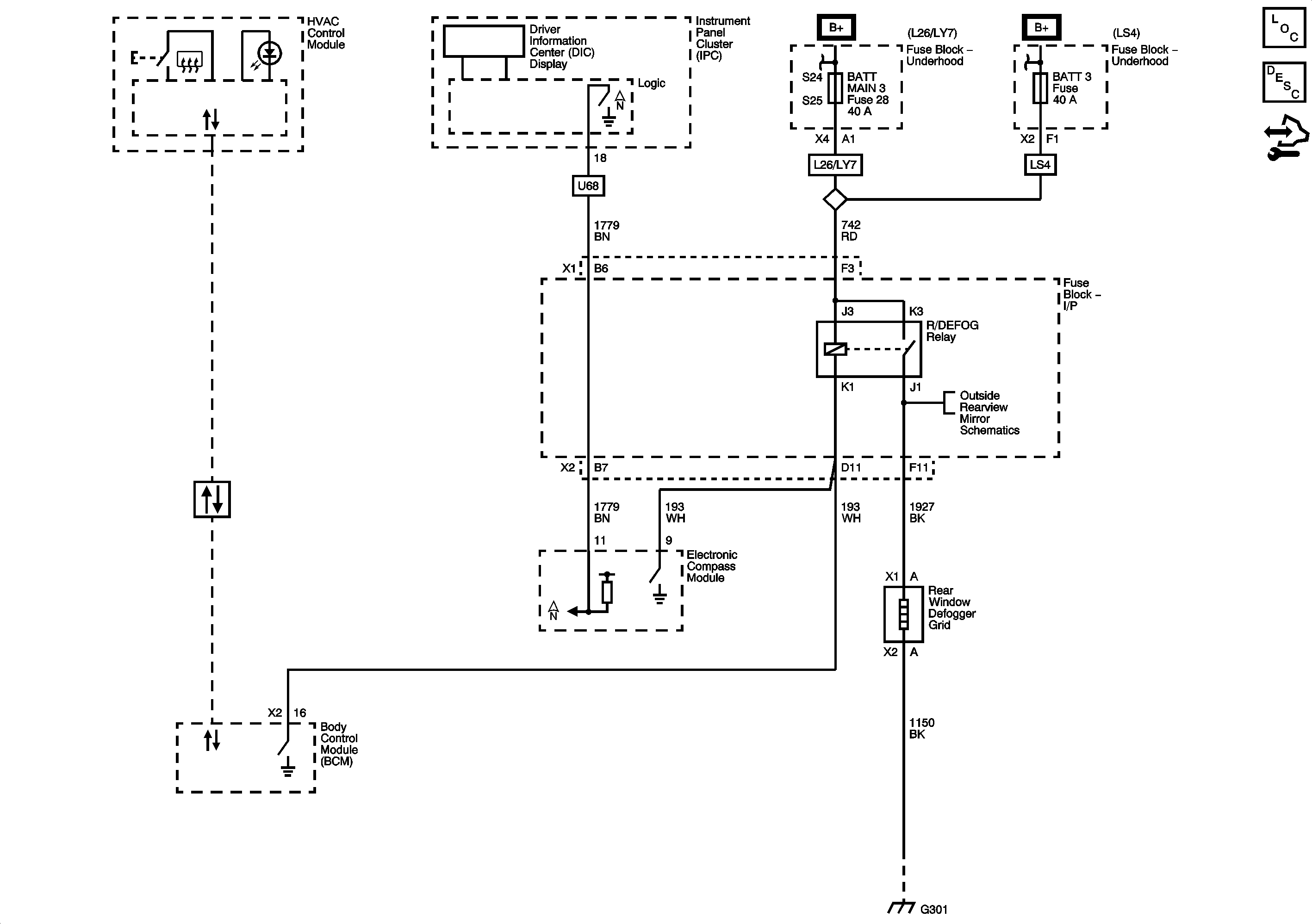
Object Number: 1888768  Size: FS
Master Electrical Component List
Rear Window Defogger Description and Operation
Control Module References