GM Service Manual Online
For 1990-2009 cars only

Object Number: 1888868  Size: FS
Master Electrical Component List
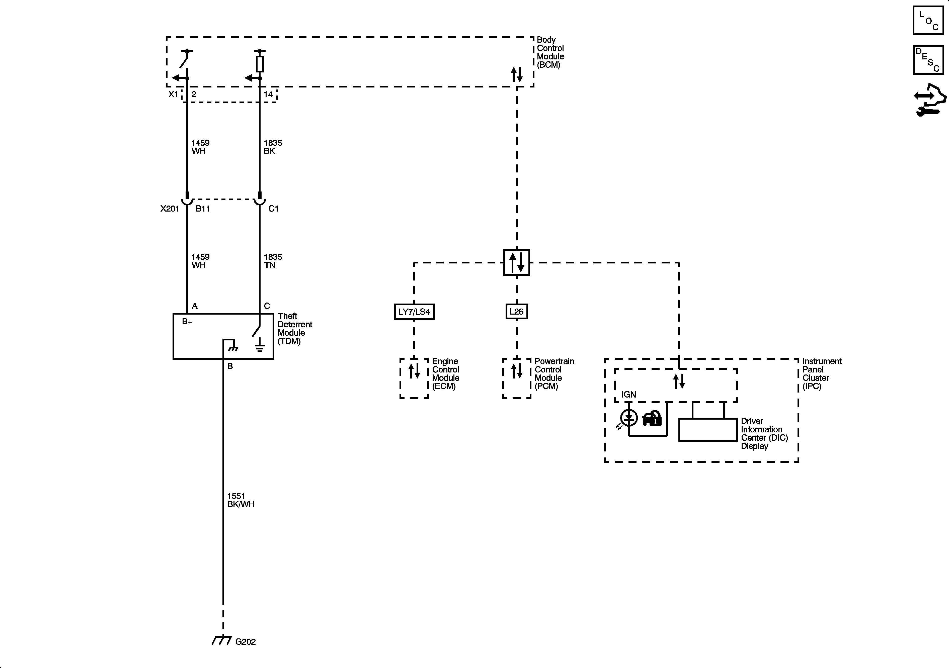
Immobilizer Description and Operation
Control Module References