GM Service Manual Online
For 1990-2009 cars only
Makes
🢒
Buick
🢒
2008
🢒
Allure
🢒
Diagnostic Navigation
🢒
Vehicle Diagnostic Information
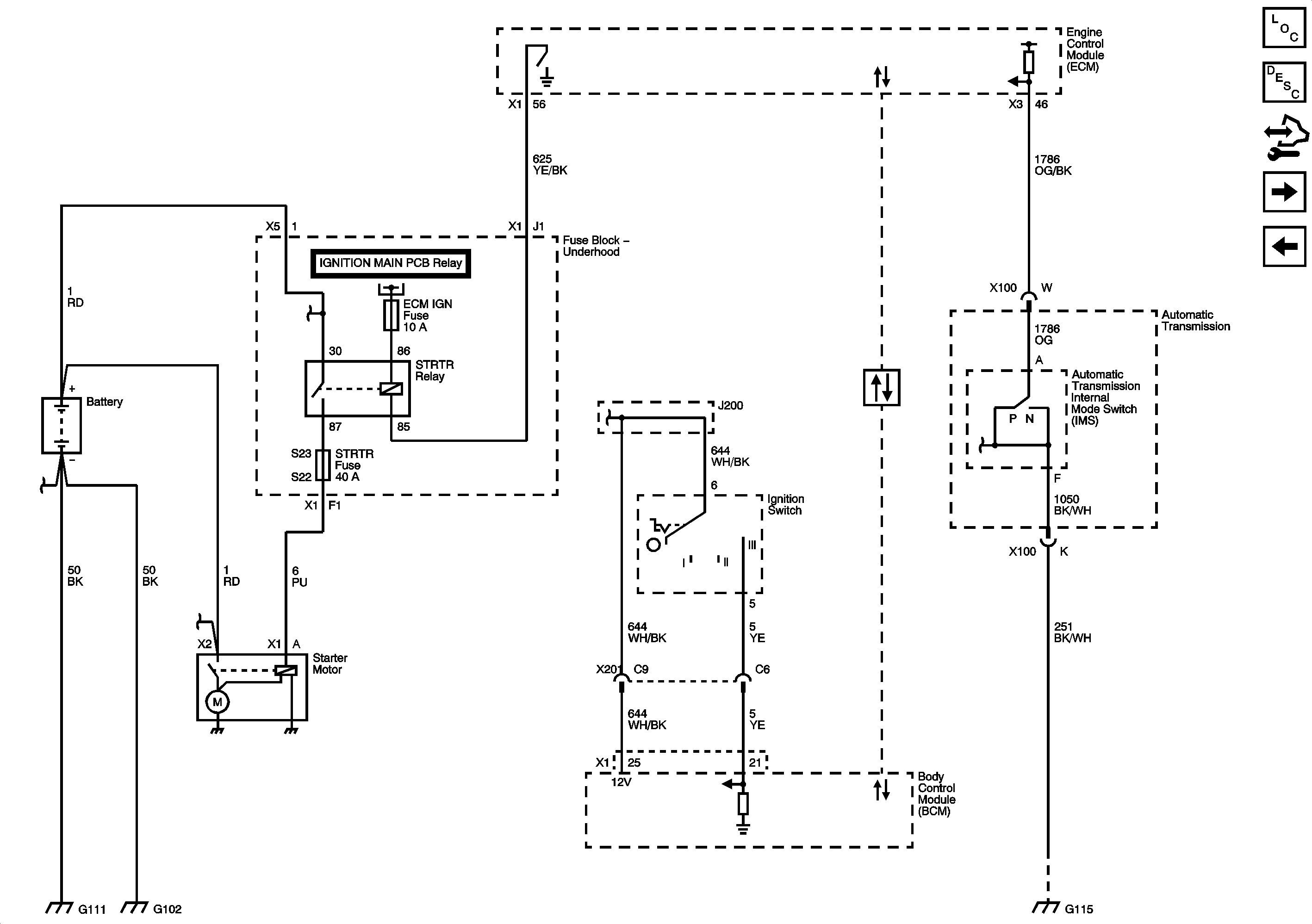
🢒 Starting and Charging Schematics
Figure
1:
Starting - L26 or LY7
Master Electrical Component List
Starting System Description and Operation
Control Module References
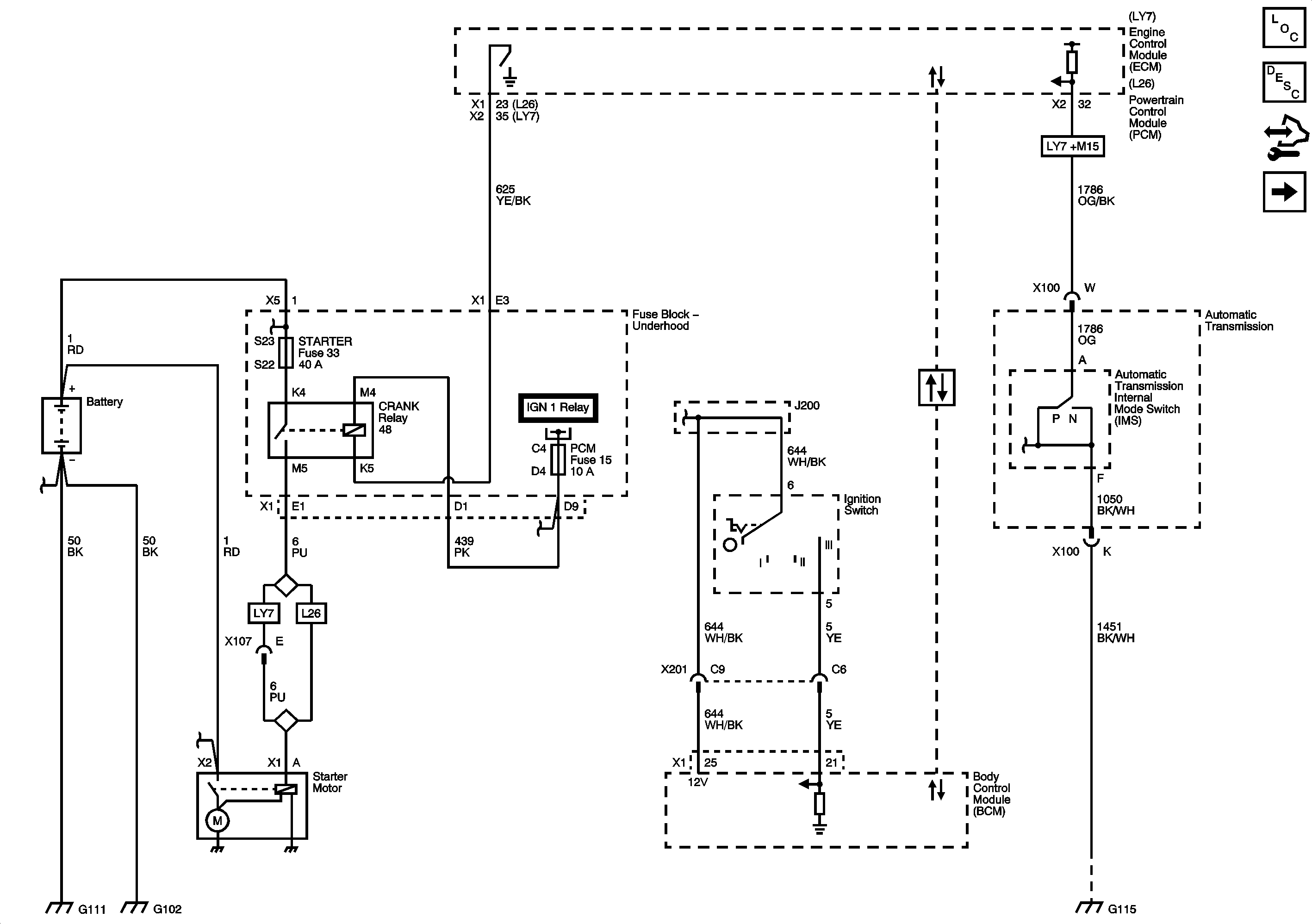
Starting LS4
Figure
2:
Starting - LS4
Master Electrical Component List
Starting System Description and Operation
Control Module References
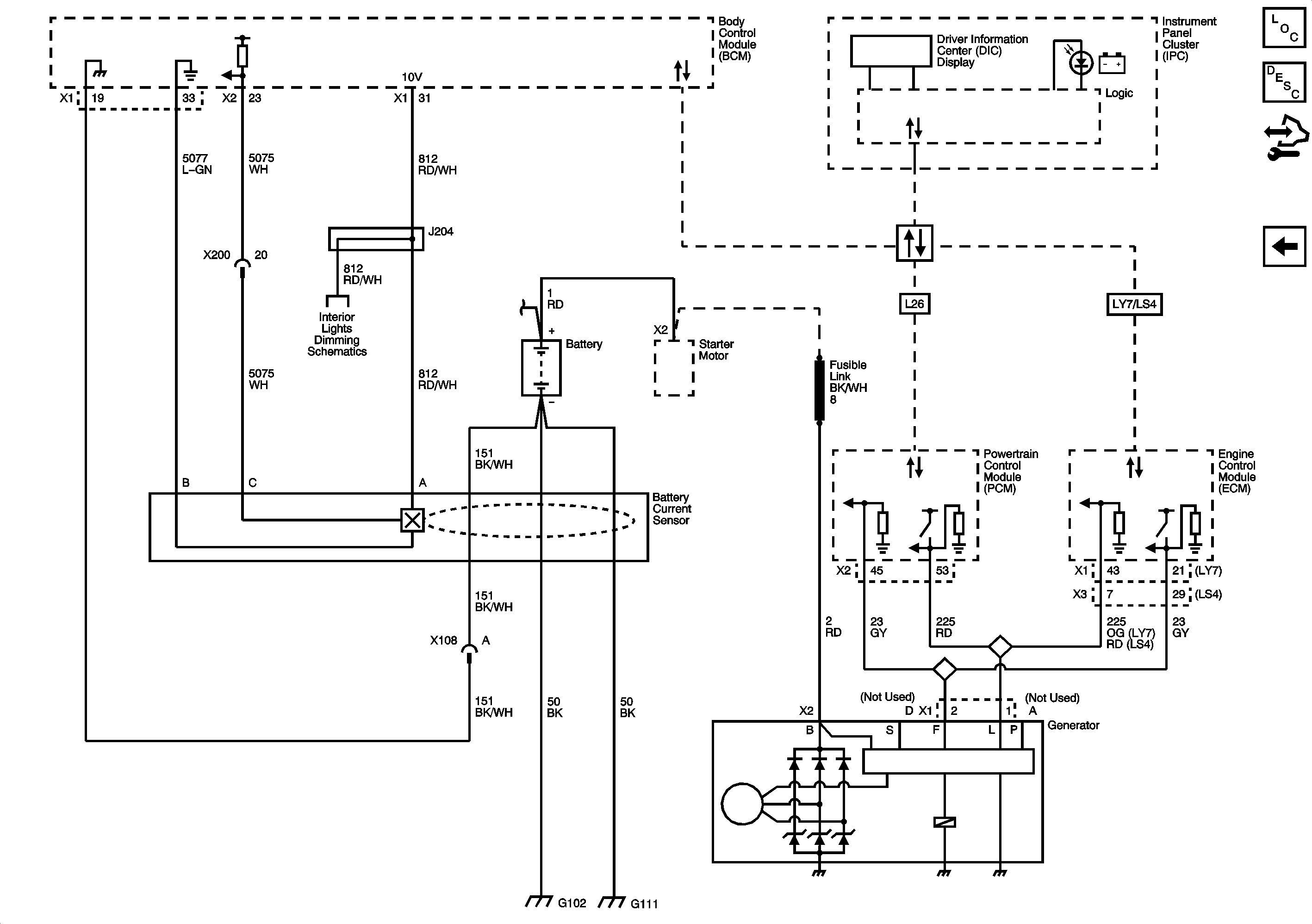
Charging
Starting L26 or LY7
Figure
3:
Charging
Master Electrical Component List
Charging System Description and Operation
Control Module References
Starting - LY7