GM Service Manual Online
For 1990-2009 cars only
Figure 1:

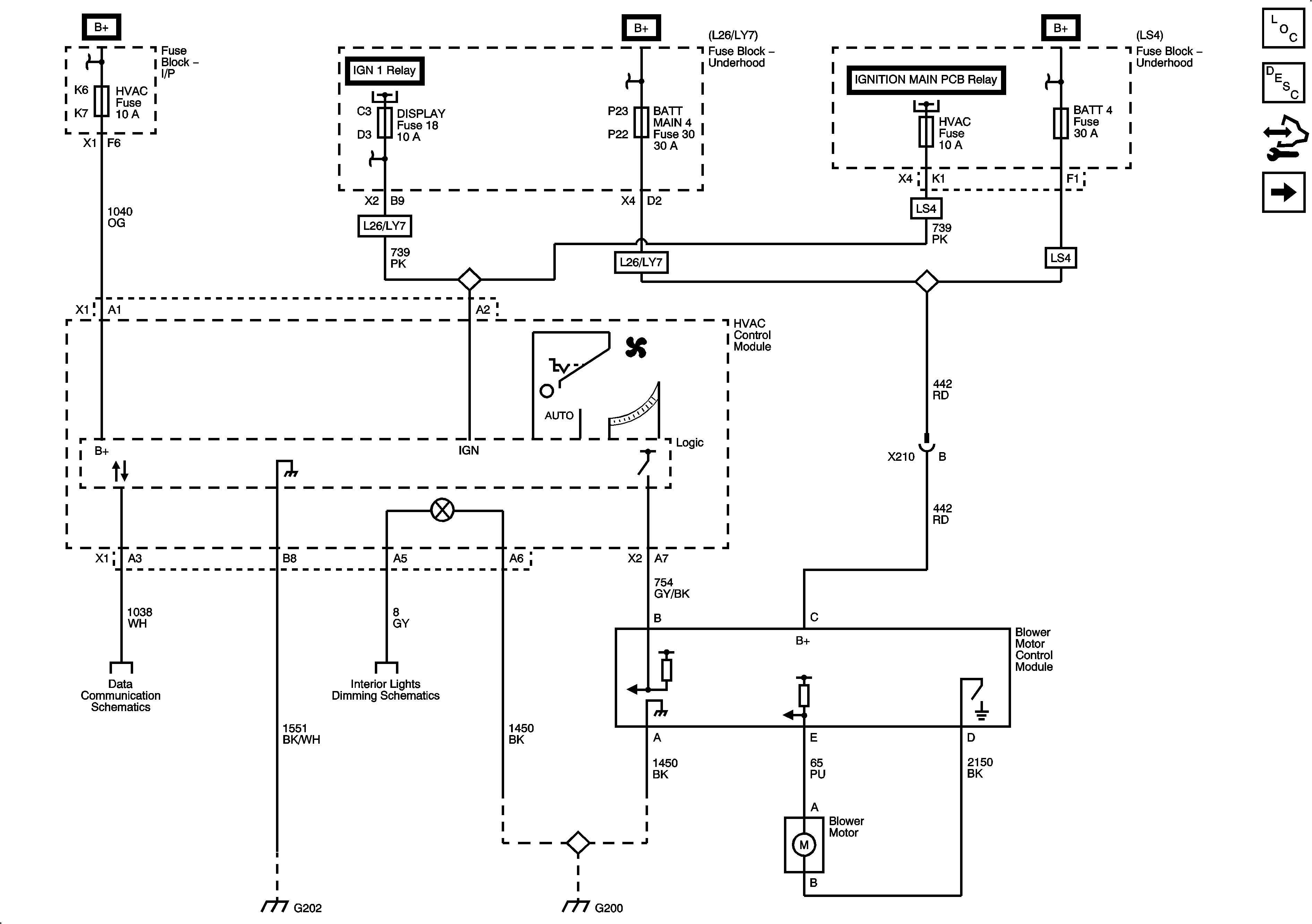
Power, Ground and Blower Controls


Object Number: 1889402  Size: FS
Master Electrical Component List
Air Delivery Description and Operation
Control Module References
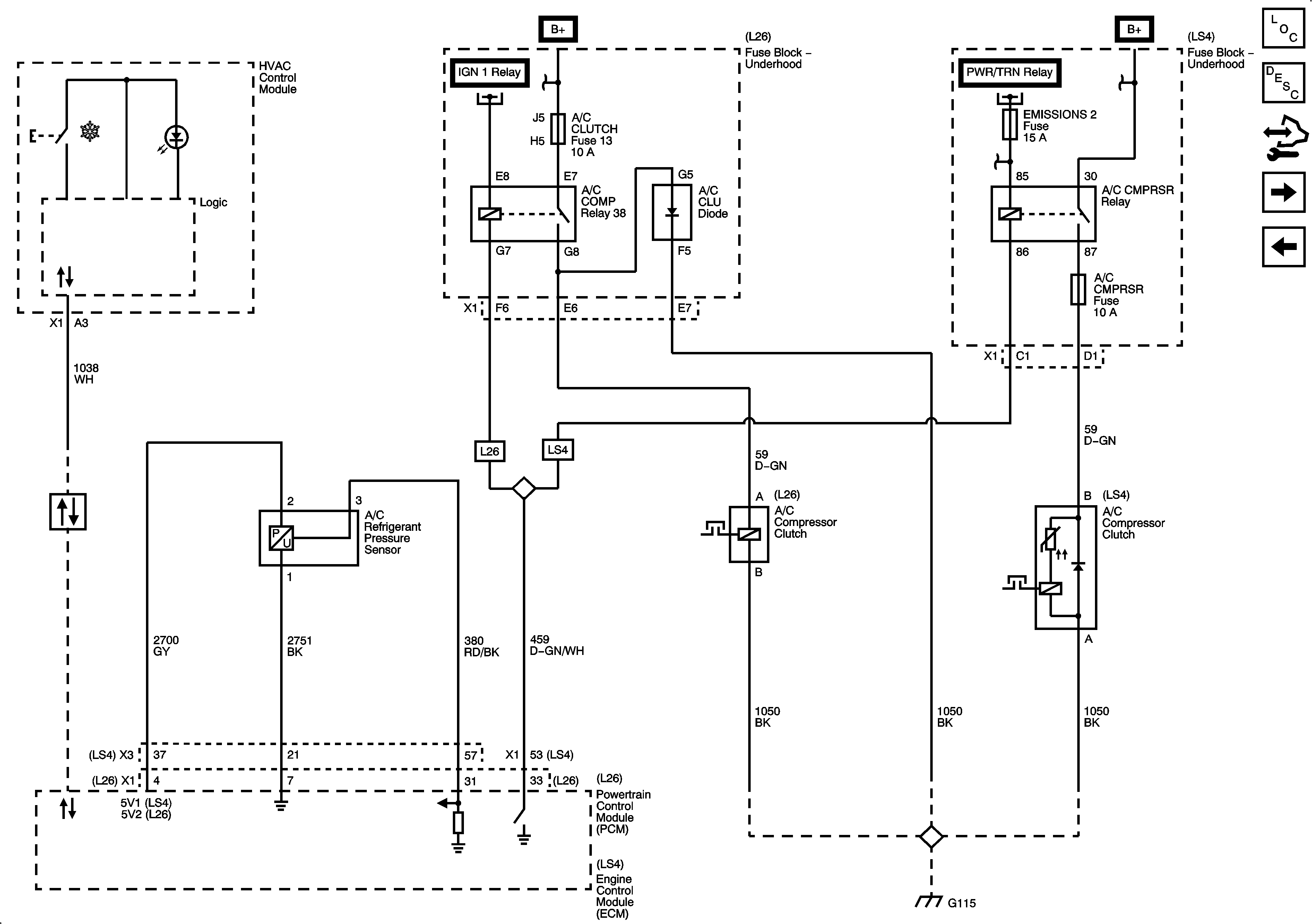
Compressor Controls and Serial Data - L26 or LS4
Figure 2:

Compressor Controls and Serial Data (L26/LS4)


Object Number: 1889403  Size: FS
Master Electrical Component List
Air Delivery Description and Operation
Control Module References
Compressor Controls and Serial Data - LY7
Power, Ground and Blower Controls
Figure 3:

Compressor Controls and Serial Data - LY7


Object Number: 1889404  Size: FS
Master Electrical Component List
Air Delivery Description and Operation
Control Module References
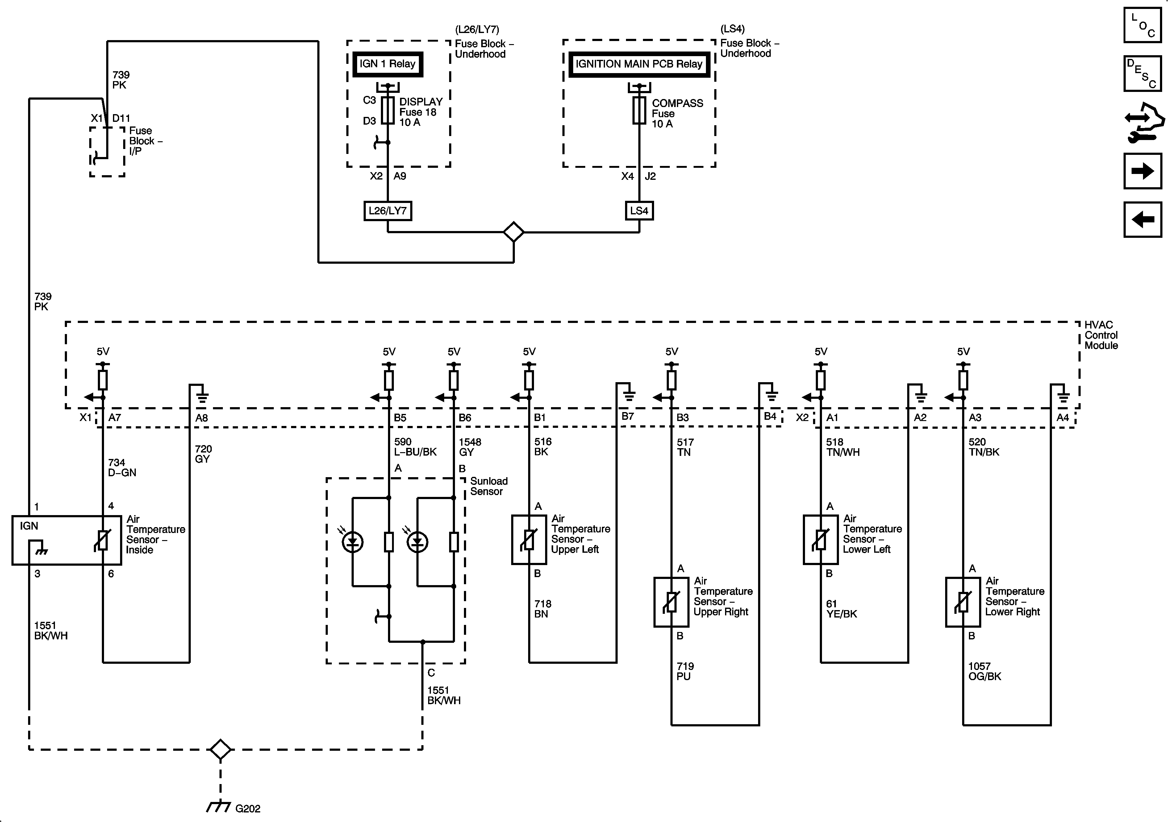
AIR Temperature and Sunload Sensors
Compressor Controls and Serial Data - L26 or LS4
Figure 4:

AIR Temperature and Sunload Sensors


Object Number: 1889405  Size: FS
Master Electrical Component List
Air Temperature Description and Operation
Control Module References
Air Delivery/Temperature Controls
Compressor Controls and Serial Data - LY7
Figure 5:

Air Delivery/Temperature Controls


Object Number: 1889406  Size: FS
Master Electrical Component List
Air Temperature Description and Operation
Control Module References
AIR Temperature and Sunload Sensors