GM Service Manual Online
For 1990-2009 cars only
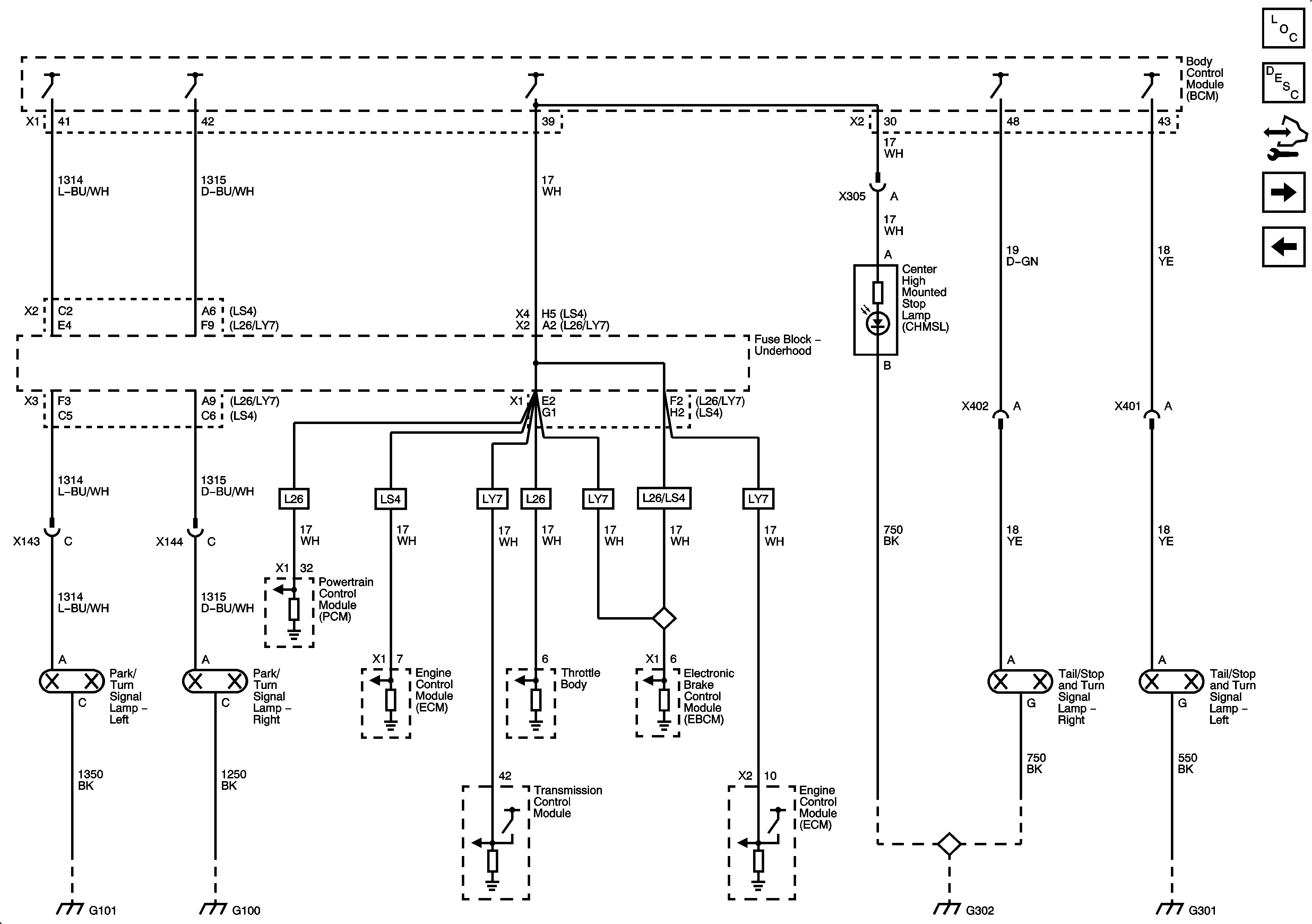
Figure 1:

Turn Signal, Hazard, and Stop Lamps Inputs


Object Number: 1888964  Size: FS
Master Electrical Component List
Exterior Lighting Systems Description and Operation
Control Module References
Turn Signal, Hazard and Stop Lamps Outputs
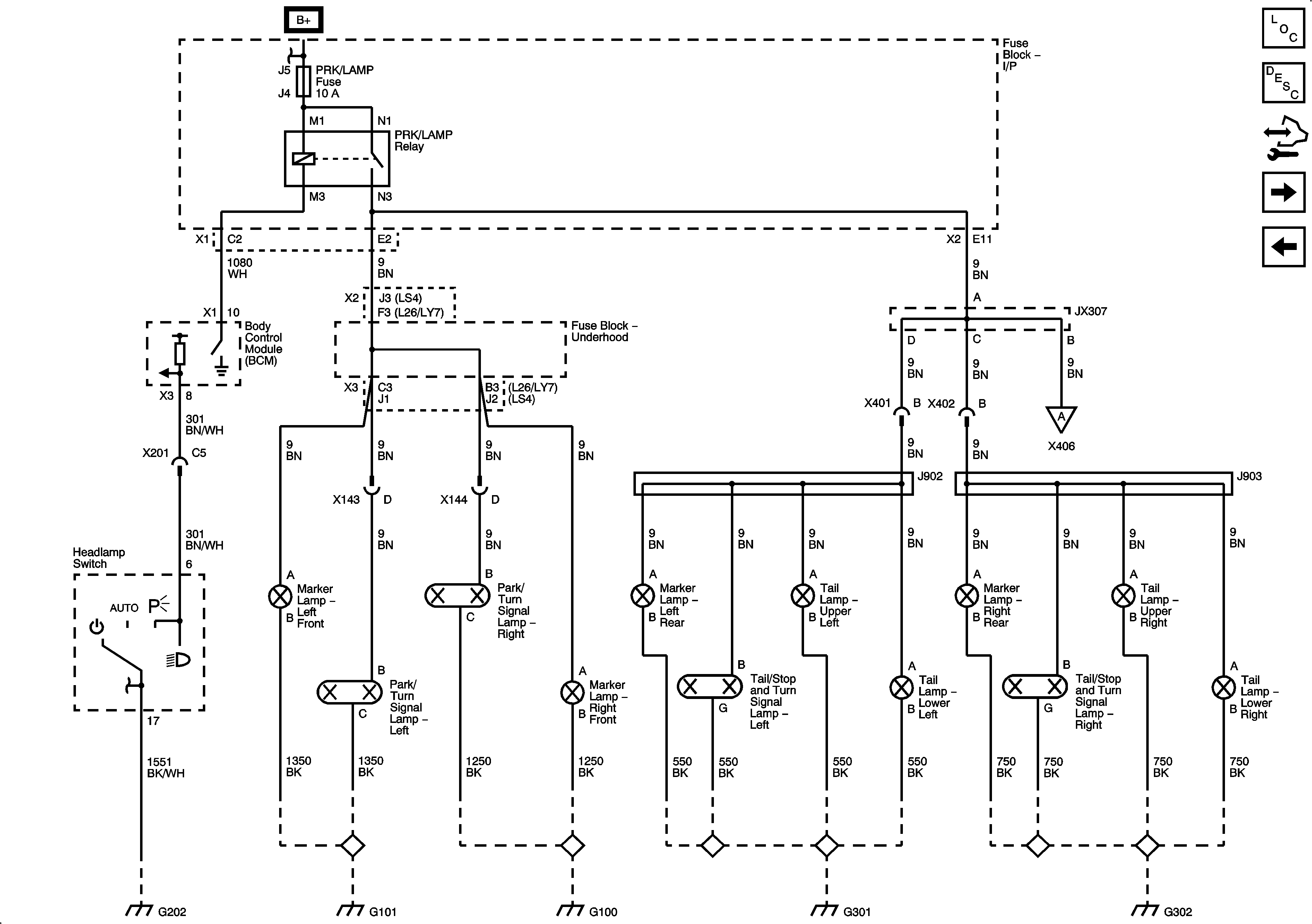
Figure 2:

Turn Signal, Hazard, and Stop Lamps Outputs


Object Number: 1888965  Size: FS
Master Electrical Component List
Exterior Lighting Systems Description and Operation
Control Module References
Lights Park Lamps
Turn Signal, Hazard and Stop Lamps Inputs
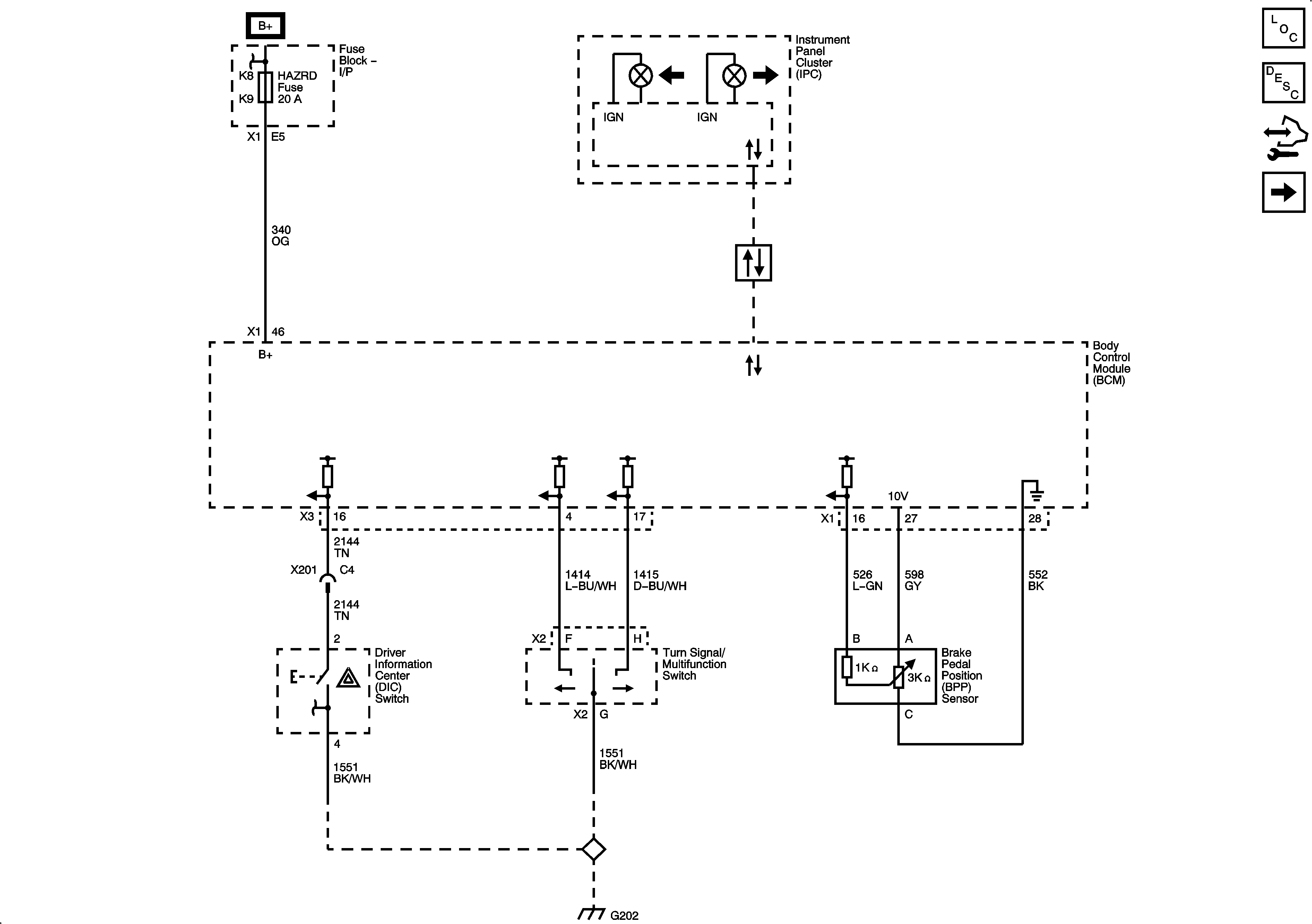
Figure 3:

Park Lamps


Object Number: 1888967  Size: FS
Master Electrical Component List
Exterior Lighting Systems Description and Operation
Control Module References
Backup and License Lamps
Turn Signal, Hazard and Stop Lamps Outputs
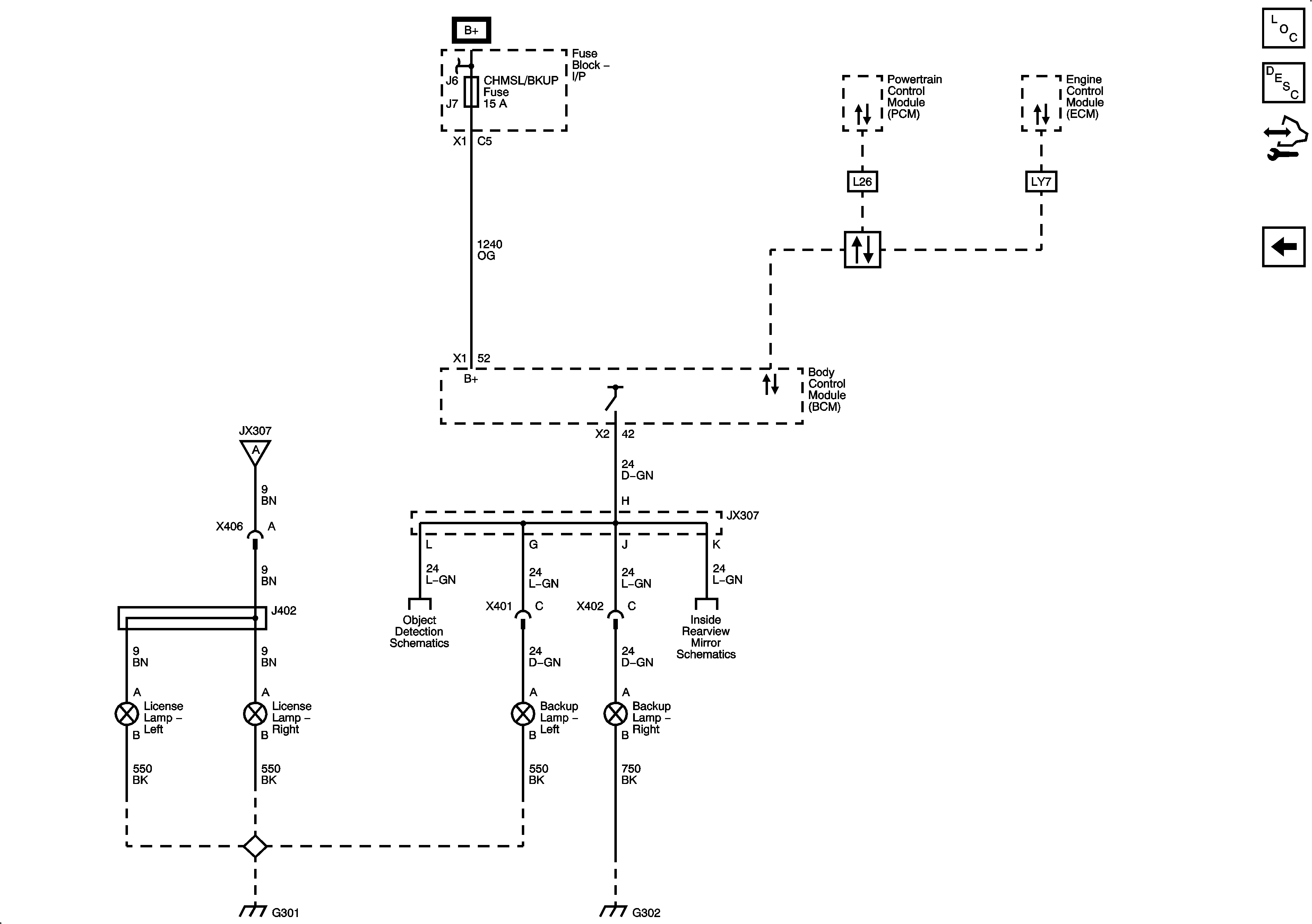
Figure 4:

Backup and License Lamps


Object Number: 1888968  Size: FS
Master Electrical Component List
Exterior Lighting Systems Description and Operation
Control Module References
Lights Park Lamps