GM Service Manual Online
For 1990-2009 cars only
Makes
🢒
Buick
🢒
2008
🢒
Allure
🢒
Body Systems
🢒
Mirrors
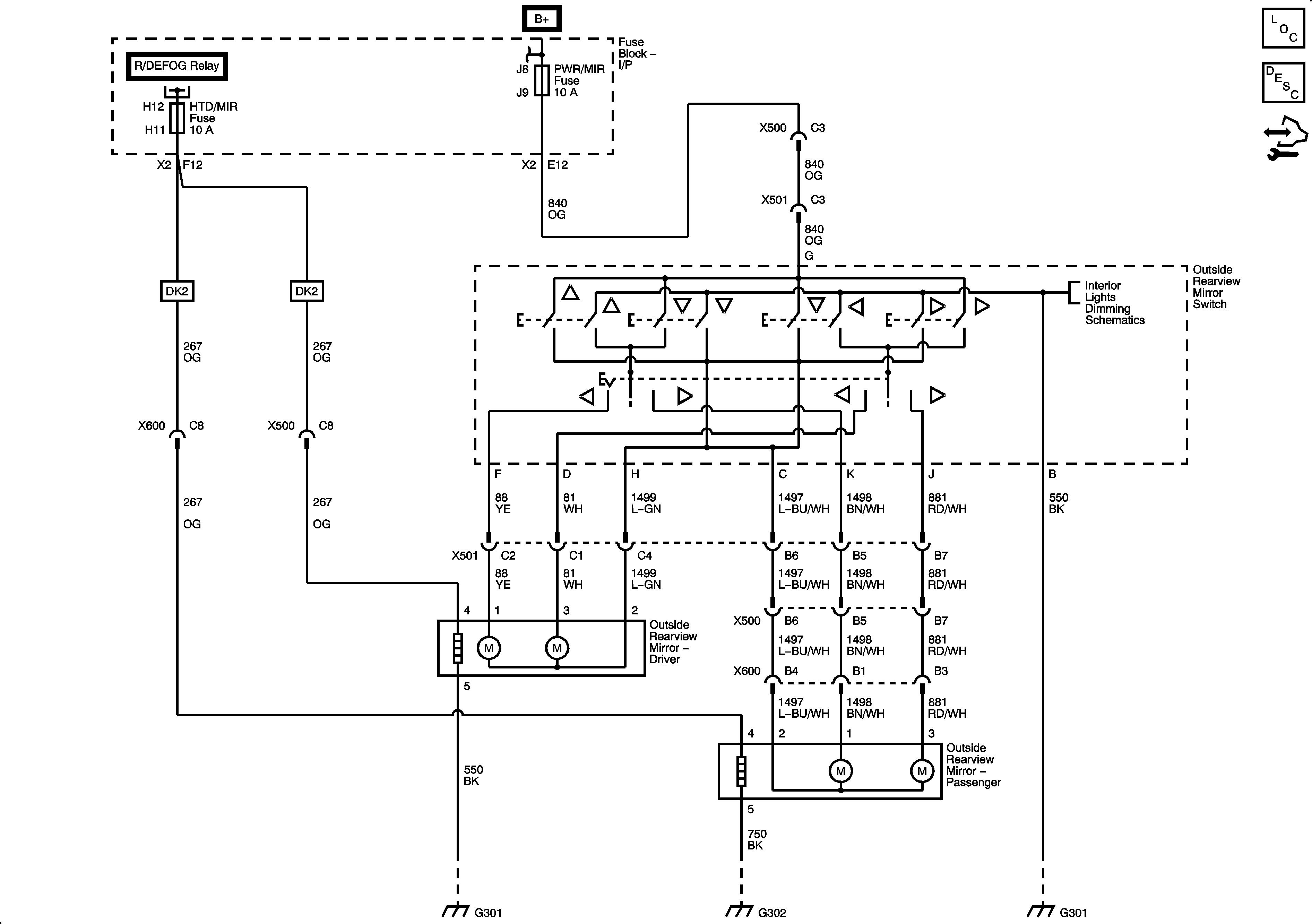
🢒 Outside Rearview Mirror Schematics
Master Electrical Component List
Outside Mirror Description and Operation
Control Module References