GM Service Manual Online
For 1990-2009 cars only
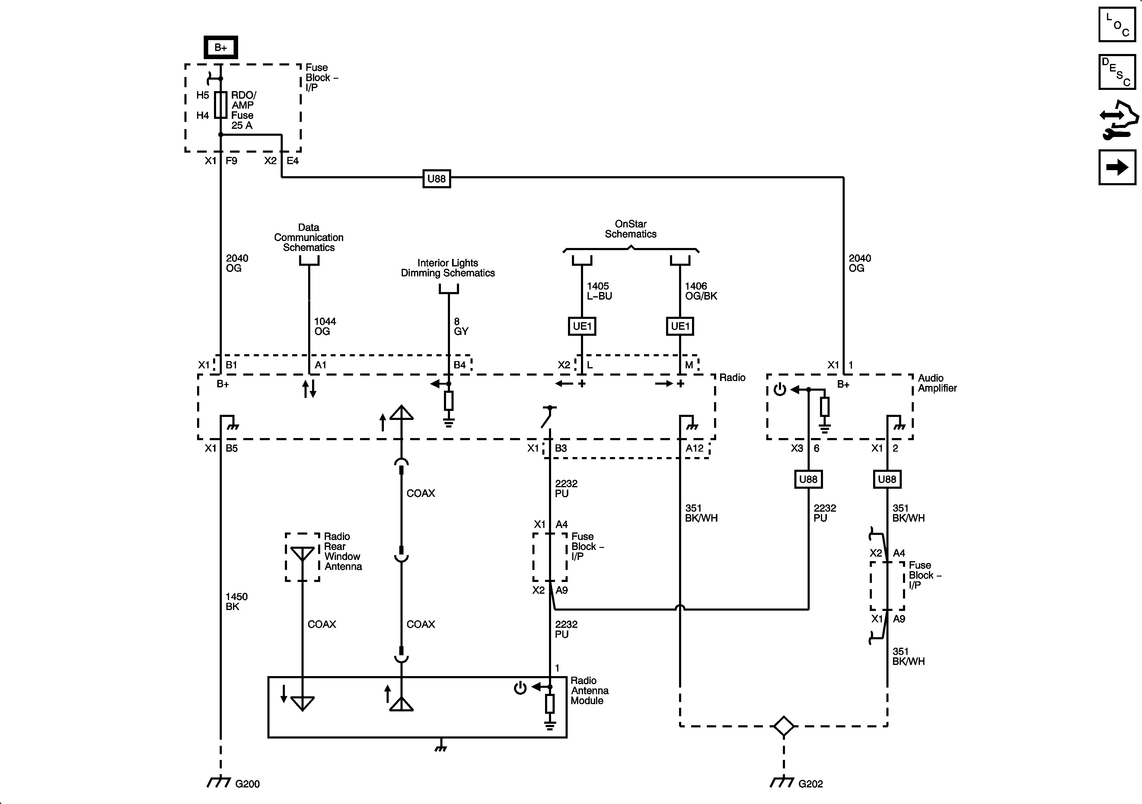
Figure 1:

Power, Ground, Serial Data, and Antenna Module


Object Number: 1888918  Size: FS
Master Electrical Component List
Radio/Audio System Description and Operation
Control Module References
Speakers - UW6
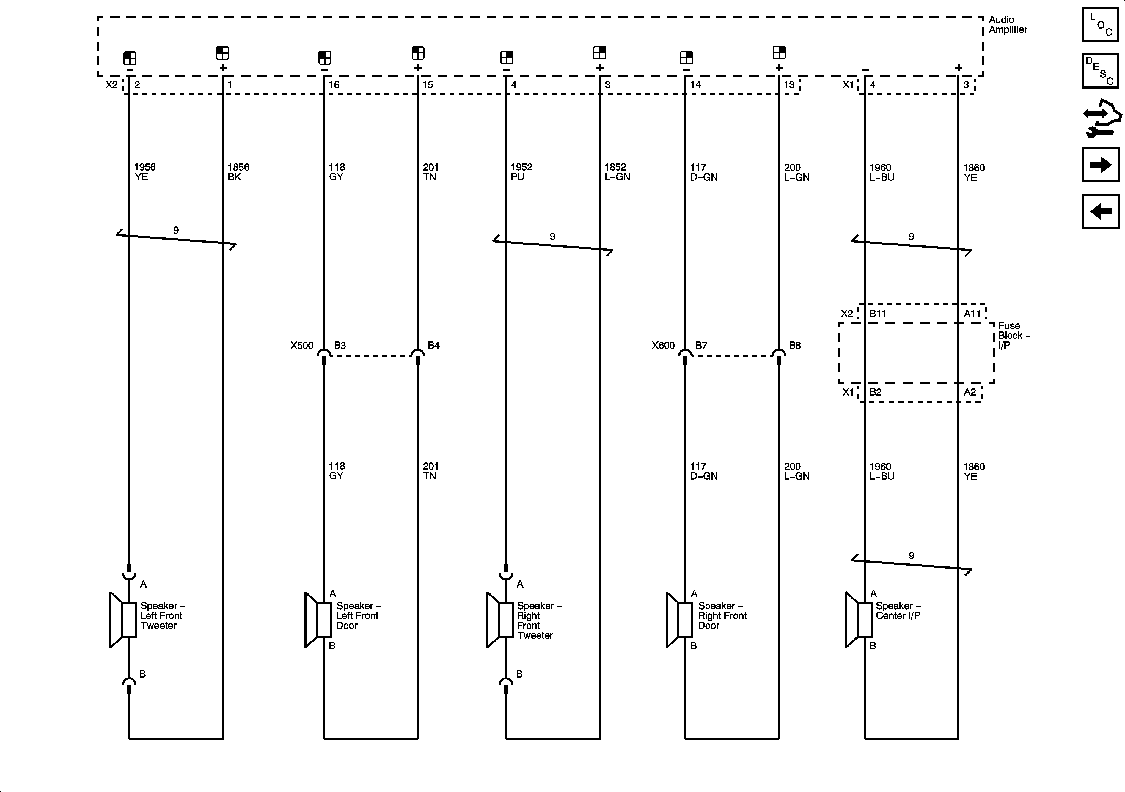
Figure 2:

Speakers - UW6


Object Number: 1888921  Size: FS
Master Electrical Component List
Radio/Audio System Description and Operation
Control Module References
Radio to Amplifier
Power, Ground, Serial Data and Antenna Module
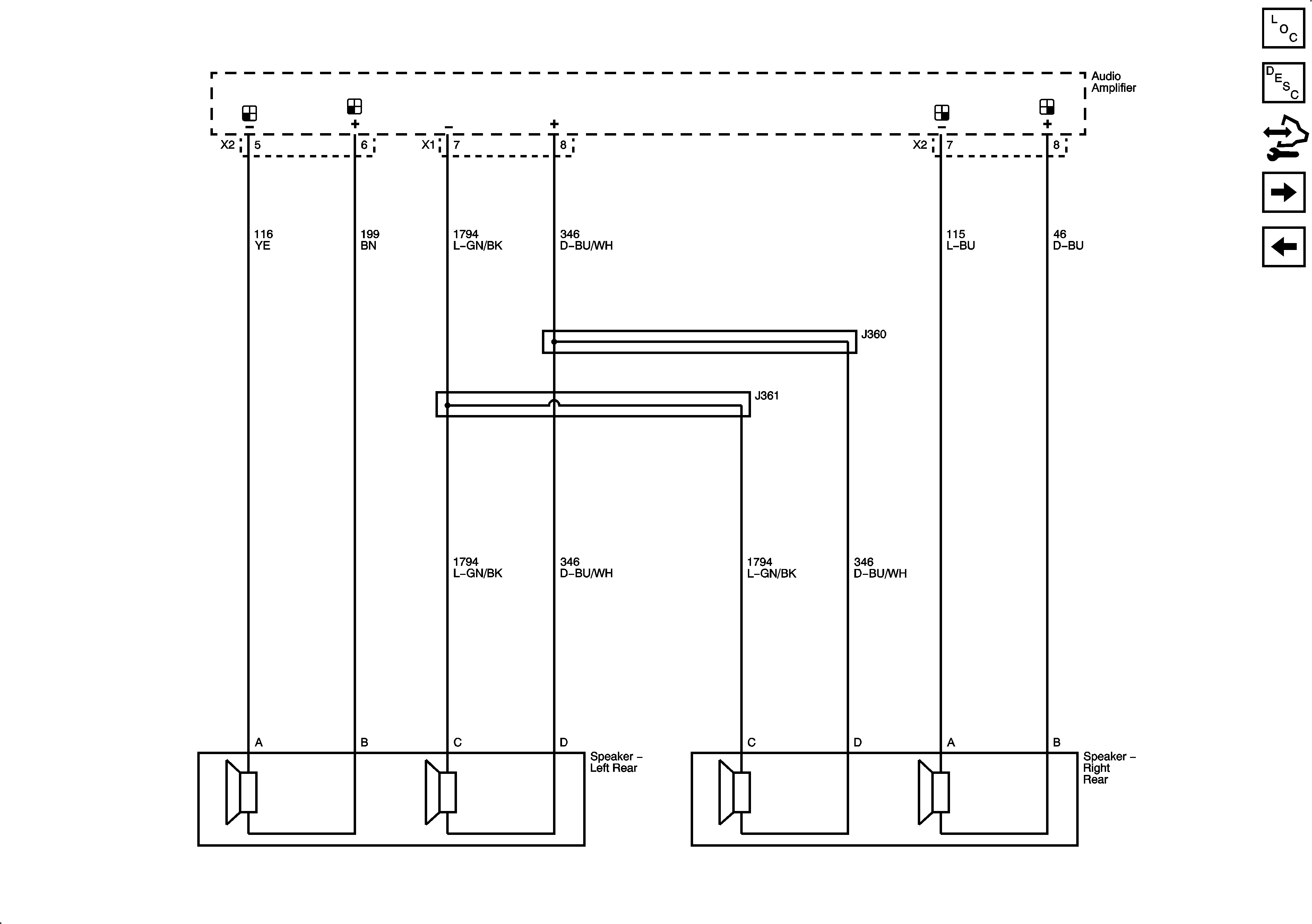
Figure 3:

Radio to Amplifier- U88


Object Number: 1888924  Size: FS
Master Electrical Component List
Radio/Audio System Description and Operation
Control Module References
Front Speakers - U88
Speakers - UW6
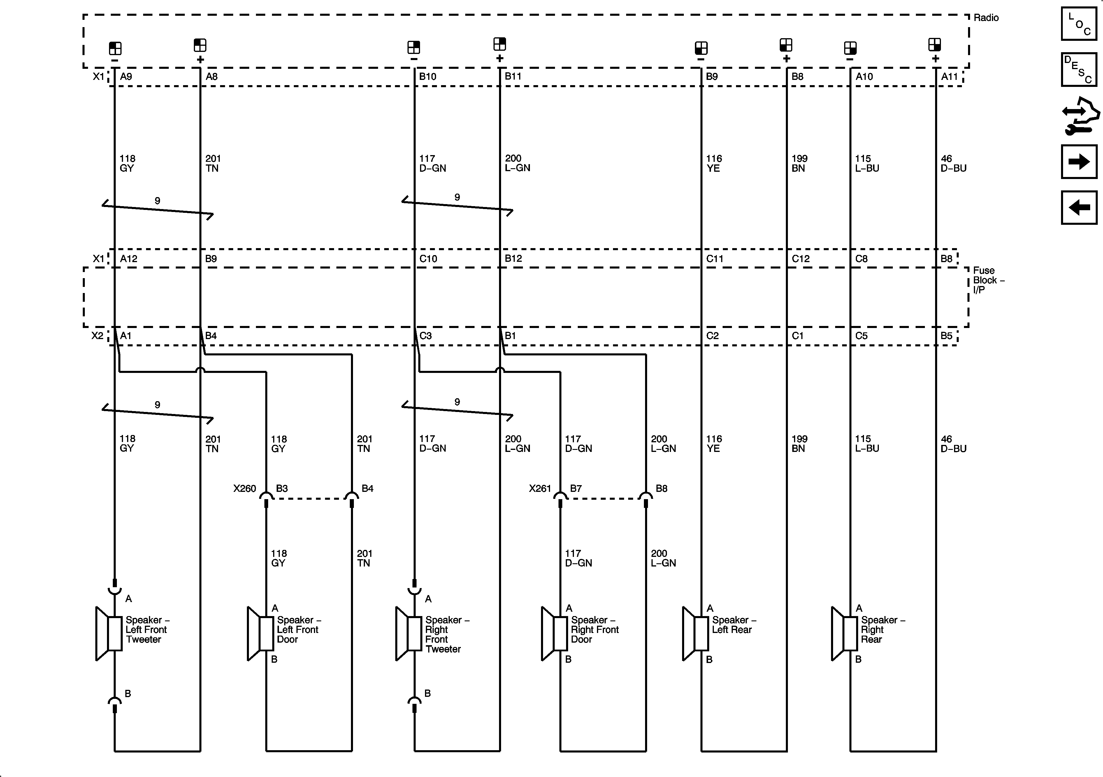
Figure 4:

Front Speakers - U88


Object Number: 1888926  Size: FS
Master Electrical Component List
Radio/Audio System Description and Operation
Control Module References
Rear Speakers - U88
Radio to Amplifier
Figure 5:

Rear Speakers - U88


Object Number: 1888928  Size: FS
Master Electrical Component List
Radio/Audio System Description and Operation
Control Module References
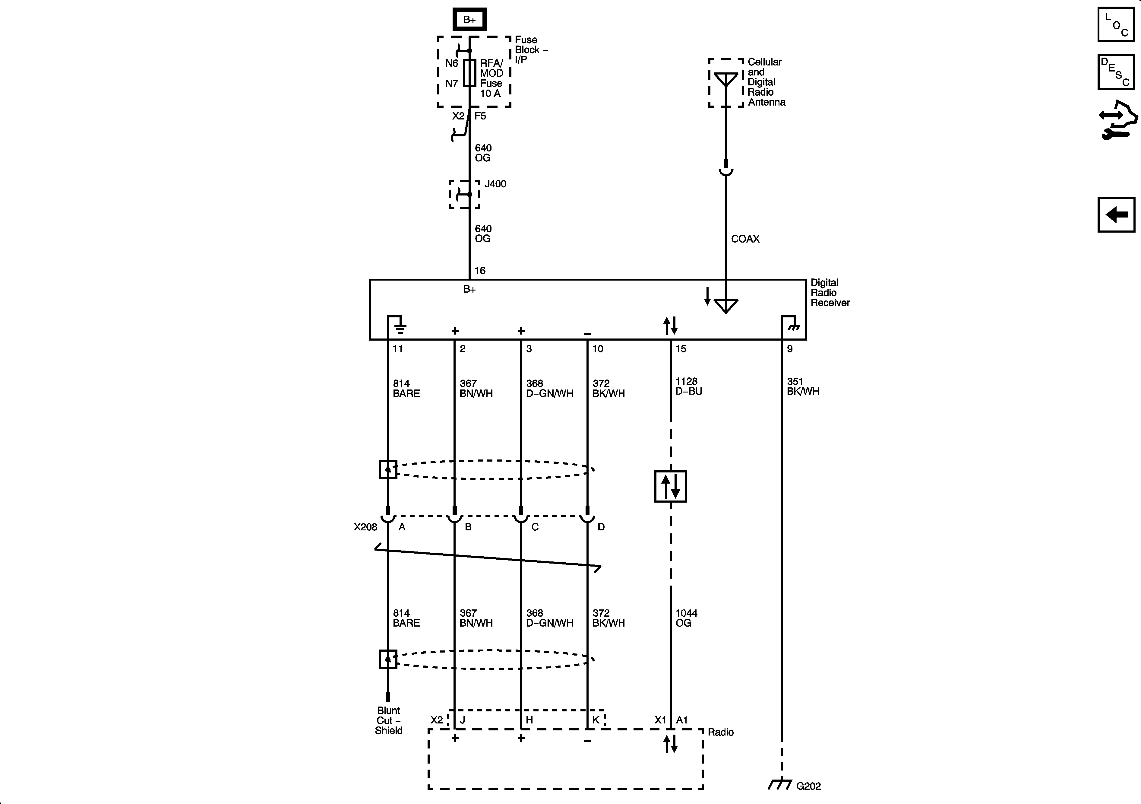
Satellite Radio - U2K
Front Speakers - U88
Figure 6:

Satellite Radio - U2K


Object Number: 1888930  Size: FS
Master Electrical Component List
Radio/Audio System Description and Operation
Control Module References
Rear Speakers - U88