GM Service Manual Online
For 1990-2009 cars only
Makes
🢒
Buick
🢒
2008
🢒
Allure
🢒
Transmission/Transaxle
🢒
Automatic Transaxle - 4T65-E
🢒 Automatic Transmission Controls Schematics
Figure
1:
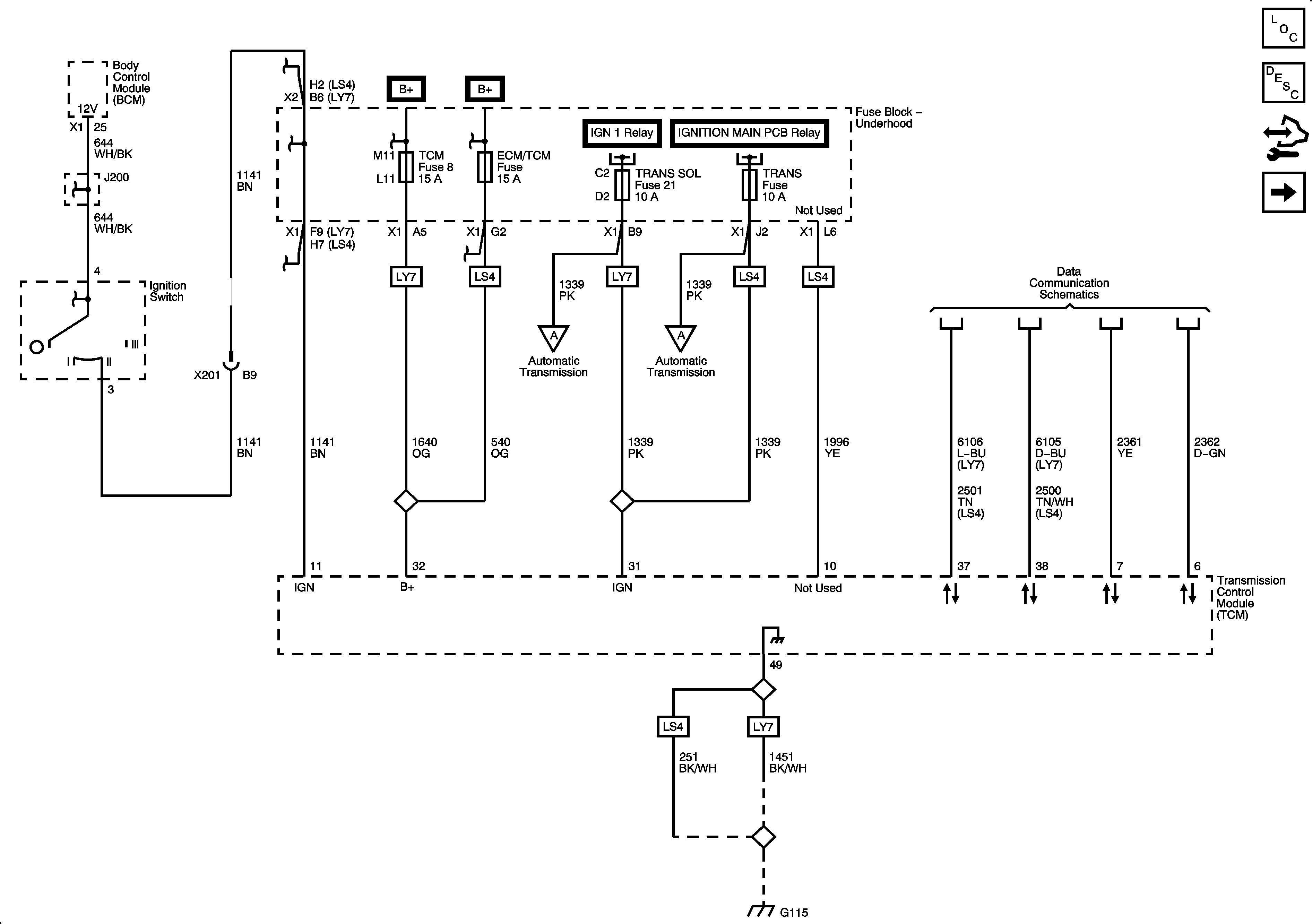
TCM Power, Ground, and Serial Data - LY7 or LS4
Master Electrical Component List
Electronic Component Description
Control Module References
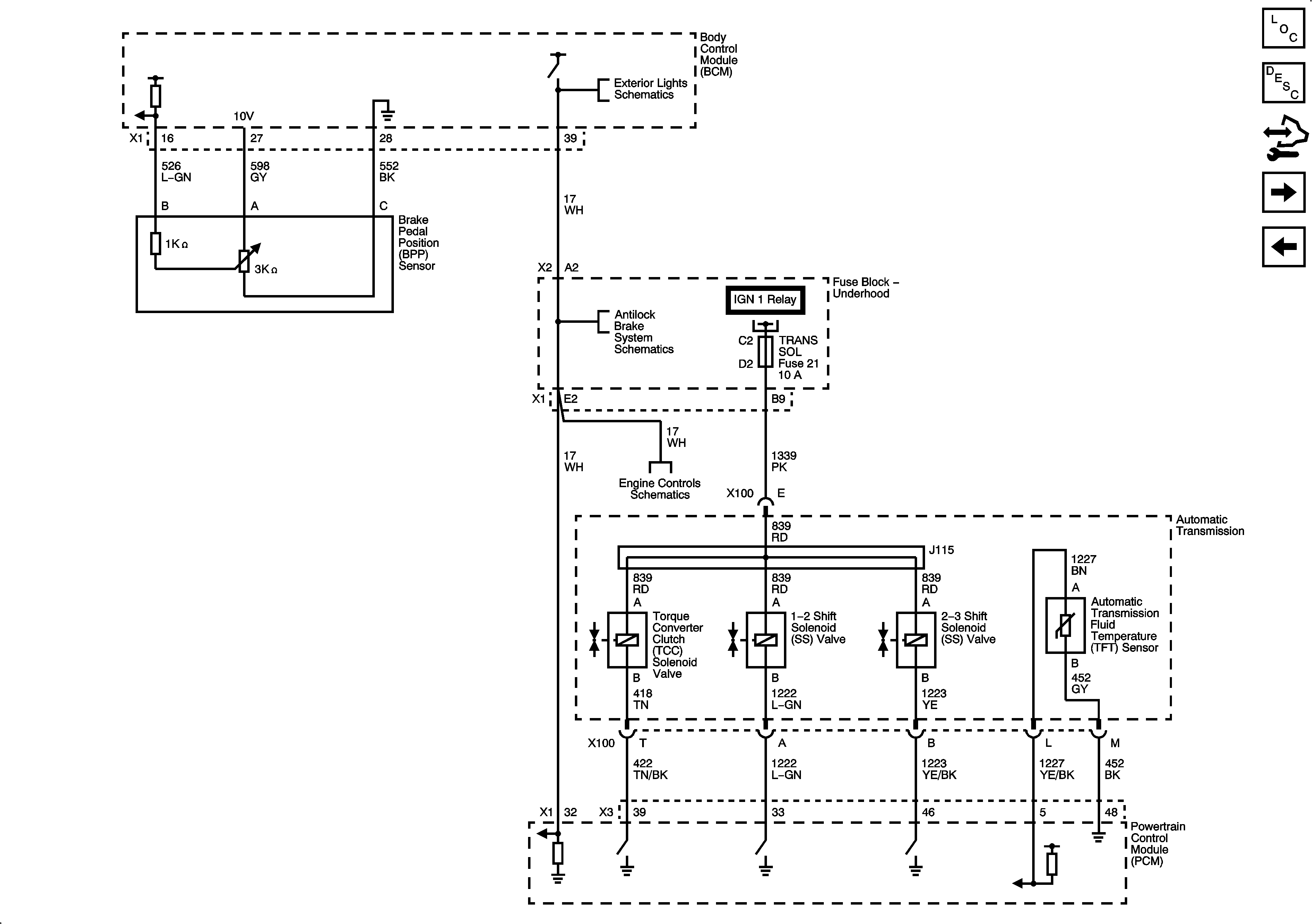
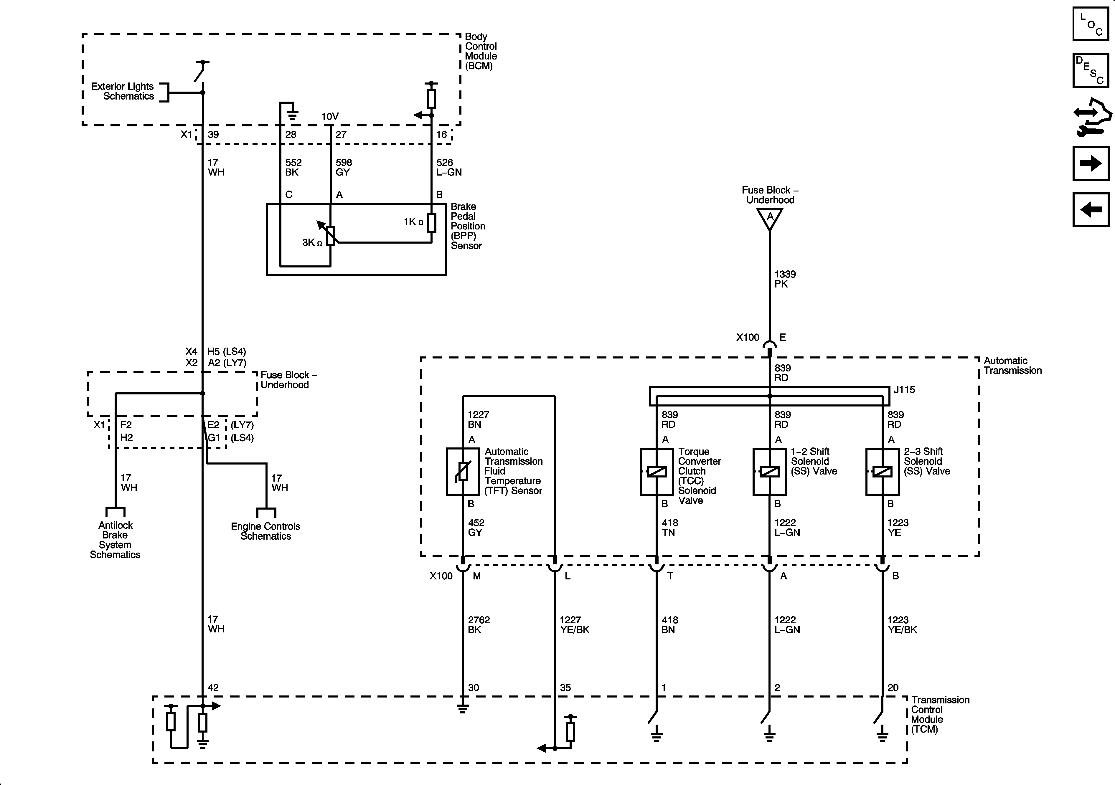
Shift and TCC Solenoid Valves, TFT Sensor, and Stop Lamp Switch - LY7 or LS4
Figure
2:
Shift and TCC Solenoid Valves, TFT Sensor, and Stop Lamp Switch - LY7 or LS4
Master Electrical Component List
Electronic Component Description
Control Module References
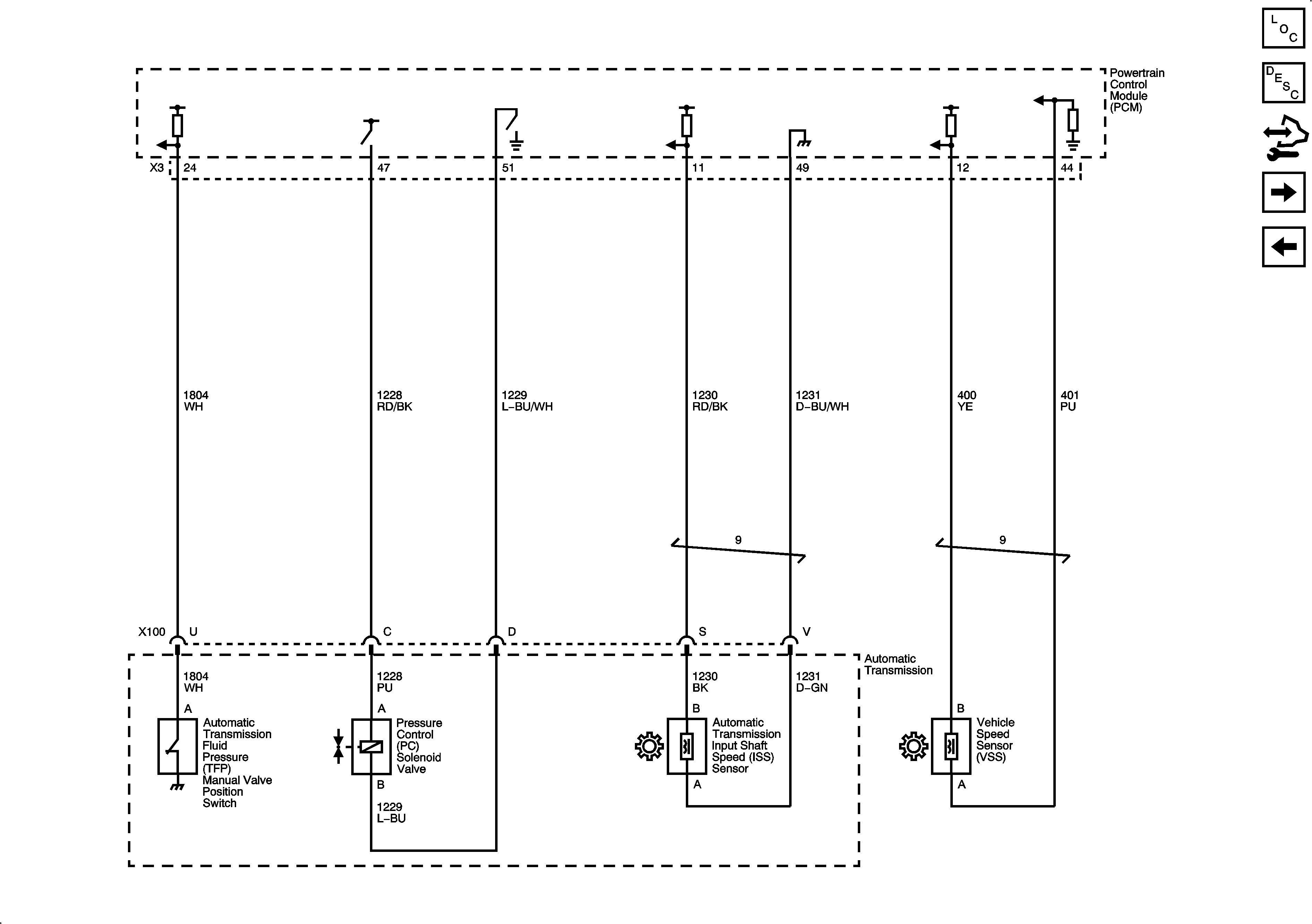
PC Solenoid Valve, Fluid Pressure Manual Valve Position Switch, ISS and VSS Sensors - LY7 or LS4
TCM Power, Ground, and Serial Data - LY7 or LS4
Figure
3:
PC Solenoid Valve, Fluid Pressure Manual Valve Position Switch, ISS and VSS Sensors - LY7 or LS4
Master Electrical Component List
Electronic Component Description
Control Module References
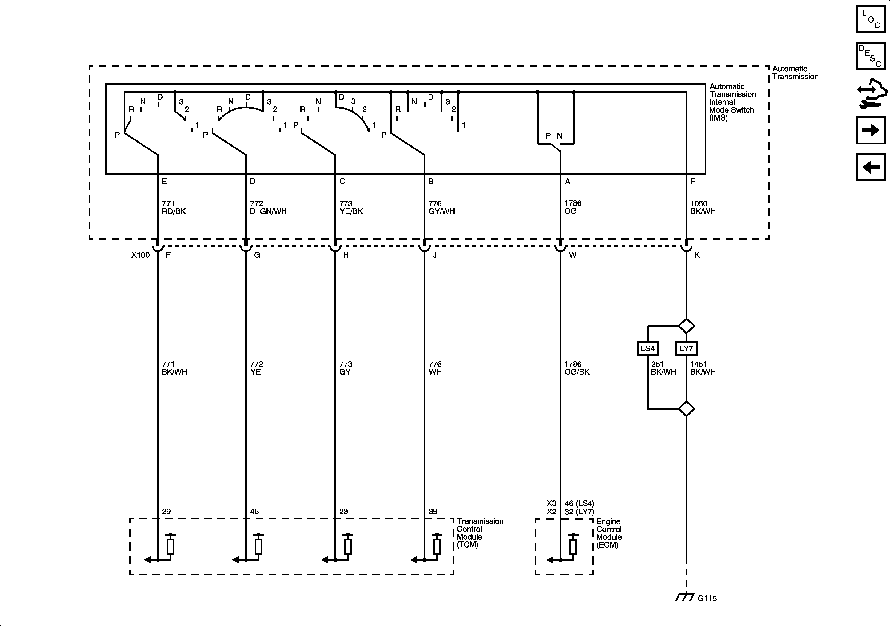
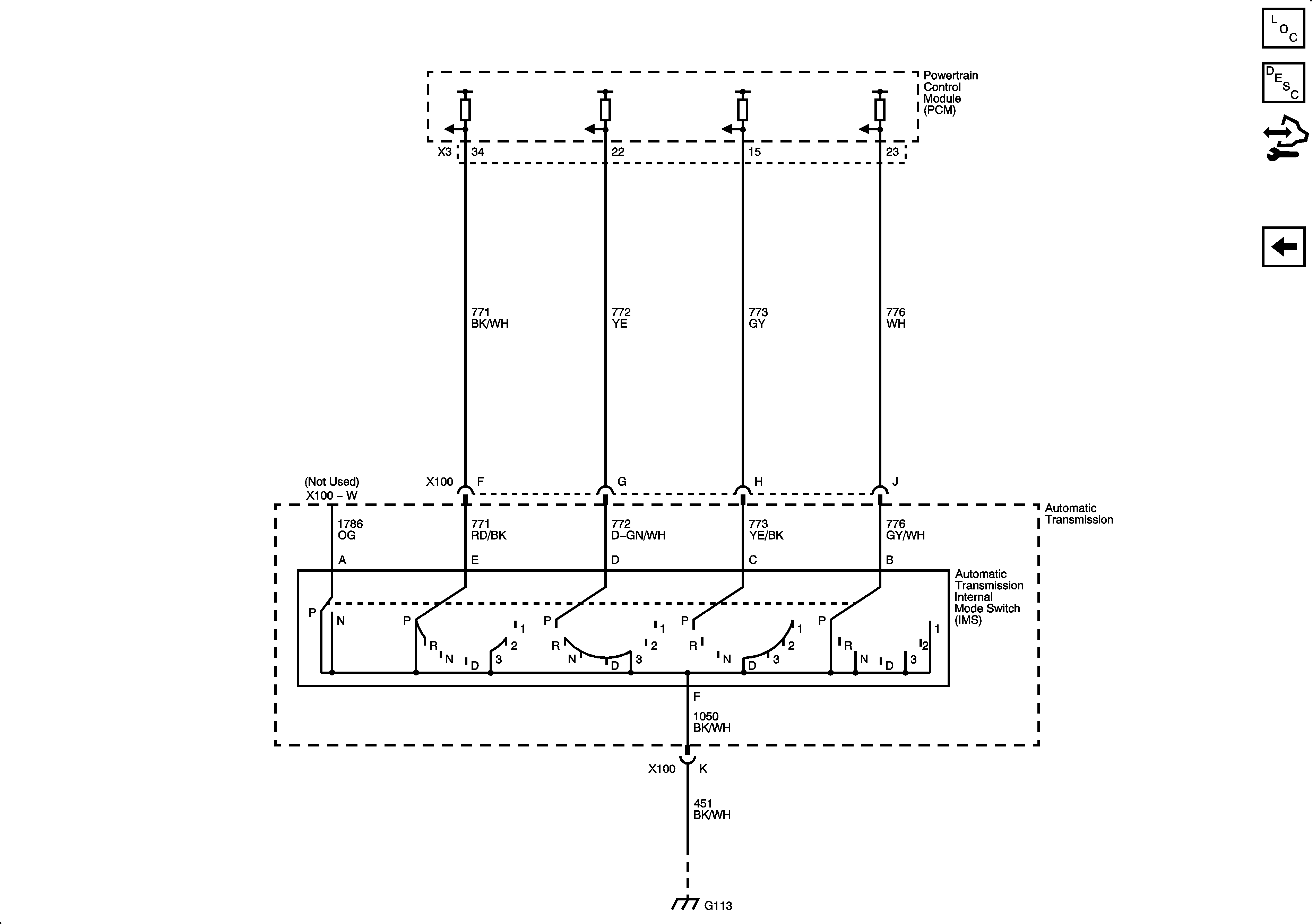
Automatic Transmission Internal Mode Switch (IMS) - LY7 or LS4
Shift and TCC Solenoid Valves, TFT Sensor, and Stop Lamp Switch - LY7 or LS4
Figure
4:
Internal Mode Switch - LY7 or LS4
Master Electrical Component List
Electronic Component Description
Control Module References
Shift and TCC Solenoid Valves, TFT Sensor, and Stop Lamp Switch - L26
PC Solenoid Valve, Fluid Pressure Manual Valve Position Switch, ISS and VSS Sensors - LY7 or LS4
Figure
5:
Shift and TCC Solenoid Valves, TFT Sensor, and Stop Lamp Switch - L26
Master Electrical Component List
Electronic Component Description
Control Module References
PC Solenoid Valve, Fluid Pressure Manual Valve Postion Switch, ISS and VSS Sensors - L26
Automatic Transmission Internal Mode Switch (IMS) - LY7 or LS4
Figure
6:
PC Solenoid Valve, Fluid Pressure Manual Valve Position Switch, ISS and VSS Sensors - L26
Master Electrical Component List
Electronic Component Description
Control Module References
Automatic Transmission Internal Mode Switch (IMS) - L26
Shift and TCC Solenoid Valves, TFT Sensor, and Stop Lamp Switch - L26
Figure
7:
Internal Mode Switch - L26
Master Electrical Component List
Electronic Component Description
Control Module References
PC Solenoid Valve, Fluid Pressure Manual Valve Postion Switch, ISS and VSS Sensors - L26