GM Service Manual Online
For 1990-2009 cars only
Makes
🢒
Buick
🢒
2008
🢒
Allure
🢒
Transmission/Transaxle
🢒
Shift Lock Control
🢒 Shift Lock Control Schematics
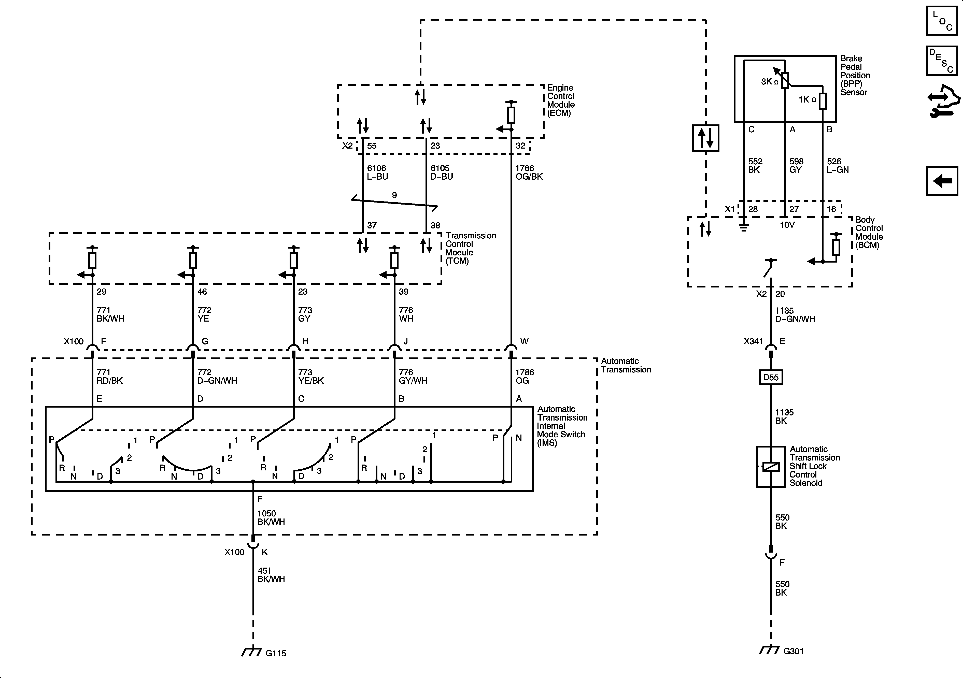
Figure
1:
L26
Master Electrical Component List
Automatic Transmission Shift Lock Control Description and Operation L26/L32/3.6L
Control Module References
LY7 or LS4
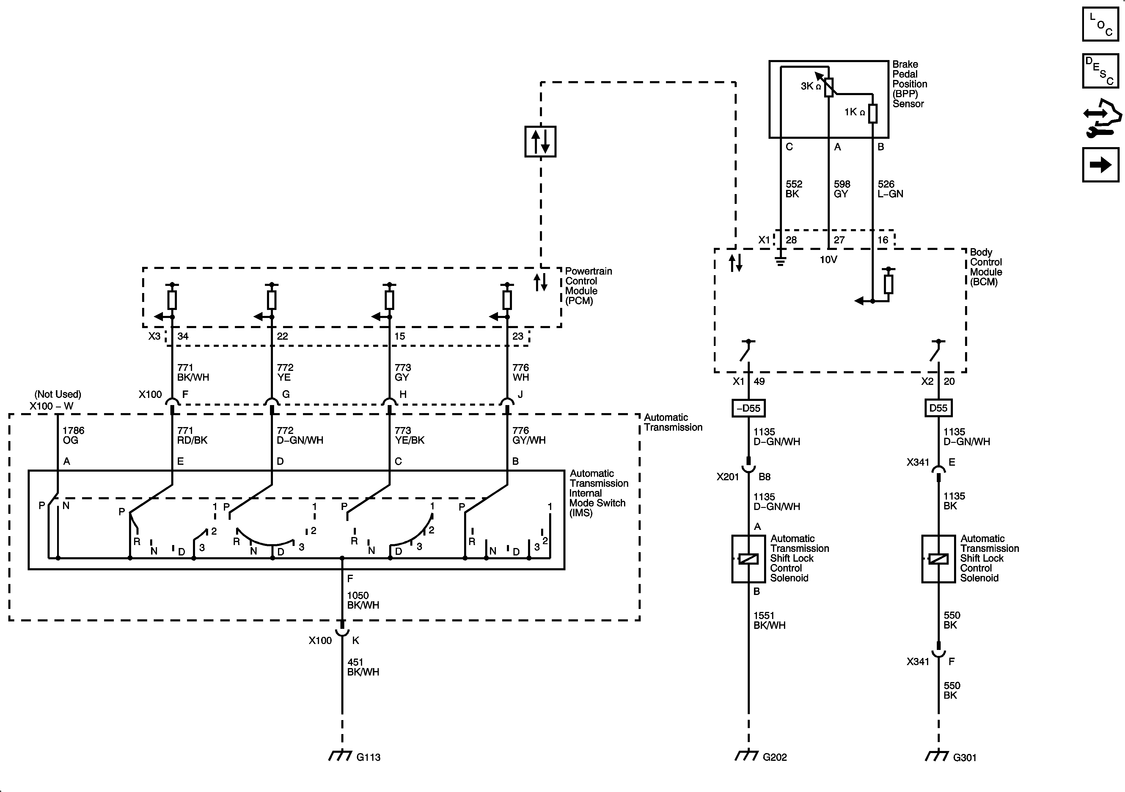
Figure
2:
LY7 or LS4
Master Electrical Component List
Automatic Transmission Shift Lock Control Description and Operation L26/L32/3.6L
Control Module References
L26