GM Service Manual Online
For 1990-2009 cars only
Makes
🢒
Buick
🢒
2009
🢒
Allure
🢒
Diagnostic Navigation
🢒
Vehicle Diagnostic Information
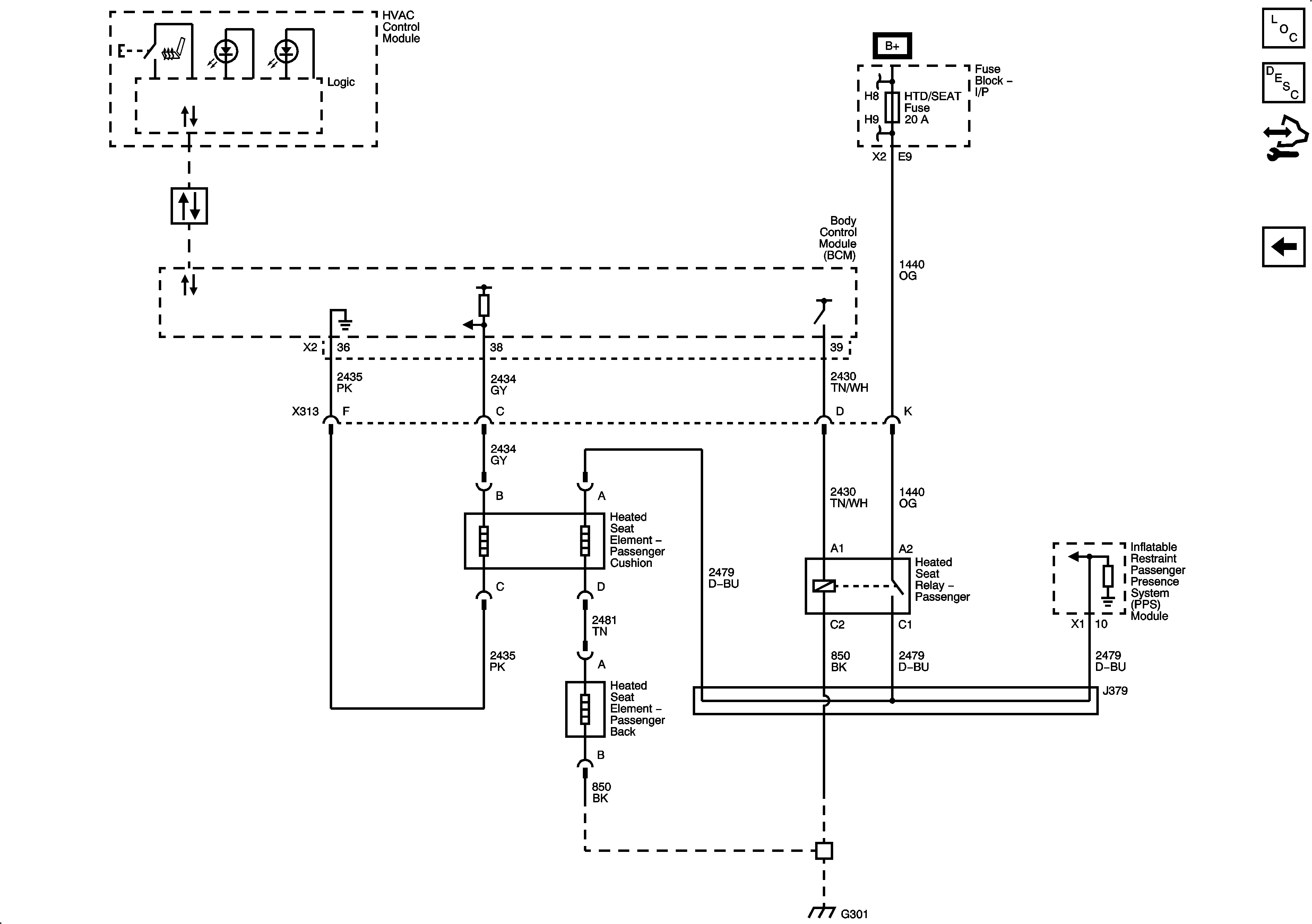
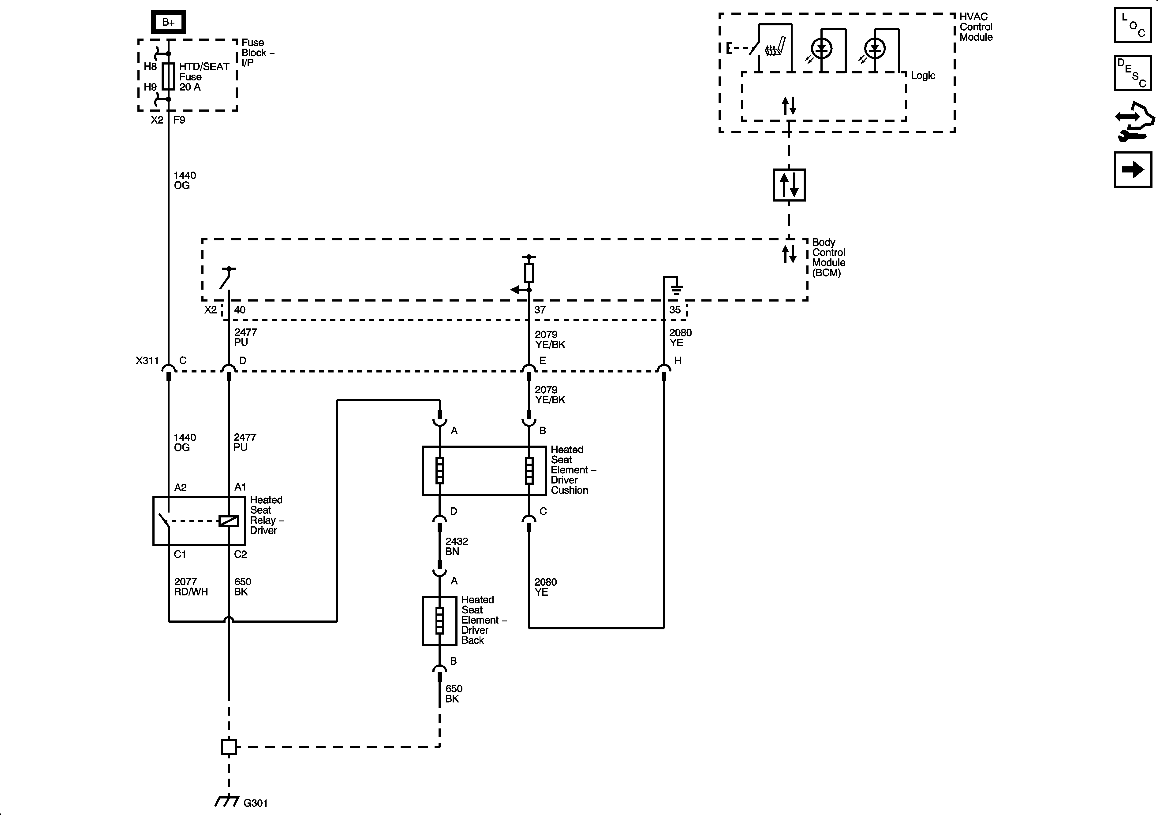
🢒 Heated/Cooled Seat Schematics
Figure
1:
Driver Seat Heat Controls
Figure
2:
Passenger Seat Heat Controls