GM Service Manual Online
For 1990-2009 cars only
Makes
🢒
Buick
🢒
2009
🢒
Allure
🢒
Body Systems
🢒
Lighting
🢒 Exterior Lights Schematics
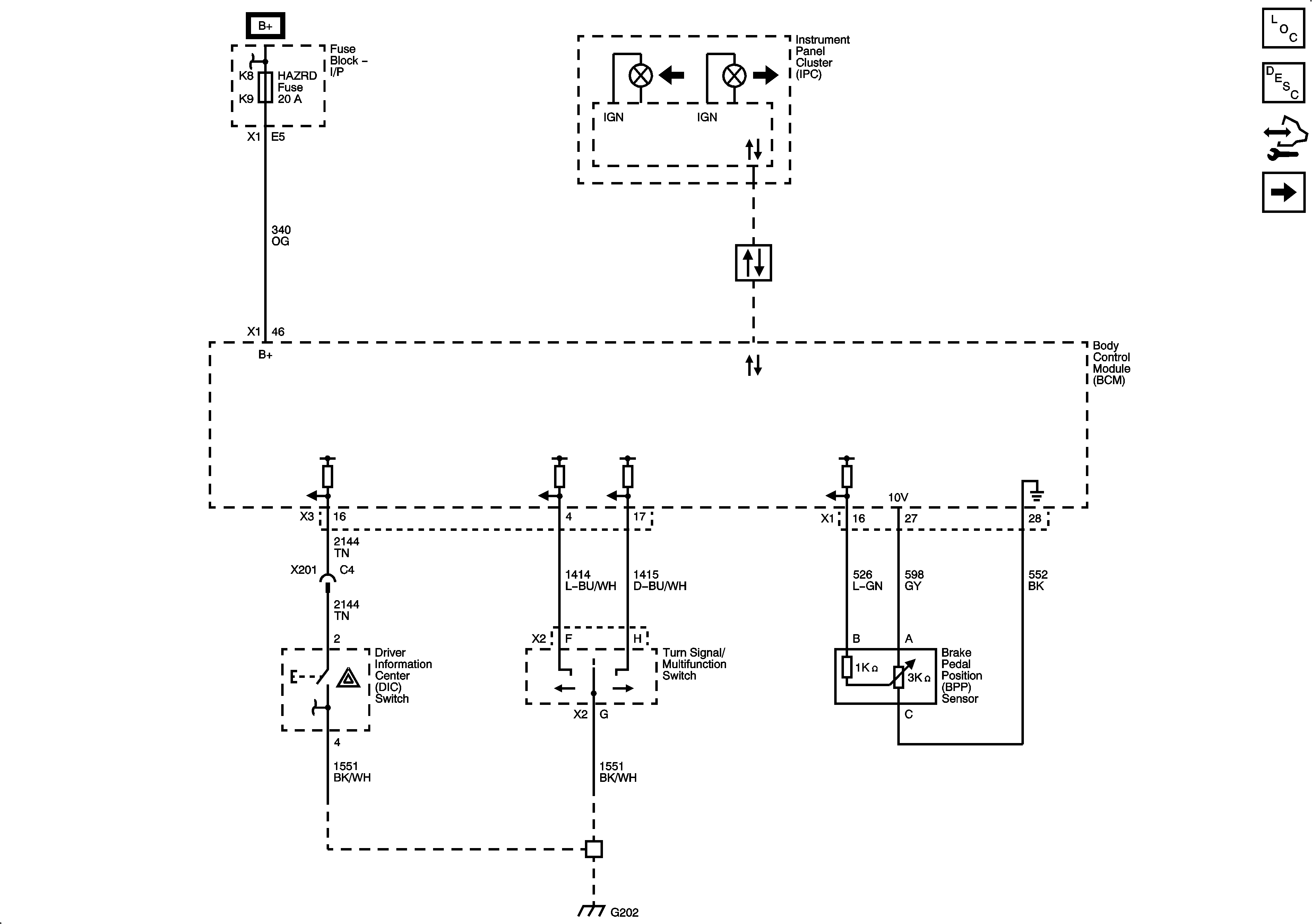
Figure
1:
Turn Signal, Hazard, and Stop Lamps Inputs
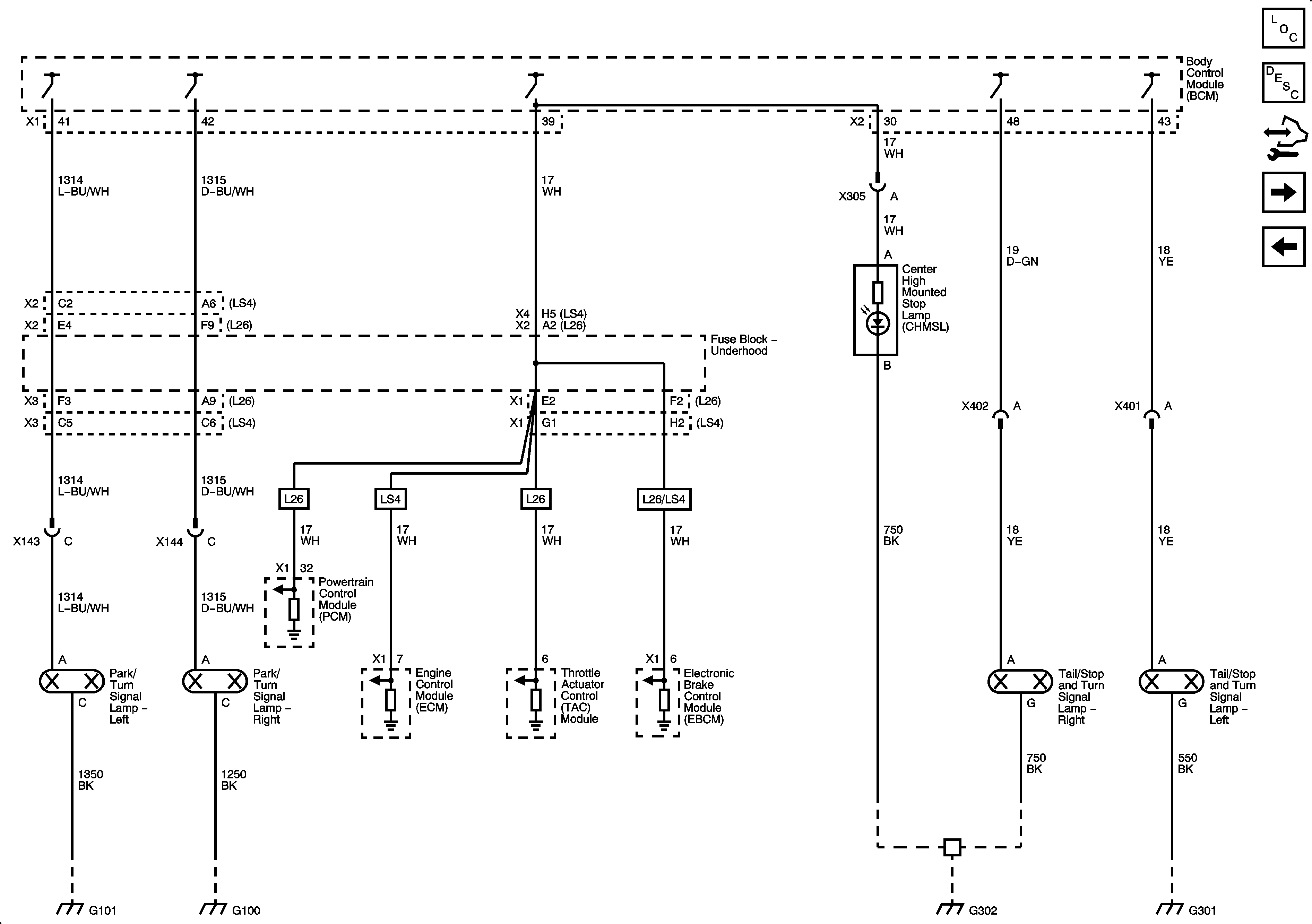
Figure
2:
Turn Signal, Hazard, and Stop Lamps Outputs
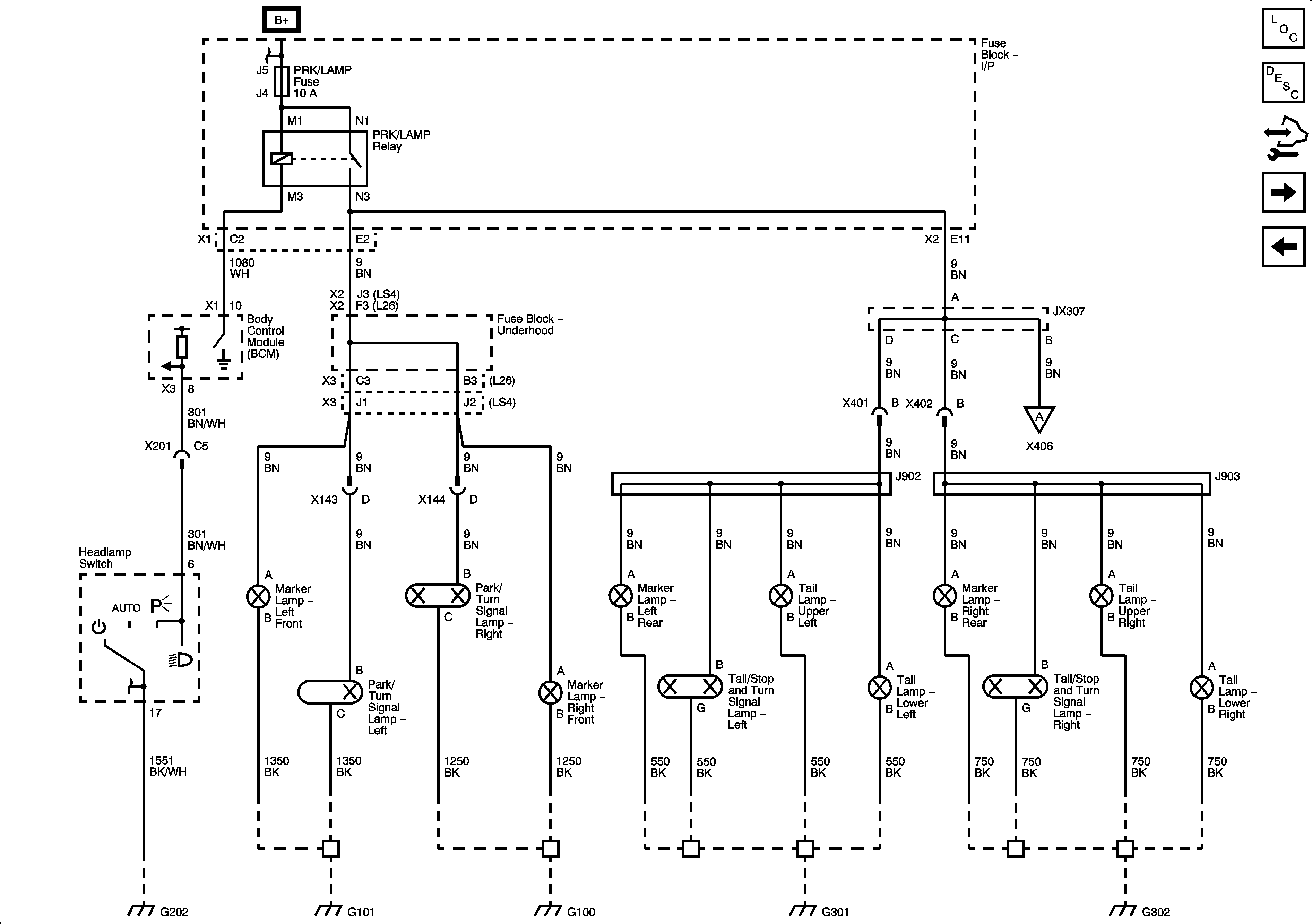
Figure
3:
Park Lamps
Figure
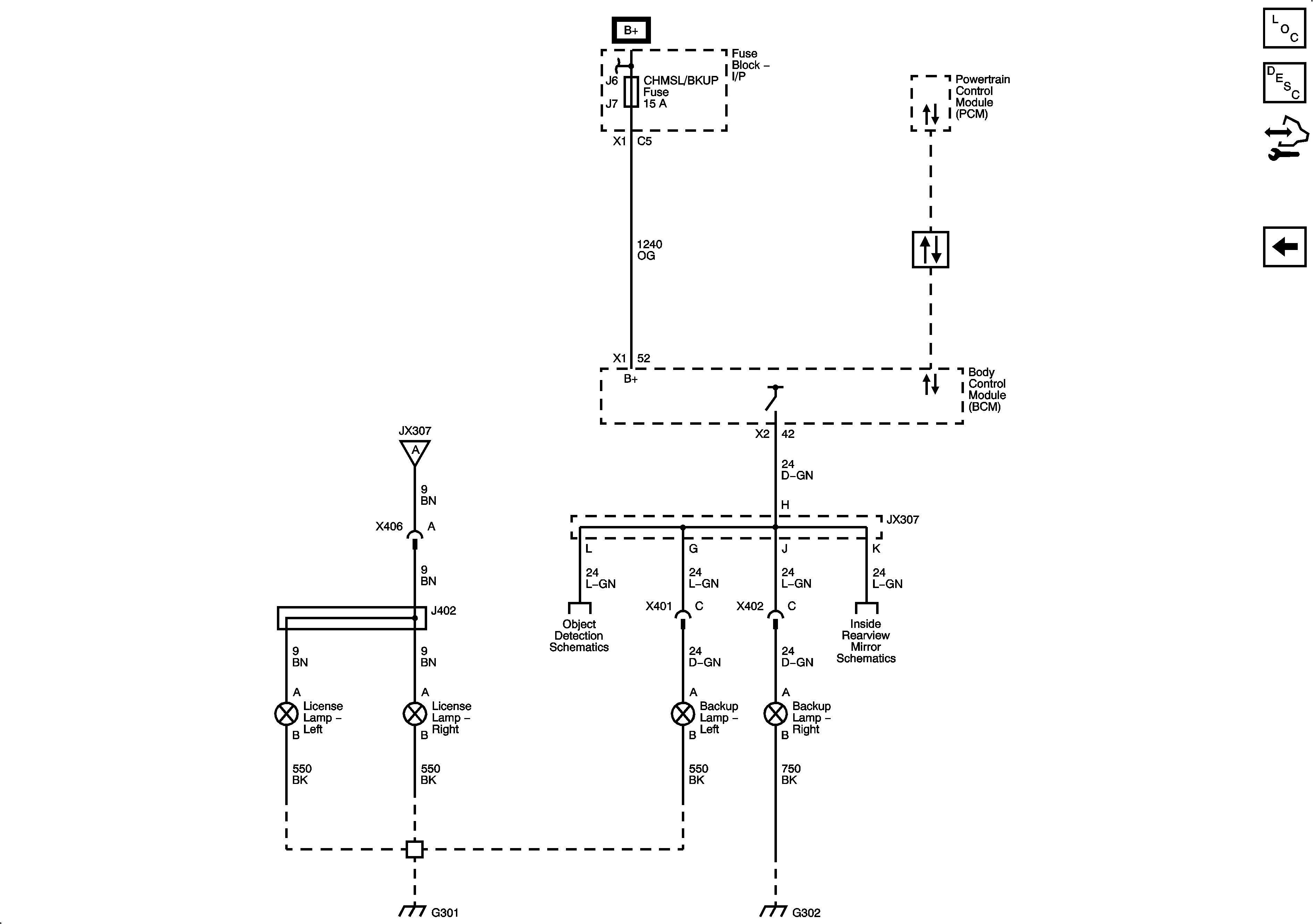
4:
Backup and License Lamps