GM Service Manual Online
For 1990-2009 cars only
Figure 1:

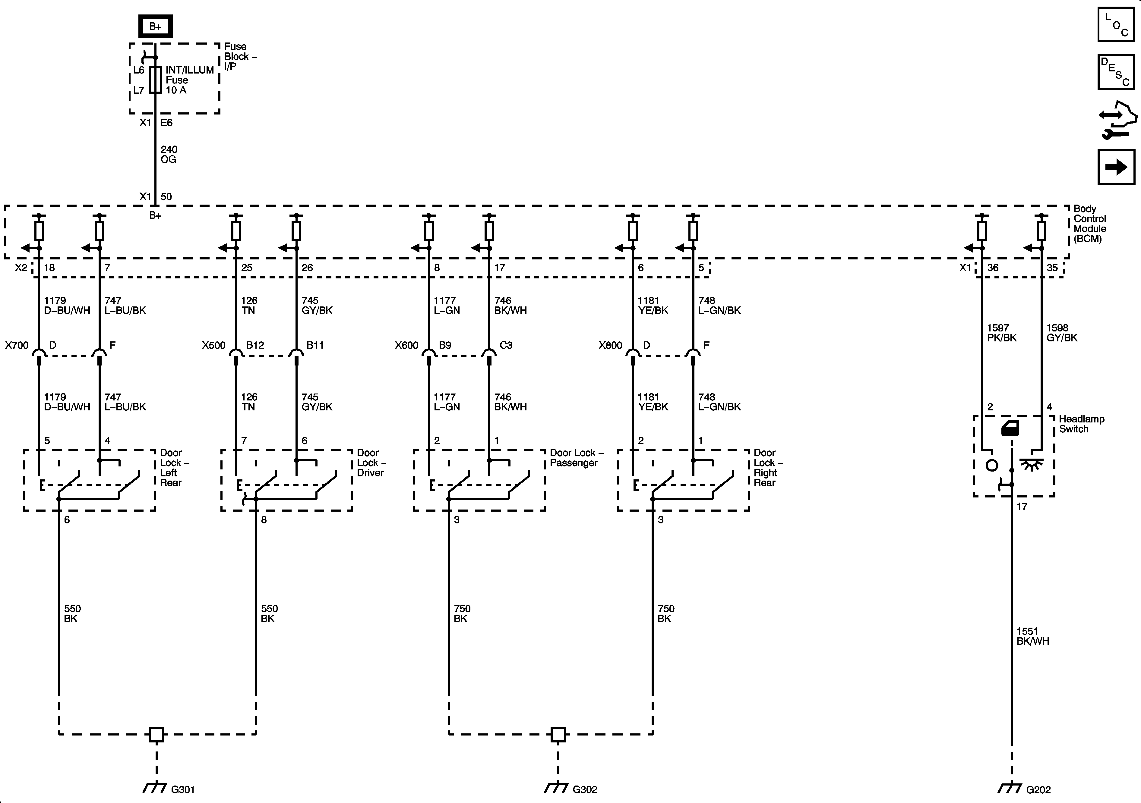
Lamp Controls


Object Number: 2081182  Size: FS
Figure 2:

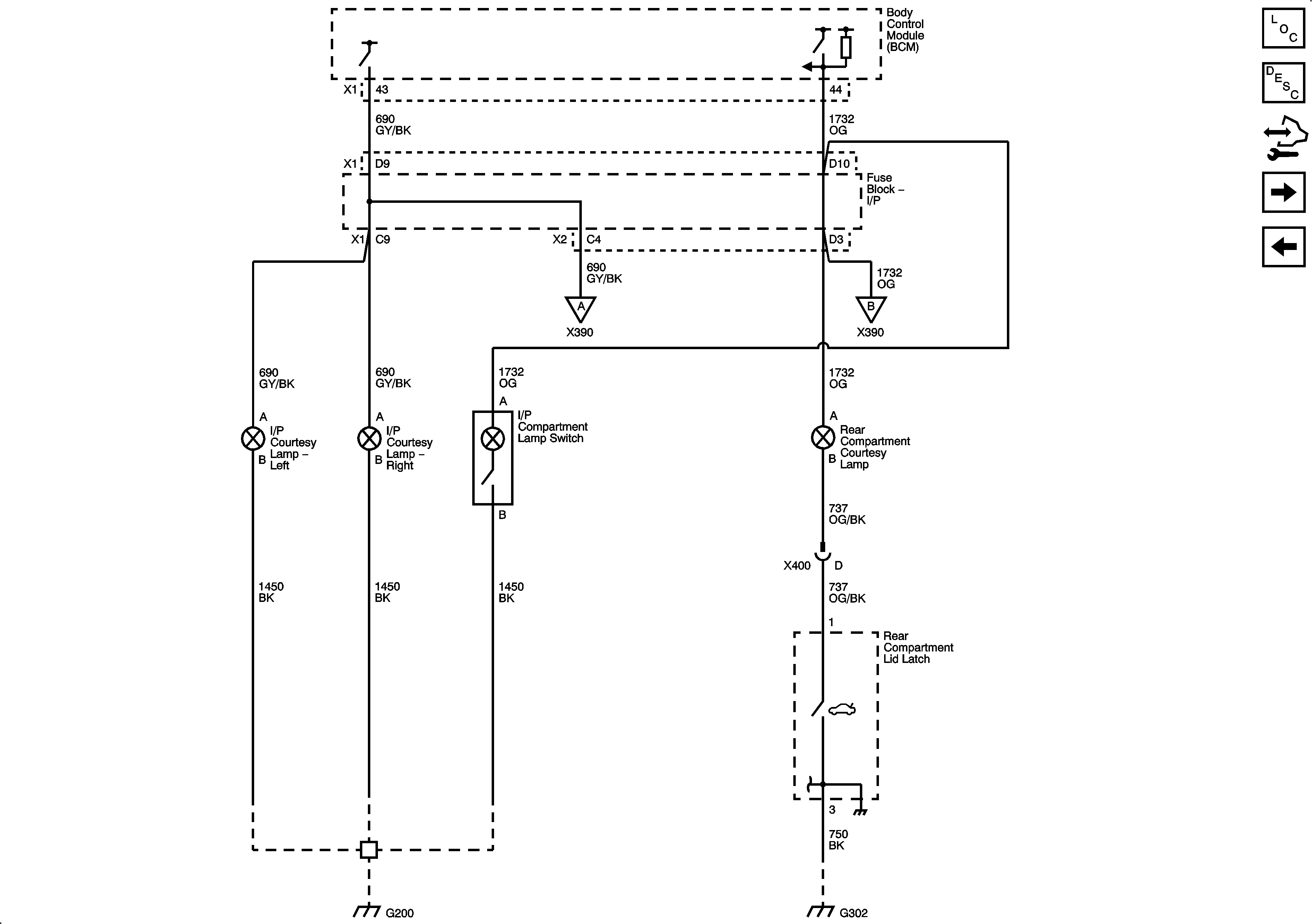
Courtesy Lamps


Object Number: 2081187  Size: FS
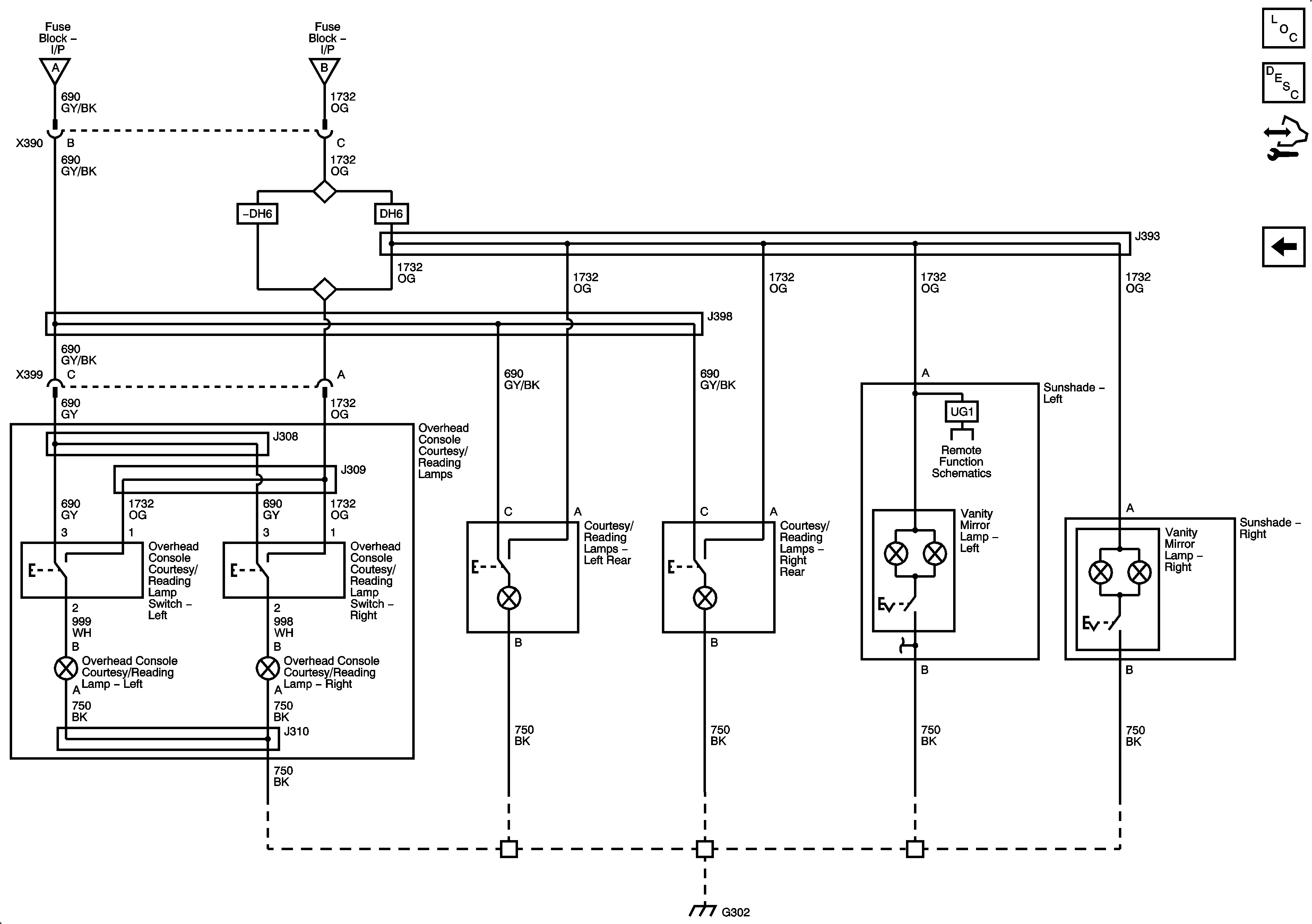
Figure 3:

Overhead Lighting


Object Number: 2081200  Size: FS