GM Service Manual Online
For 1990-2009 cars only
Figure 1:

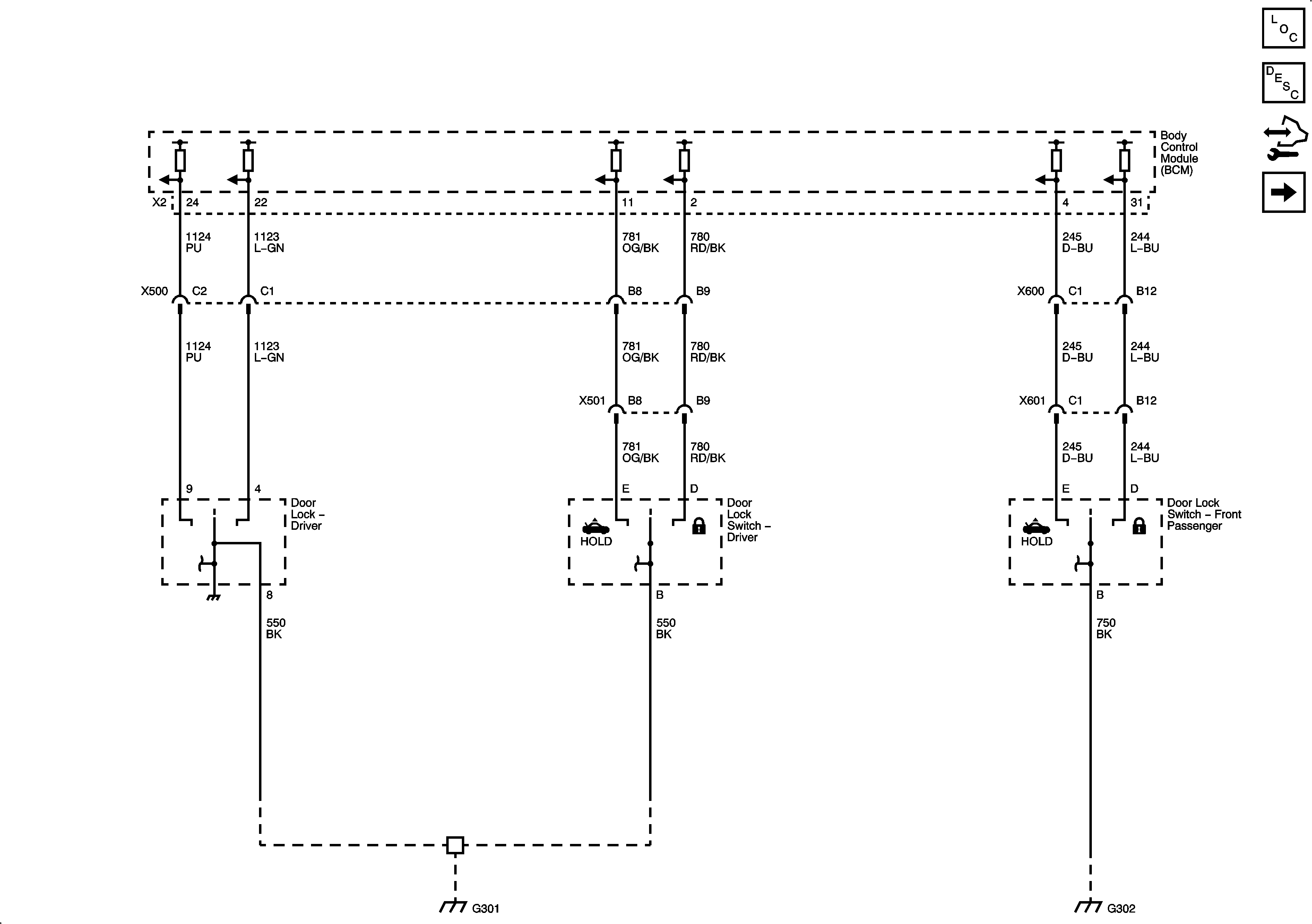
Switches


Object Number: 2081216  Size: FS
Figure 2:

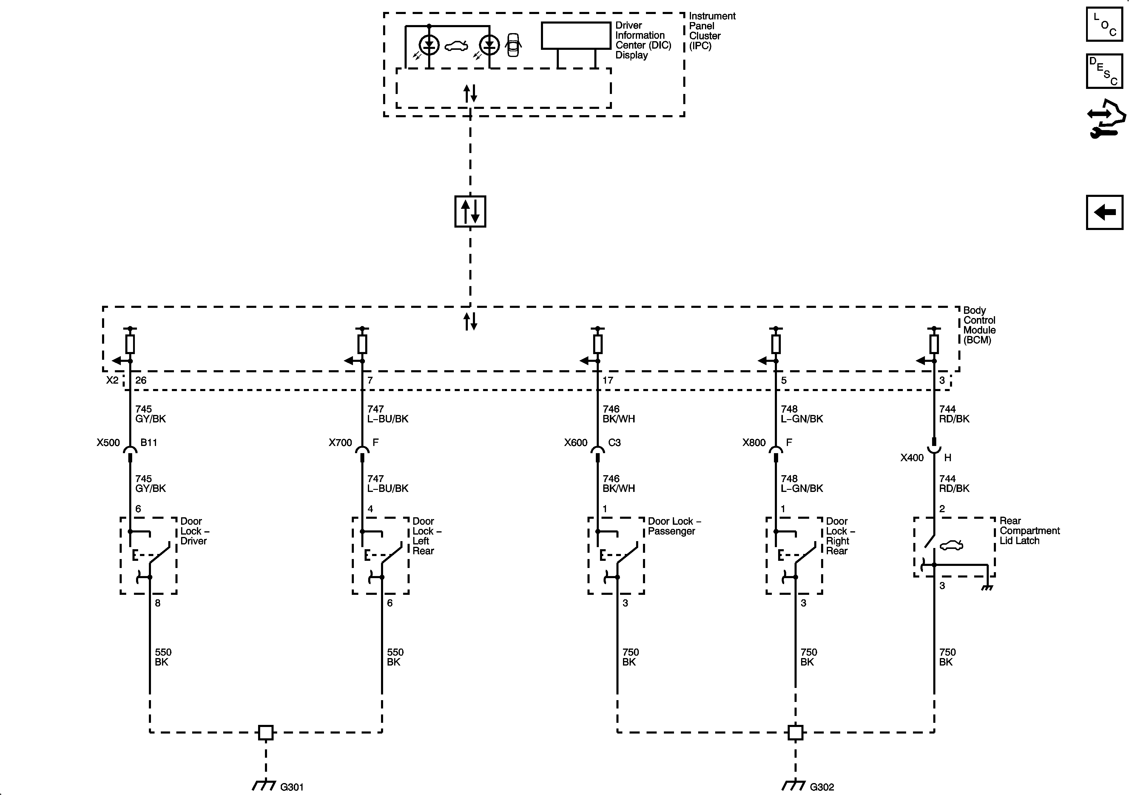
Actuators


Object Number: 2081220  Size: FS
Figure 3:

Ajar Indicators


Object Number: 2081222  Size: FS