GM Service Manual Online
For 1990-2009 cars only
Makes
🢒
Buick
🢒
2009
🢒
Allure
🢒
Body Systems
🢒
Wipers and Washers
🢒 Wiper/Washer Schematics
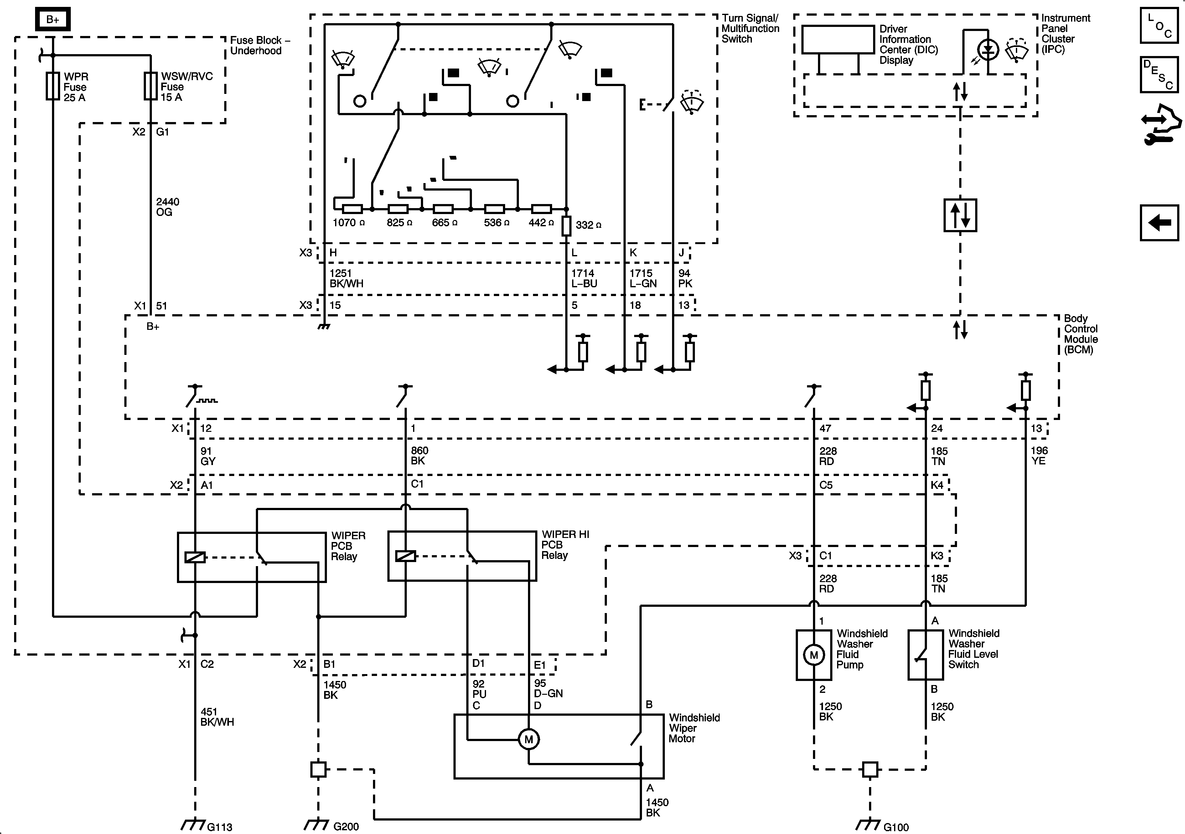
Figure
1:
L26
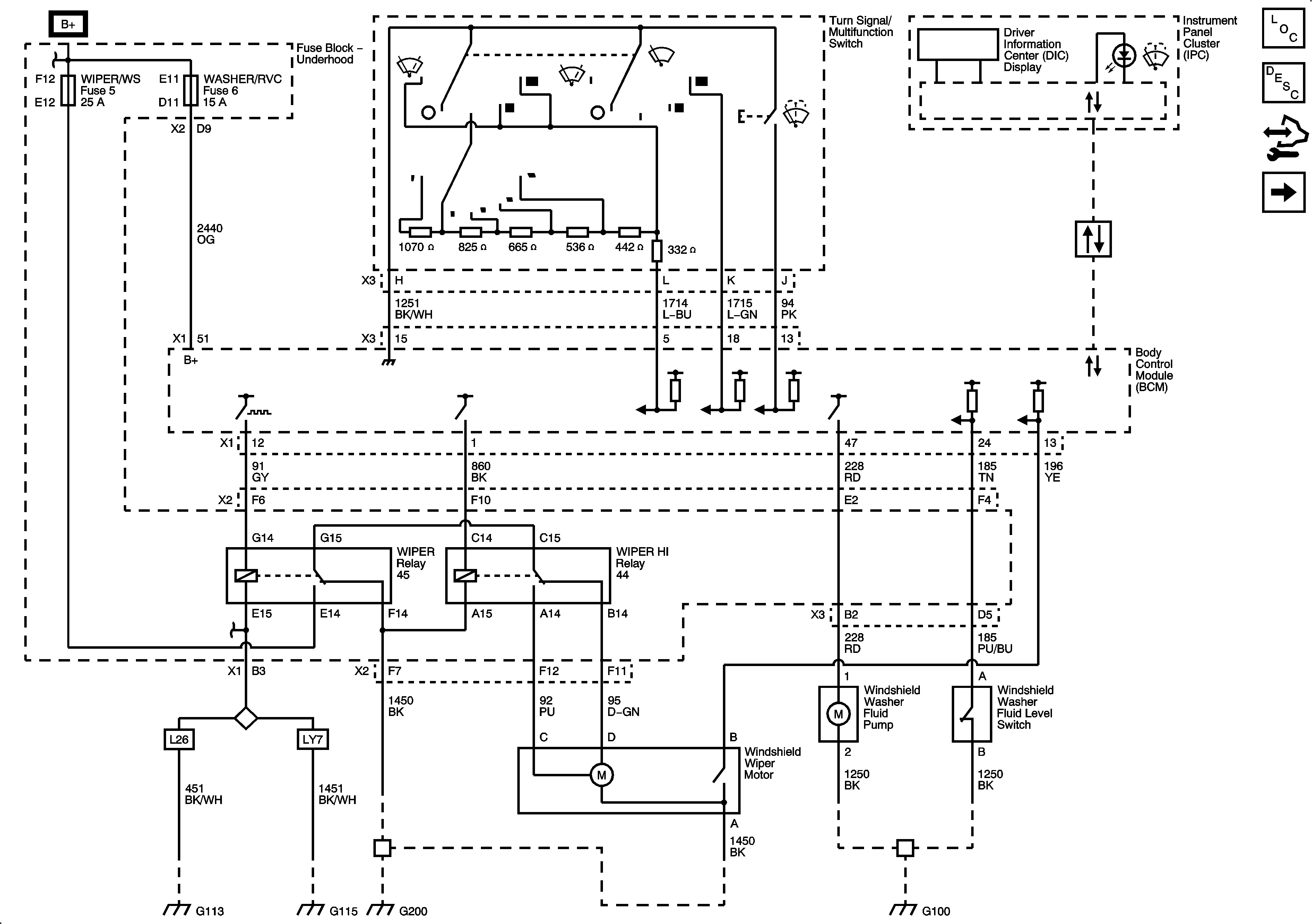
Figure
2:
LS4