GM Service Manual Online
For 1990-2009 cars only
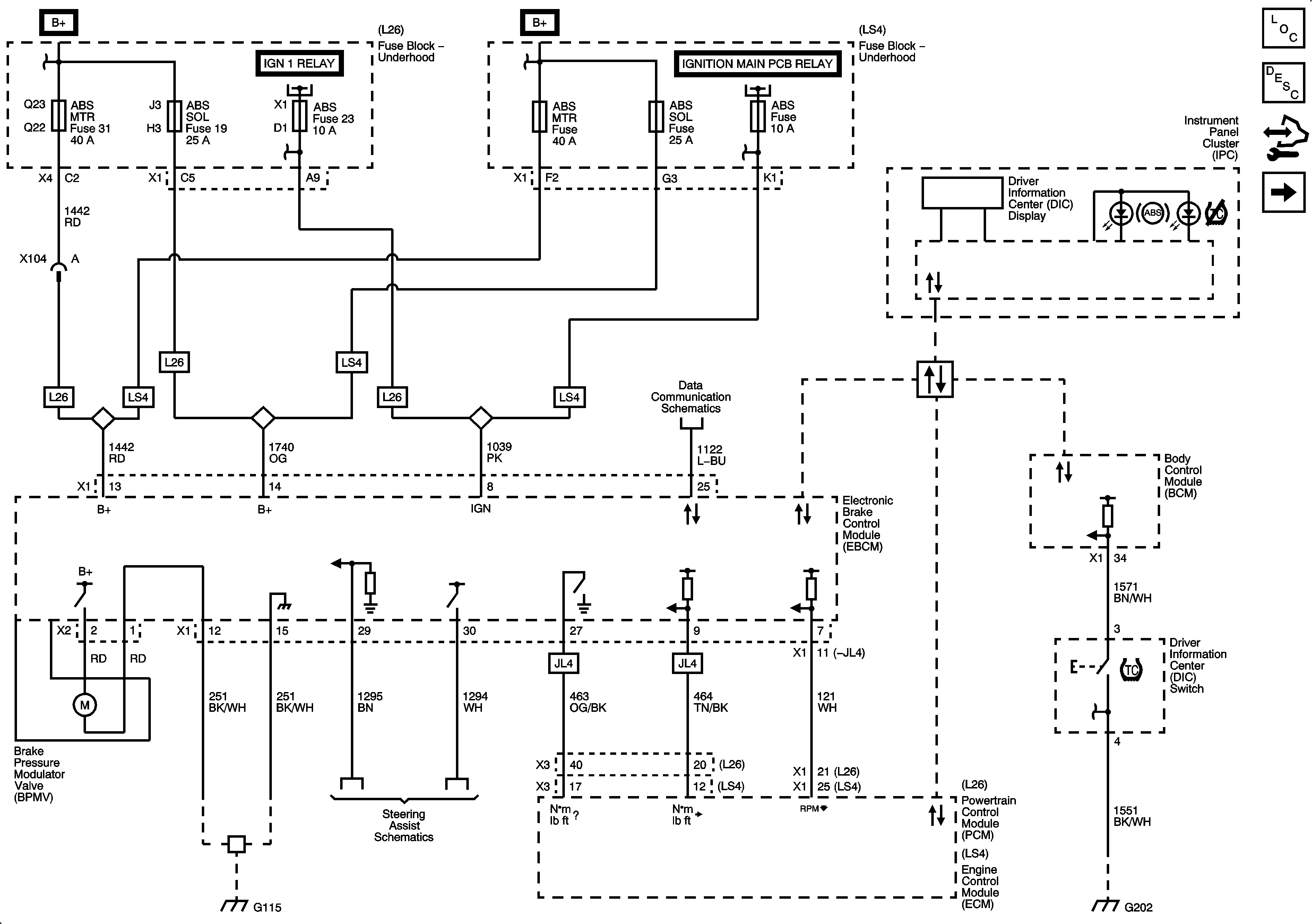
Figure 1:

Power, Ground, Brake Pressure Modulator Valve (BPMV), Traction Control, and Serial Data


Object Number: 2081299  Size: FS
Figure 2:

Wheel Speed Sensors (JL4)


Object Number: 2081301  Size: FS
Figure 3:

Active Brake, Stability Controls, and Brake Pedal Position (BPP) Sensor


Object Number: 2081307  Size: FS