GM Service Manual Online
For 1990-2009 cars only
Makes
🢒
Buick
🢒
2009
🢒
Allure
🢒
Safety and Security
🢒
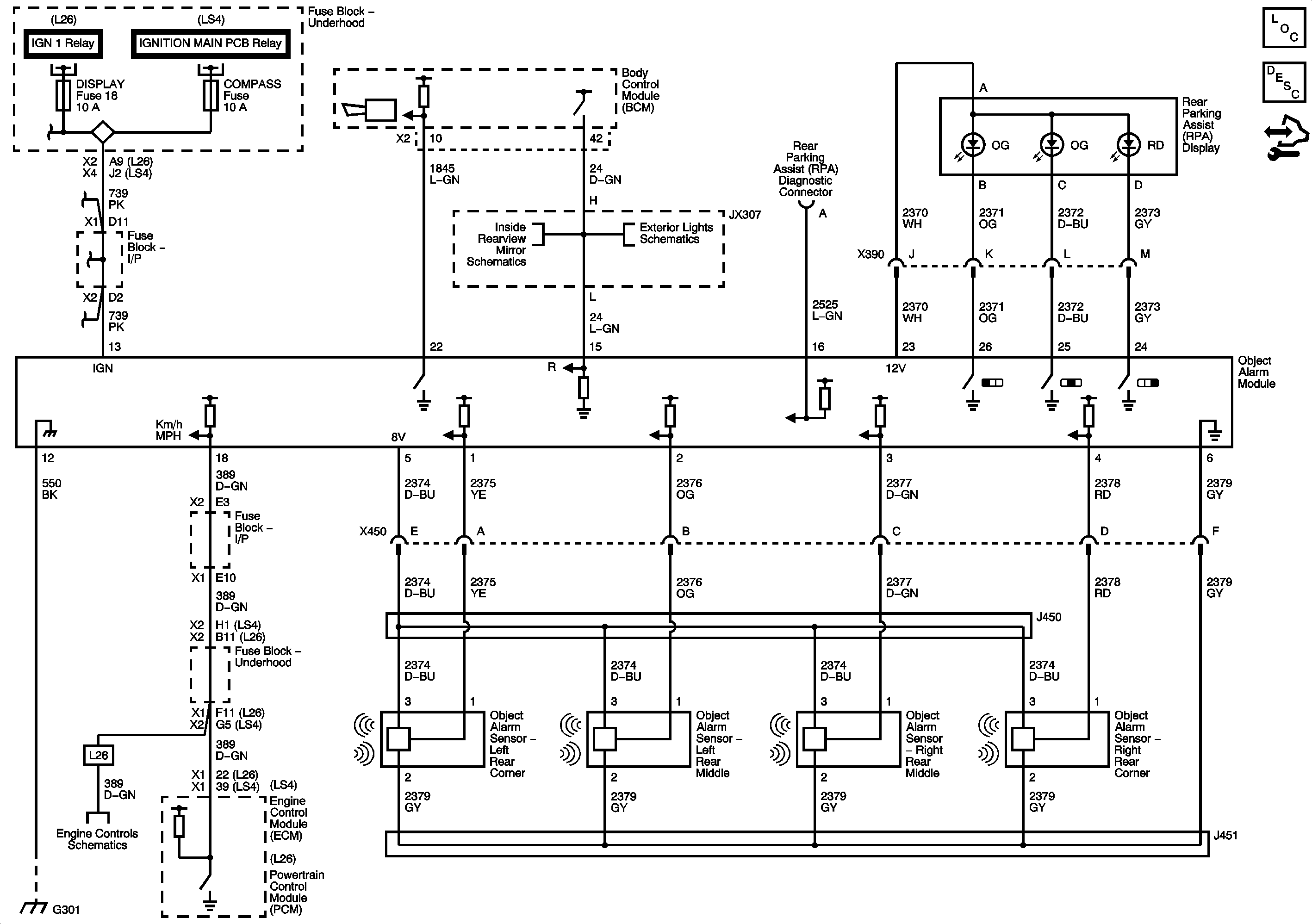
Object Detection
🢒 Object Detection Schematics