GM Service Manual Online
For 1990-2009 cars only
Figure 1:

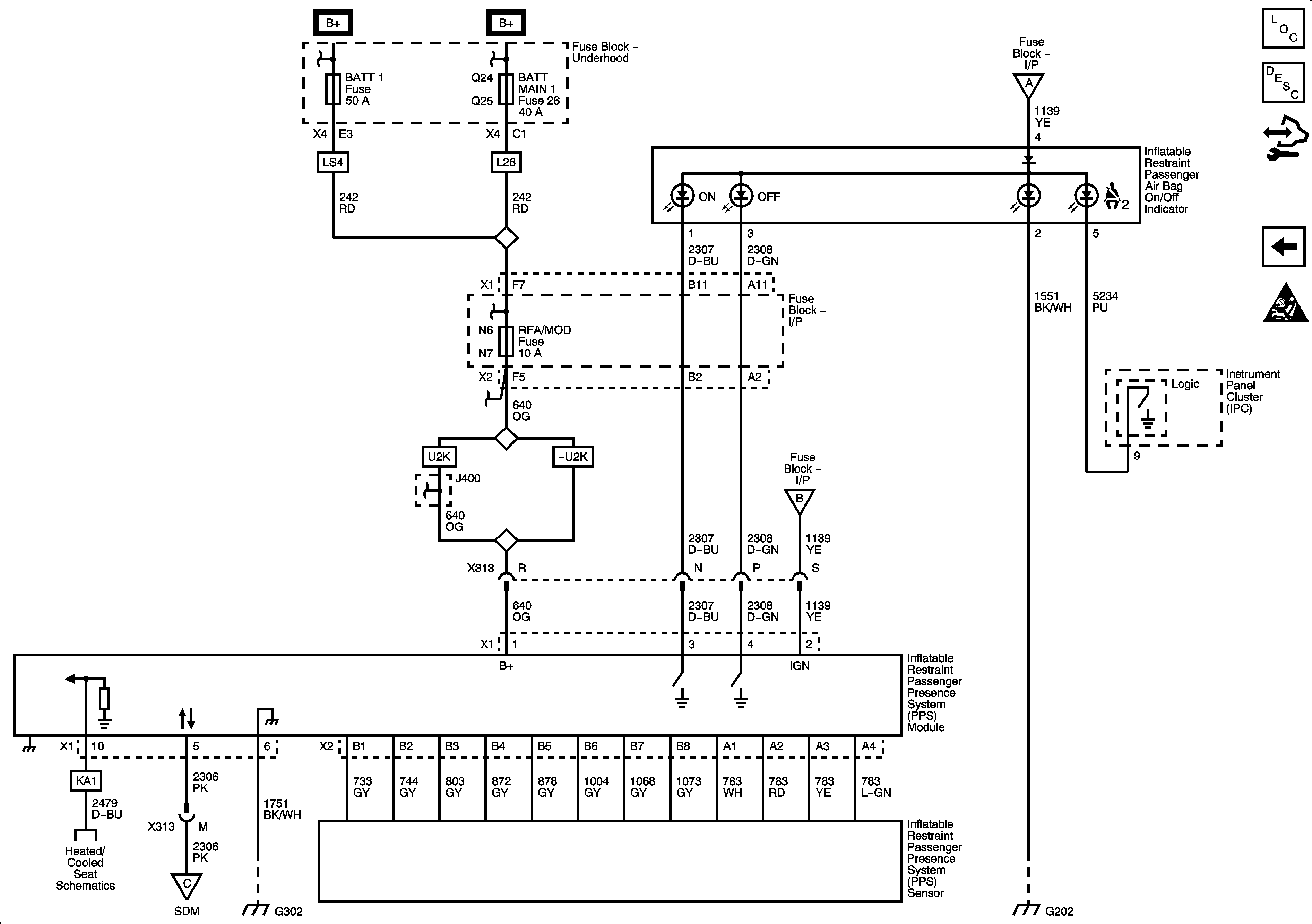
Power Ground, Serial Data, Indicators, Sensors, and References


Object Number: 2082290  Size: FS
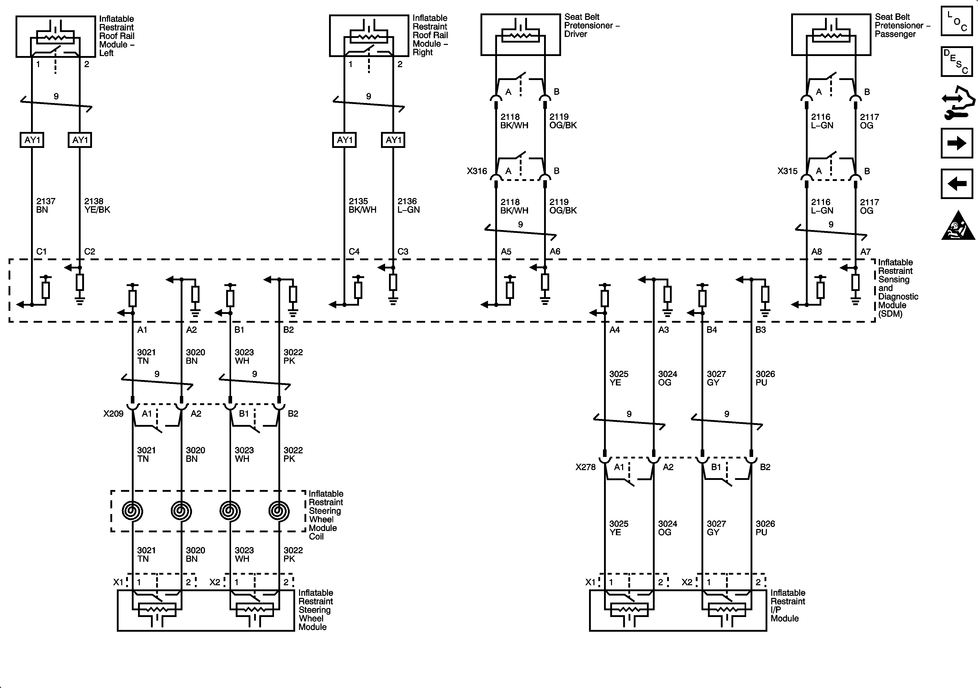
Figure 2:

Air Bag Modules and Seat Belt Pretensioners


Object Number: 2082289  Size: FS
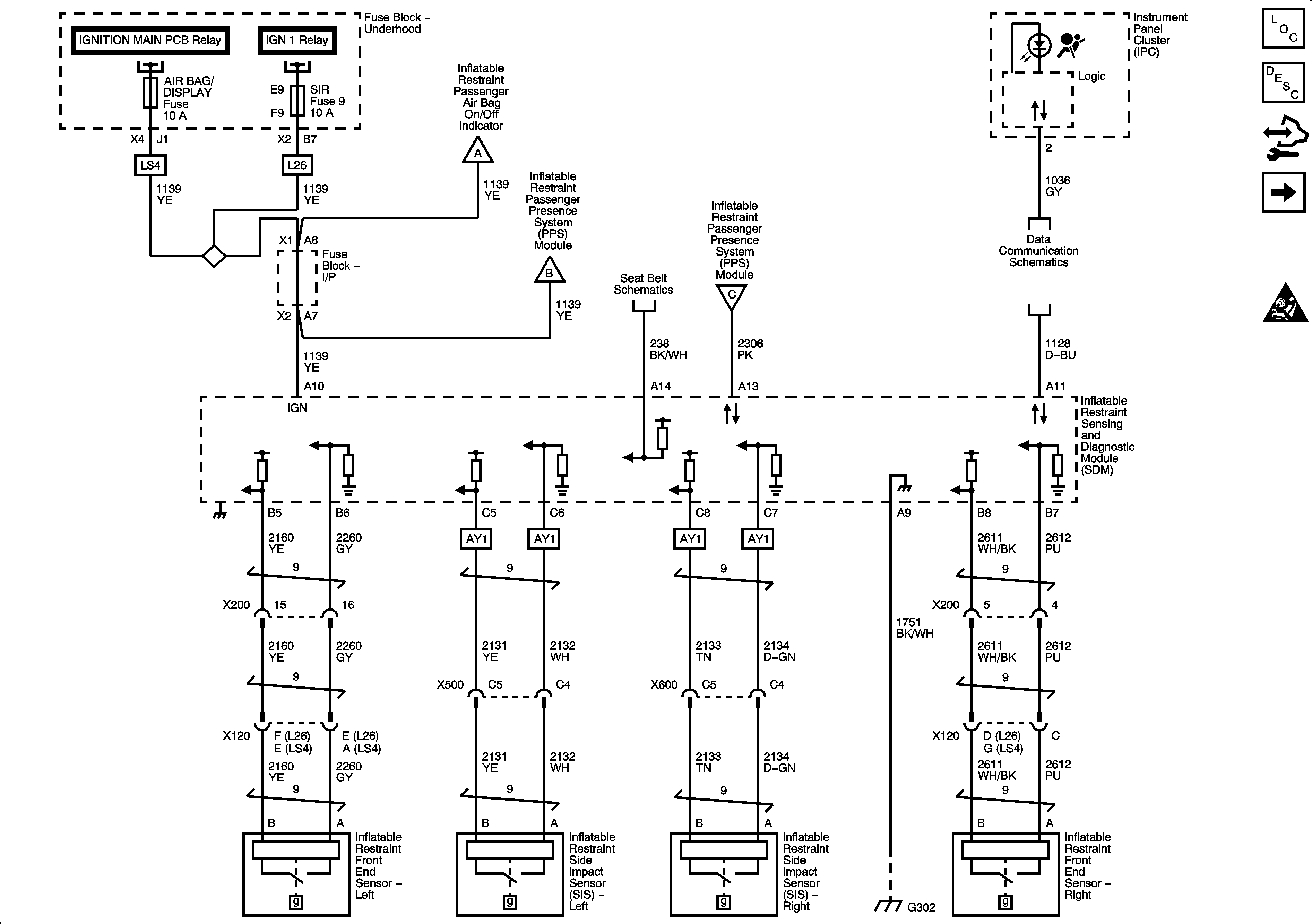
Figure 3:

Passenger Presence System


Object Number: 2082291  Size: FS