GM Service Manual Online
For 1990-2009 cars only

SERVICE MANUAL UPDATE SEC. 8A A/C COMPRESSOR CONTROLS

SUBJECT: SERVICE MANUAL UPDATE - SECTION 8A ELECTRICAL DIAGNOSIS A/C COMPRESSOR CONTROLS (REVISED WIRING)

MODELS AFFECTED: 1991 CENTURY MODELS WITH 3300 ENGINE (VIN N)

SERVICE MANUAL UPDATE

SECTION 8A

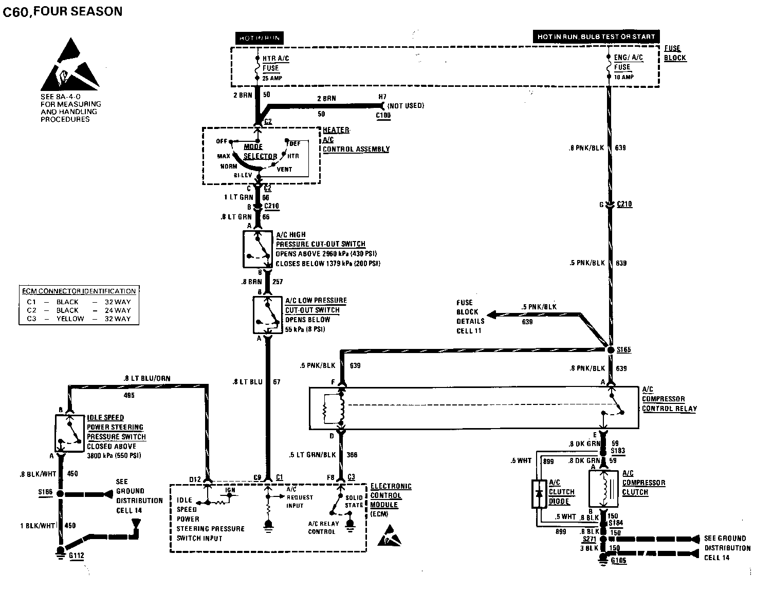
The attached changes were made to A/C compressor control wiring for the 1991 Century model with 3300 (VIN Code N) engine and C60 option.

Please note this information in your Service Manual - Section 8A-64-2, page 8A-64-7.

C60, MANUAL-V6 VIN N

If both voltages are correct, replace the A/C Compressor Clutch.

1. Check for an open in the DK GRN (59) wire. 2. Check for an open in the BLK (150) wire.

C: A/C COMPRESSOR FUNCTION CONTROL TEST --------------------------------------- Measure: VOLTAGE At: HEATER-A/C CONTROL ASSEMBLY CONNECTOR C2 (Connected) Conditions: o Ignition Switch: RUN (Engine not running) o Mode Selector: OFF o Temperature Outside Car: ABOVE 16 C (60 F)

Measure Correct For Diagnosis Between Voltage ---------- -------- --------------- E (BRN) & Battery See 1 Ground

C (LT GRN)& Ground 0 Volts See 2

o Mode Selector: MAX, NORM, BI-LEV & DEF

C (LT GRN) Ground Battery See 3

o If all voltages are correct, go to C1.

1. Check for an open at the HTR A/C Fuse or the BRN (50) wire. 2. Check LT GRN (66) wire for a short to voltage. If OK, replace Mode Selector. 3. Replace Mode Selector.

C1. Measure the voltage at terminal E of the A/C Compressor Control Relay with a fused jumper connected across the terminals of the A/C Low Pressure Cut-Out Switch connector (disconnected).

o If battery voltage is not present, go to C2.

o If battery voltage is present, refer to Section 1B to check for normal refrigerant pressure. If the refrigerant pressure is normal, replace the A/C Low Pressure Cut-Out Switch.

C2. With a fused jumper connected across the terminals of the A/C High Pressure Cut-Off Switch connector (disconnected), measure the voltage at terminal E of the A/C Compressor Control Relay.

o If battery voltage is present, replace the A/C High Pressure Cut-Off Switch.

o If battery voltage is not present, check the wiring between the switches back to the Heater A/C Control Assembly (see schematic).

SYSTEM DIAGNOSIS

V6 VIN N Use the isolation Tests below to choose the proper diagnostic tests.

Tests follow the isolation Test.

ISOLATION TEST (TABLE 1)

Measure: VOLTAGE At: A/C COMPRESSOR CONTROL RELAY CONNECTOR (Disconnected) Conditions: o Ignition Switch: RUN (Engine not running) o Mode Selector: NORM o Temperature Outside Car: ABOVE 16 C (60 F)

Measure Correct For Diagnosis Between Voltage ------------ ------- ------------- A (PNK/BLK) Battery If battery & Ground voltage is not present,check the ENG/A/C Fuse and

F (PNK/BLK) Battery PNK/BLK & Ground (639) wires for an open

o If both voltages are correct, leave the A/C Compressor Control Relay disconnected and go to Table 2.

ISOLATION TEST (TABLE 2)

Connect: FUSED JUMPER At: A/C COMPRESSOR CONTROL RELAY CONNECTOR (Disconnected) Conditions: o Ignition Switch: RUN (Engine not running) o A/C Mode: NORM o Temperature Outside Car: Above 16 C (60 F)


Object Number: 74916  Size: FS

General Motors bulletins are intended for use by professional technicians, not a "do-it-yourselfer". They are written to inform those technicians of conditions that may occur on some vehicles, or to provide information that could assist in the proper service of a vehicle. Properly trained technicians have the equipment, tools, safety instructions and know-how to do a job properly and safely. If a condition is described, do not assume that the bulletin applies to your vehicle, or that your vehicle will have that condition. See a General Motors dealer servicing your brand of General Motors vehicle for information on whether your vehicle may benefit from the information.