GM Service Manual Online
For 1990-2009 cars only
Makes
🢒
Buick
🢒
1996
🢒
Century
🢒
Transmission/Transaxle
🢒
Automatic Transaxle - 3T40
🢒 Automatic Transmission Controls Schematics
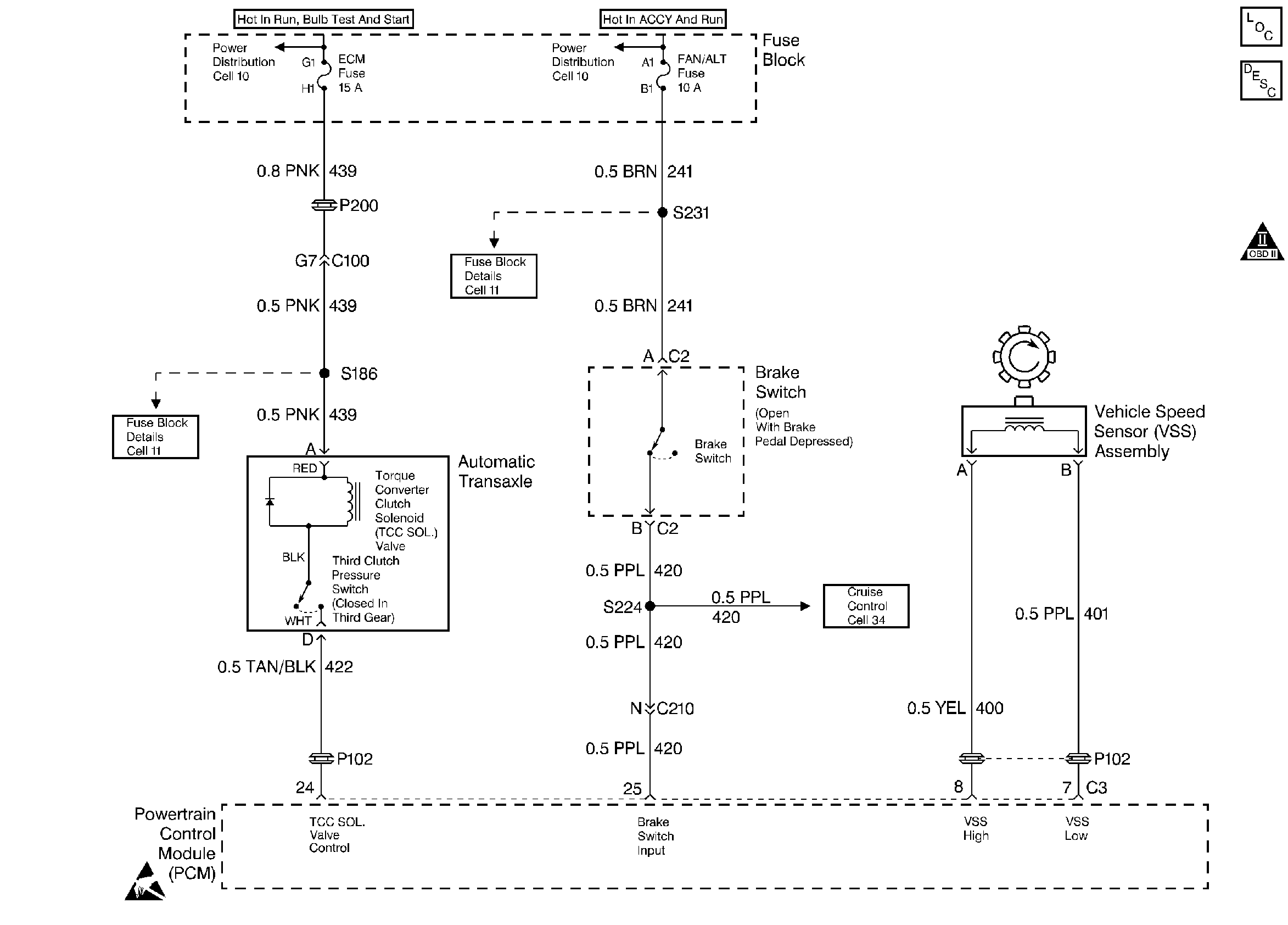
Brake Switch, TCC Sol. Valve, and VSS
Automatic Transmission Components
Transmission Component and System Description
OBD II Symbol Description Notice
Handling ESD Sensitive Parts Notice
Automatic Transmission Schematic References
Automatic Transmission Schematic References
Automatic Transmission Schematic References
Automatic Transmission Schematic References