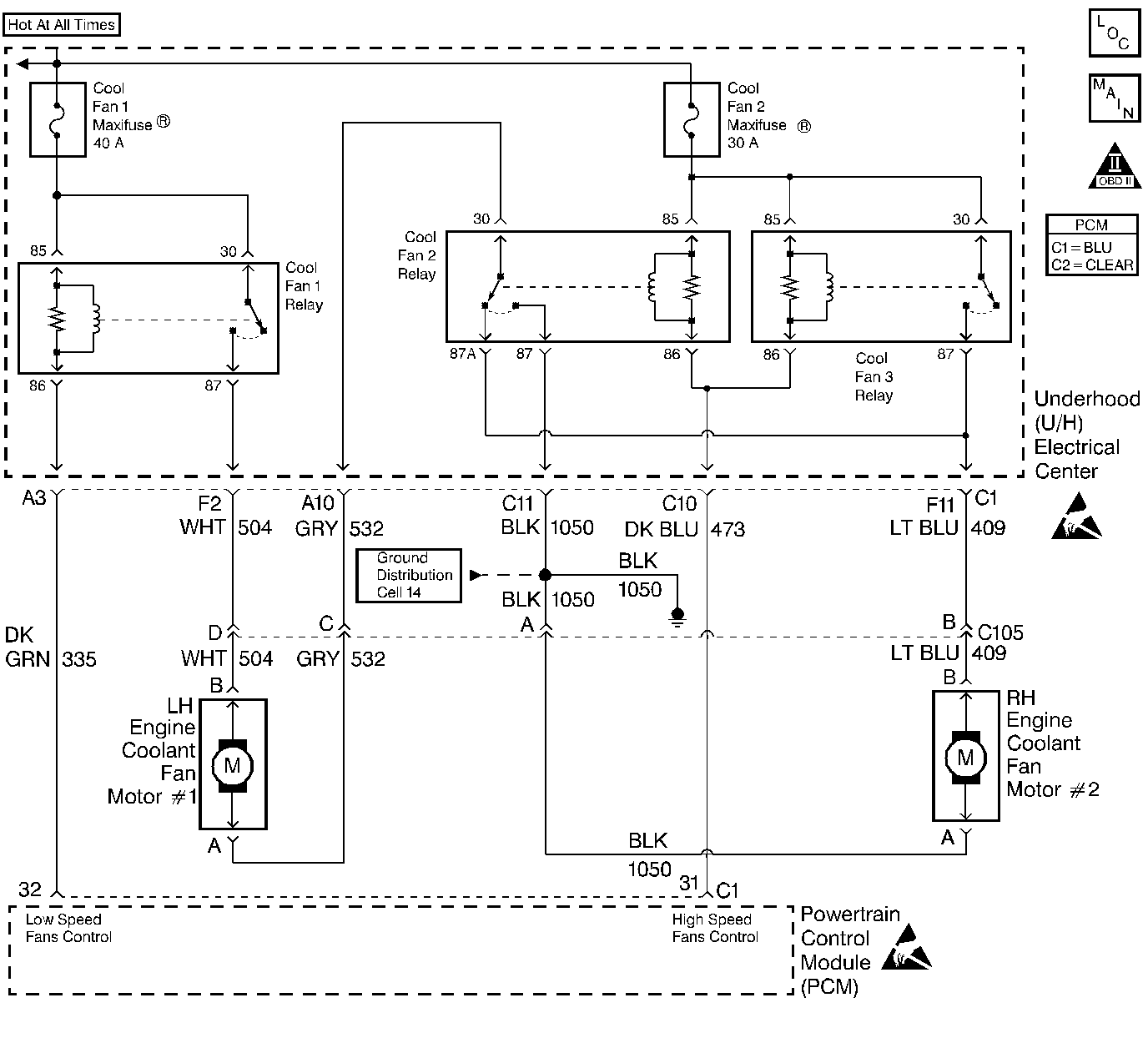
Output Driver Modules (ODMs) are used by the PCM to turn on many of the current-driven devices that are needed to control various engine and Transaxle functions. Each ODM is capable of controlling up to 7 separate outputs by applying ground to the device which the PCM is commanding ON. Unlike the Quad Driver Modules (QDMs) used in prior model years, ODMs have the capability of diagnosing each output circuit individually. DTC P1651 set indicates an improper voltage level has been detected on ODM B output 1, which controls the Fan 1 relay.
| • | The ignition is ON. |
| • | An improper voltage level has been detected on ODM B output 1 (the Fan 1 relay control circuit). |
| • | The above conditions present for at least 30 seconds. |
| • | The PCM will illuminate the MIL during the second consecutive trip in which the diagnostic test has been run and failed. |
| • | The PCM will store conditions which were present when the DTC set as Freeze Frame and Fail Records data. |
| • | The PCM will turn the MIL OFF during the third consecutive trip in which the diagnostic has been run and passed. |
| • | The history DTC will clear after 40 consecutive warm-up cycles have occurred without a malfunction. |
| • | The DTC can be cleared by using the scan tool Clear Info function or by disconnecting the PCM battery feed. |
Check for the following conditions:
| • | Poor connection at the PCM. Inspect harness connectors for backed out terminals, improper mating, broken locks, improperly formed or damaged terminals, and poor terminal to wire connection. |
| • | Damaged harness. Inspect the wiring harness for damage. |
| • | If the harness appears to be OK, disconnect the PCM, turn the ignition ON and observe a voltmeter connected between the Fan 1 control circuit and ground at the PCM harness connector while moving connectors and wiring harnesses related to the Fan 1 relay. A change in voltage will indicate the location of the malfunction. |
Reviewing the Fail Records vehicle mileage since the diagnostic test last failed may help determine how often the condition that caused the DTC to be set occurs. This may assist in diagnosing the condition.
Number(s) below refer to the step number(s) on the Diagnostic Table.
Step | Action | Value(s) | Yes | No |
|---|---|---|---|---|
1 | Was the On-Board Diagnostic (OBD) System Check performed? | -- | ||
2 | Does fan 1 run continuously? | -- | ||
3 |
Is the test light ON? | -- | ||
4 | Locate and repair the short to ground in the Low Speed Fans control circuit (CKT 335). Refer to Repair Procedures in Electrical Diagnosis. Is action complete? | -- | -- | |
5 |
Does the DMM display a voltage near the specified value? | B+ | ||
6 |
Does the DMM display a current reading within the specified values? | 0.1-1.5 Amps | ||
7 |
Does the test light flash? | -- | Refer to Diagnostic Aids | |
8 |
Is the test light ON? | -- | ||
9 |
Does the DMM display a voltage near the specified value? | B+ | ||
10 |
Was a problem found? | -- | ||
11 |
Does the DMM display a voltage near the specified value? | 0V | ||
12 |
Was a problem found? | -- | ||
13 | Locate and repair open in the battery positive feed to the Cool fan 1 relay. Refer to Repair Procedures in Electrical Diagnosis. Is action complete? | -- | -- | |
14 | Locate and repair the open in the Low Speed Fans control circuit. Refer to Repair Procedures in Electrical Diagnosis. Is action complete? | -- | -- | |
15 | Replace the Cool fan 1 relay. Is action complete? | -- | -- | |
16 | Locate and repair the short to voltage in the Low Speed Fans control circuit. Refer to Repair Procedures in Electrical Diagnosis. Is action complete? | -- | -- | |
Replace the PCM. Important: Replacement PCM must be programmed. Refer to Powertrain Control Module Replacement/Programming . Is action complete? | -- | -- | ||
18 |
Does the scan tool indicate DTC P1651 failed this ign? | -- | System OK |