GM Service Manual Online
For 1990-2009 cars only
Table 1: Transaxle Range Switch Valid Input Combinations
Table 2: DTC P0706 - Transaxle Range Switch Performance

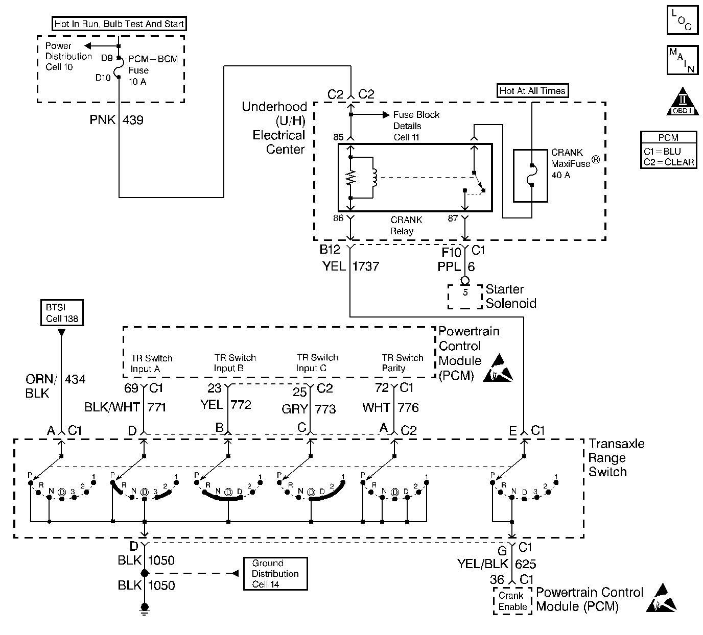
Object Number: 106274  Size: LF
Engine Controls Components Component Locations
Transaxle Range Switch
OBD II Symbol Description Notice

Circuit Description

The Transaxle Range Switch is part of the Transaxle Park/Neutral Position (PNP) switch mounted on the transaxle manual shaft. The four inputs from the transaxle range switch indicate to the PCM which position is selected by the Transaxle selector lever. This information is used for ignition timing, EVAP canister purge, EGR and IAC valve operation. The combination of the four transaxle range input states determine the PCM commanded shift pattern. The input voltage level at the PCM is high (B+) when the transaxle range switch is open and low when the switch is closed to ground. The state of each input is represented on the scan tool as High=high voltage level, Low=low voltage level. The four parameters represent transaxle range switch Parity, A, B, and C inputs respectively.

A problem with the transaxle range switch adjustment which causes the PCM to detect vehicle startup while a gear position other than Park or Neutral is selected will set DTC P0706.

Transaxle Range Switch Valid Input Combinations

Gear Selector Position

Scan Tool Trans Range PABC Display

X=High

0=Low

P

A

B

C

Park (P)

Low

Low

High

High

Reverse (R)

High

Low

Low

High

Neutral (N)

Low

High

Low

High

Drive4 (OD)

High

High

Low

Low

Drive3 (3)

Low

Low

Low

Low

Drive2 (2)

High

Low

High

Low

Drive 1 (1)

Low

High

High

Low

Conditions for Running the DTC

The system voltage (Ignition 1) is greater than 9 volts.

Conditions for Setting the DTC

    • The Transaxle Range Switch inputs indicate a gear position other than Park or Neutral during startup.
    • The above conditions are present for 3 consecutive startups.

Action Taken When the DTC Sets

    • The PCM will use a D4 shift pattern to control transaxle shifting. The PCM commanded shift pattern can be overridden by the manual valve position.
    • The PCM will not illuminate the Malfunction Indicator Lamp (MIL).
    • The PCM will store conditions which were present when the DTC set as Fail Records data only. This information will not be stored as Freeze Frame data.

Conditions for Clearing the MIL/DTC

    • A history DTC will clear after 40 consecutive warm-up cycles have occurred without a malfunction.
    • DTC can be cleared by using the scan tool Clear Info function or by disconnecting the PCM battery feed.

Diagnostic Aids

DTC P0706 set indicates a misadjusted Park Neutral Position / Transaxle Range Switch.

Important:: Vehicle should not be driven with transaxle range switch disconnected, as idle quality will be affected.

Reviewing the Fail Records vehicle mileage since the diagnostic test last failed may help determine how often the condition that caused the DTC to be set occurs. This may assist in diagnosing the condition.

Test Description

Number(s) below refer to the step number(s) on the Diagnostic Table.Procedures in Powertrain Control Module (PCM) and Sensors.

  1. This vehicle is equipped with a PCM which utilizes an Electrically Erasable Programmable Read Only Memory (EEPROM). When the PCM is being replaced, the new PCM must be programmed.

DTC P0706 - Transaxle Range Switch Performance

Step

Action

Value(s)

Yes

No

1

Was the Powertrain On-Board Diagnostic (OBD) System Check performed?

--

Go to Step 2

Go to the Powertrain On Board Diagnostic (OBD) System Check

2

Is DTC P0705 also set?

--

Go to DTC P0705 Trans Range Switch Circuit

Go to Step 3

3

  1. Turn ON the ignition switch.
  2. Select park transaxle position.
  3. Observe the scan tool Trans Range display.

Does Trans Range display indicate P-N?

--

Go to Step 4

Go to Step 5

4

  1. Select neutral transaxle position.
  2. Observe scan tool Trans Range display.

Does Trans Range display indicate P-N?

--

Go to Diagnostic Aids

Go to Step 5

5

Observe the scan tool TR P A B C display.

Does scan tool TR P A B C display the specified values?

P=Low

A=Low

B=Low

C=Low

Go to Step 6

Go to Step 8

6

  1. Disconnect the Transaxle Range switch 4-wire connector.
  2. Observe the scan tool TR P A B C display.

Does scan tool TR P A B C display the specified values?

P=Low

A=Low

B=Low

C=Low

Go to Step 7

Go to Step 8

7

  1. Turn OFF the ignition switch.
  2. Disconnect the PCM.
  3. Check the Transaxle Range input wiring for being pinched or otherwise shorted to ground.
  4. If a problem is found, repair as necessary. Refer to Repair Procedures in Electrical Diagnosis.

Was a problem found?

--

Go to Step 12

Go to Step 11

8

  1. Attempt to adjust the transaxle range switch. Refer to 4T65-E Transaxle On-Vehicle Service .
  2. Recheck the Trans Range scan tool display with Park and Neutral selected.

Does the scan tool display P-N with Park and Neutral selected?

--

Go to Step 12

Go to Step 9

9

  1. Check for crossed wires to the Transaxle Range switch 4 wire connector.
  2. If a problem is found, repair as necessary. Refer to Repair Procedures in Electrical Diagnosis.

Was a problem found?

--

Go to Step 12

Go to Step 10

10

Replace the Transaxle Range switch. Refer to 4T65-E Transaxle On-Vehicle Service .

Is action complete?

--

Go to Step 12

--

11

Replace the PCM.

Important:: The replacement PCM must be programmed. Refer to Powertrain Control Module Replacement/Programming .

Is action complete?

--

Go to Step 12

--

12

  1. Clear DTCs.
  2. Observe the scan tool TR P A B C display while selecting each gear position.
  3. Compare the scan tool display with each gear position selected to the Transaxle Range Switch Valid Combinations Table.

Does the scan tool display match the Transaxle Range Switch Valid Combinations table in each gear position?

--

System OK

Go to Step 2