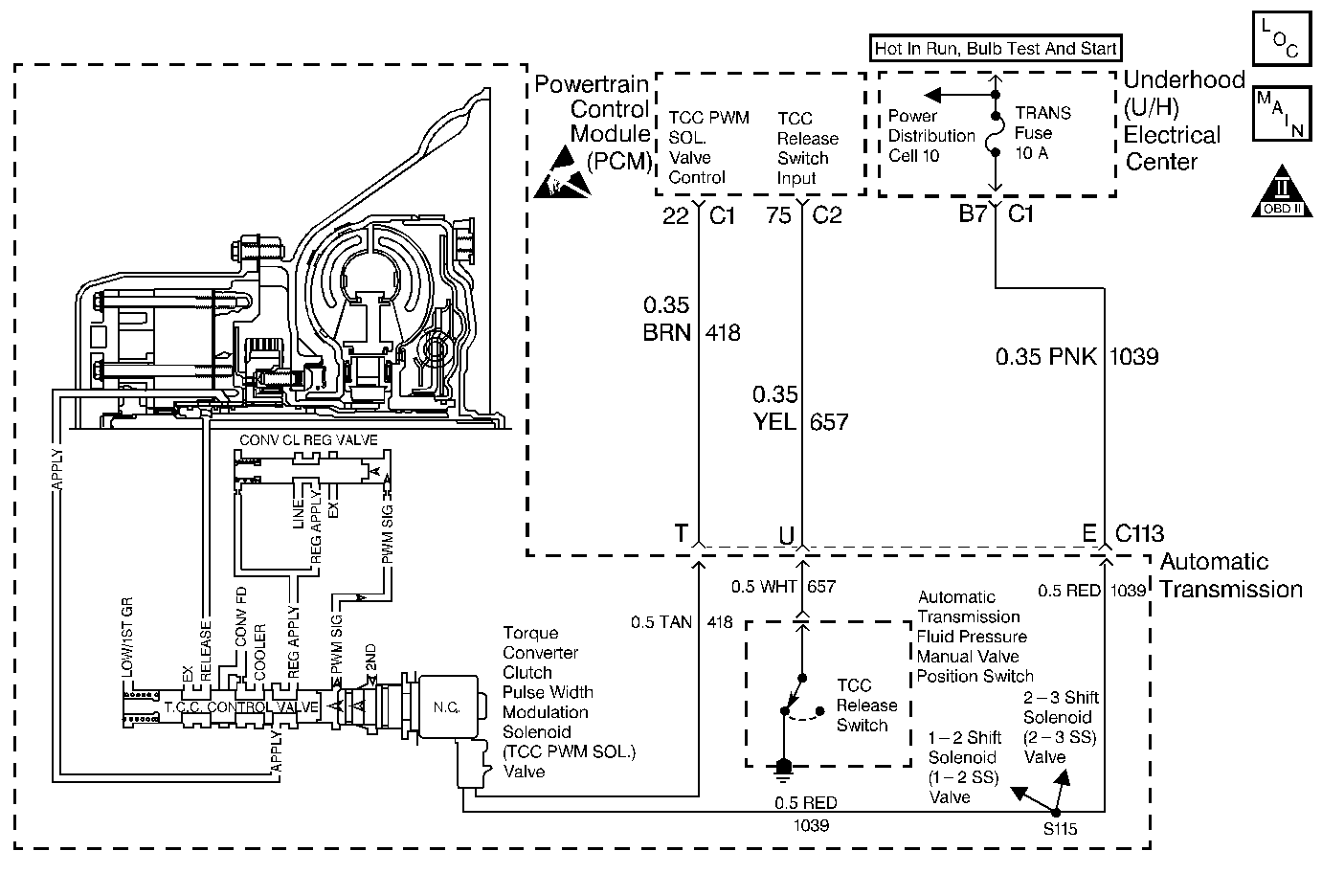
The Torque Converter Clutch (TCC) release switch is part of the Automatic Transmission Fluid Pressure Manual Valve Position Switch (TFP Val. Position Sw.). The TFP Val. Position Sw. is mounted to the transmission valve body.
The TCC release switch is a normally-closed switch. The switch signals the Powertrain Control Module (PCM) that the TCC is released. Torque converter release fluid pressure acts on the switch contact, opening circuit 657. When the voltage on the circuit is high, the PCM recognizes that the TCC is no longer engaged.
If the PCM detects that the TCC release switch is closed when the TCC is commanded OFF, then DTC P0742 sets. DTC P0742 is a type A DTC.
| • | No TP DTCs P0121, P0122, or P0123 |
| • | No VSS DTCs P0502 or P0503 |
| • | No TCC PWM Sol. Valve DTC P1860 |
| • | No TCC Release DTC P1887 |
| • | The engine is running. |
| • | The TP is 14-45%. |
| • | The TCC is commanded OFF. |
| • | Not in fuel shut off. |
| • | The gear range change is greater than 3 seconds. |
| • | The TCC release switch is closed, on 6 occurrences. |
| • | All of the above conditions are met for 4 seconds. |
| • | The PCM illuminates the Malfunction Indicator Lamp (MIL). |
| • | The PCM disables shift adapts. |
| • | The PCM commands the TCC ON at maximum capacity. |
| • | The PCM turns OFF the MIL after three consecutive ignition cycles without a failure reported. |
| • | A scan tool can clear the DTC from the PCM history. The PCM clears the DTC from the PCM history if the vehicle completes 40 warm-up cycles without a failure reported. |
| • | The PCM cancels the DTC default actions when the fault no longer exists and the ignition is OFF long enough in order to power down the PCM. |
| • | Rapid fluctuation in line pressure could set DTC P0742. |
| • | Inspect for a pressure regulator problem. |
| • | Inspect for abnormal line pressure. |
| • | Inspect the wiring for poor electrical connections at the PCM. Inspect the wiring for poor electrical connections at the transmission 20-way connector. Look for the following conditions: |
| - | A bent terminal |
| - | A backed out terminal |
| - | A damaged terminal |
| - | Poor terminal tension |
| - | A chafed wire |
| - | A broken wire inside the insulation |
| • | When diagnosing for an intermittent short or open, massage the wiring harness while watching the test equipment for a change. |
| • | The customer may notice an engine stalling problem. |
The numbers below refer to the step numbers on the diagnostic table.
If release pressure is shown with the engine OFF, there could be an open in the circuit. This could cause DTC P1887 to set.
With the engine running, release pressure should be present. The TCC release switch should be open.
By disconnecting the transmission connector, the PCM should observe an open switch, indicating that the wiring is okay.
This step tests for a mechanical or hydraulic condition.
Step | Action | Value(s) | Yes | No | ||||||||||||
|---|---|---|---|---|---|---|---|---|---|---|---|---|---|---|---|---|
1 | Was the Powertrain On-Board Diagnostic (OBD) System Check performed? | -- | Go to OBD Powertrain On Board Diagnostic (OBD) System Check in Engine Controls | |||||||||||||
2 | Has the transmission fluid checking procedure been performed? | -- | Go to Transmission Fluid Check | |||||||||||||
Important: Before clearing the DTCs, use the scan tool in order to record the Freeze Frame and Failure Records for reference. The Clear Info function will erase the data. Is TCC release pressure present? | -- | Go to Diagnostic Aids | ||||||||||||||
Start and run the engine. Is TCC release pressure present? | -- | |||||||||||||||
Is TCC release pressure present? | -- | |||||||||||||||
6 |
Refer to Solenoids and Wiring Harness Replacement . Did you find and correct a condition? | -- | ||||||||||||||
7 |
Did you find and correct a condition? | -- | ||||||||||||||
8 |
Did you find a condition? | -- | ||||||||||||||
9 | Replace the TFP Manual Valve Position Switch. Refer to TFP Manual Valve Position Switch Replacement. Is the replacement complete? | -- | -- | |||||||||||||
Refer to Unit Repair. Did you find and correct a condition? | -- | -- | ||||||||||||||
11 | Replace the PCM. Refer to Powertrain Control Module Replacement/Programming in Engine Controls. Is the replacement complete? | -- | -- | |||||||||||||
12 | In order to verify your repair, perform the following procedure:
Has the test run and passed? | -- | System OK |