GM Service Manual Online
For 1990-2009 cars only
Makes
🢒
Buick
🢒
1998
🢒
Century
🢒
Body and Accessories
🢒
Lighting Systems
🢒 Backup Lamp Schematics
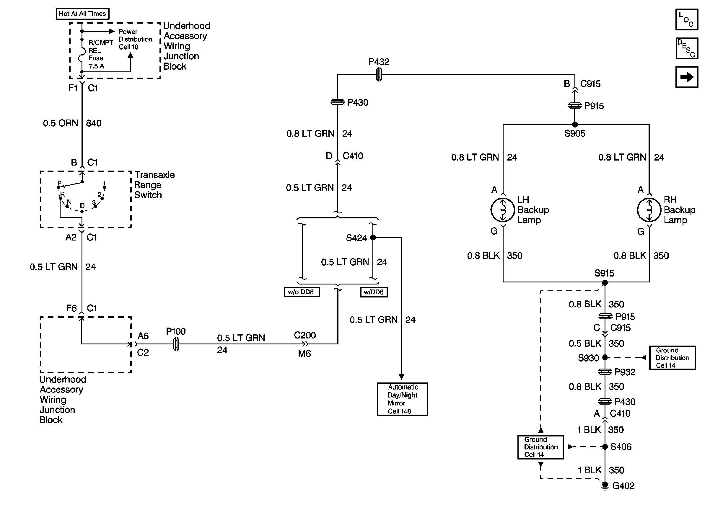
Cell 112: Transaxle Switch, Backup Lamps
Fuse Block Schematics
Automatic Day-Night Mirrors Schematics
Ground Distribution Schematics
Ground Distribution Schematics
Backup Lamp Circuit Description
Cell 112: Backup Lamps (VIN 1 and K)
Lighting Systems Components