GM Service Manual Online
For 1990-2009 cars only
Makes
🢒
Buick
🢒
1998
🢒
Century
🢒
Body and Accessories
🢒
Wiring Systems
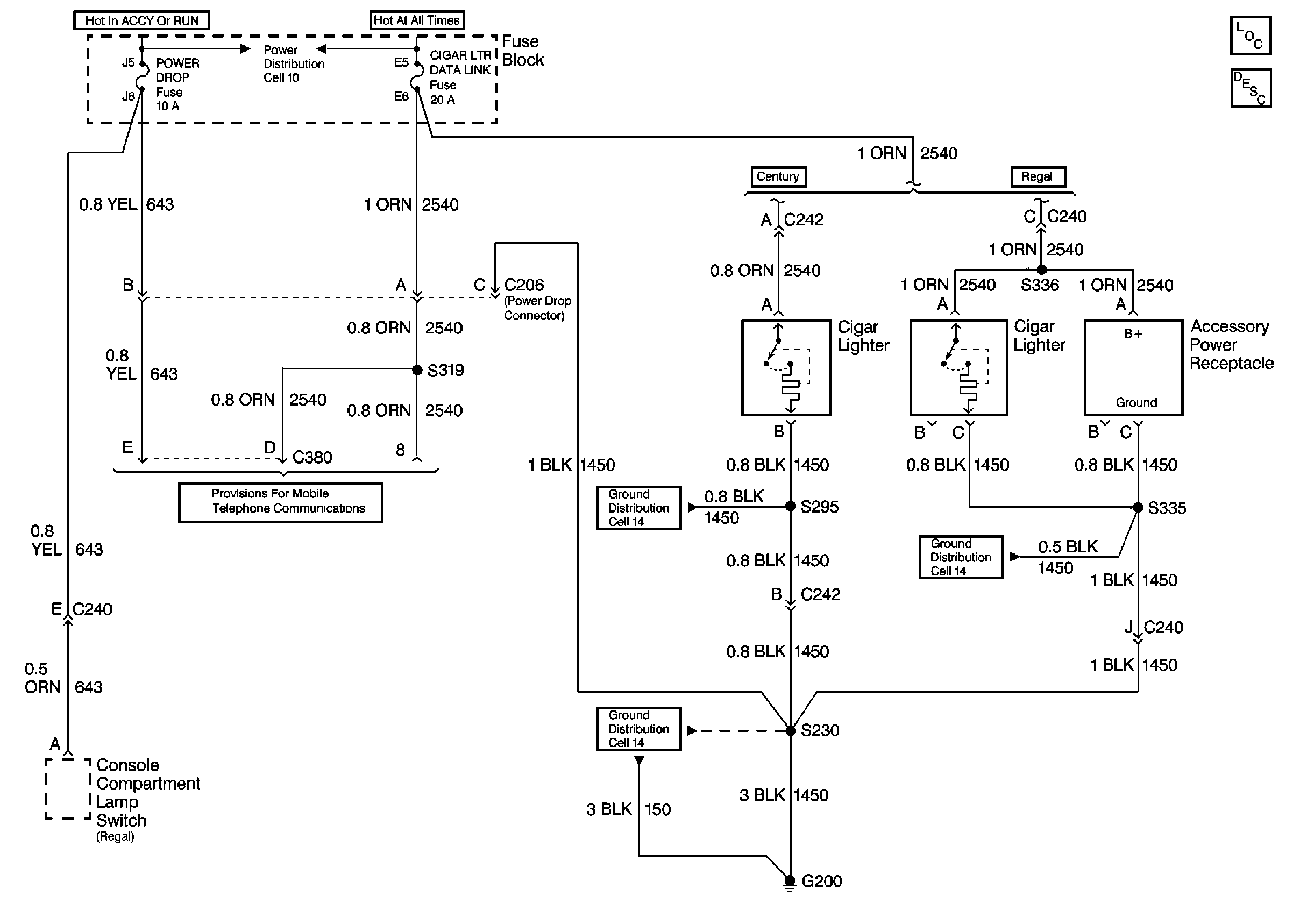
🢒 Cigar Lighter/Power Outlet Schematics
Cell 19
Power and Grounding Components
Cigar Lighter/Auxiliary Outlet Circuit Description
Cell 14: G200 (2 of 2)
Cell 14: G200 (1 of 2)
Cell 14: G200 (2 of 2)
Cell 11: WIPER, BCM ACC, POWER DROP, RADIO and STRG WHL CONT Fuses