GM Service Manual Online
For 1990-2009 cars only

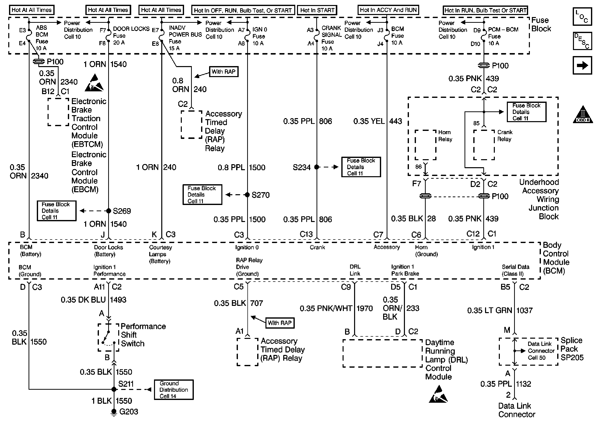
Cell 51: ABS/BCM, Door Locks, Inadv Pwr Bus, IGN 0, Crank Sig, and PCM-BCM Fuses


Object Number: 330838  Size: FS
Body Control System Circuit Description
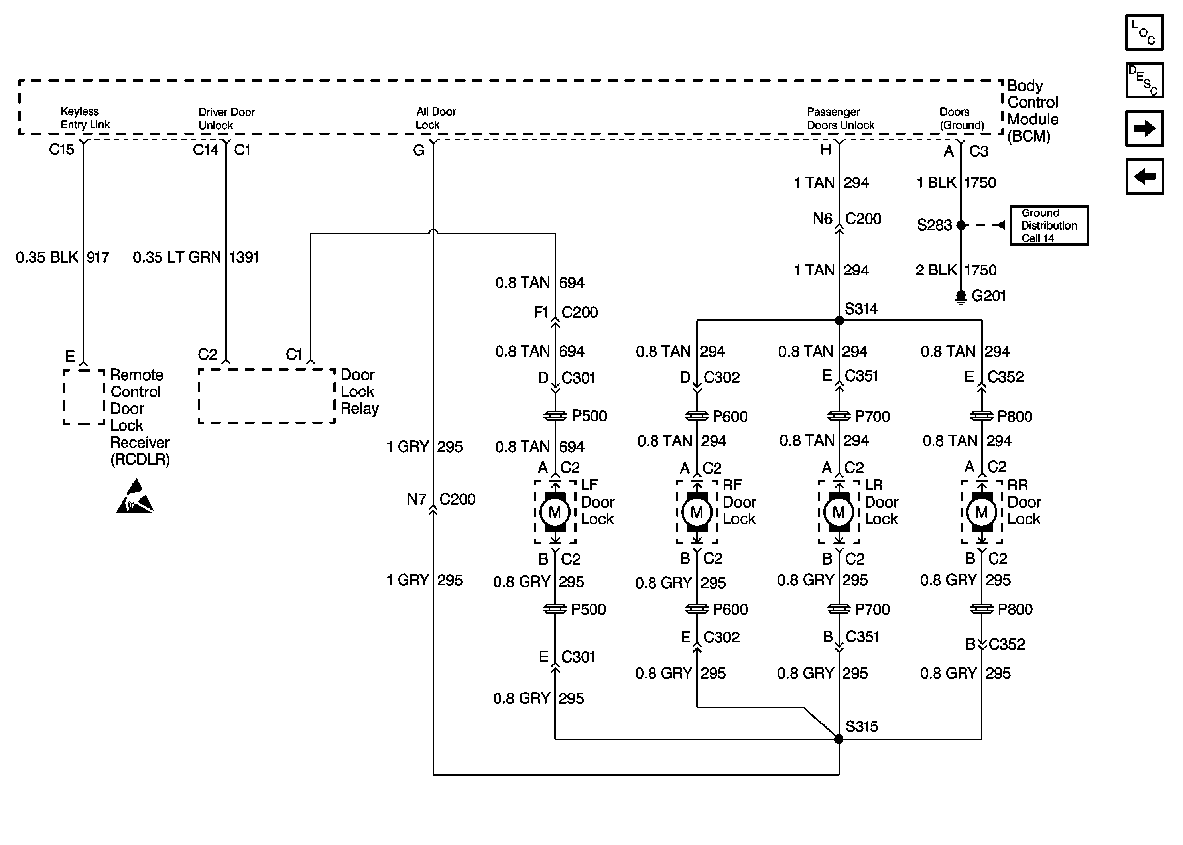
Cell 51: BCM Door Lock Switches and Door Locks
OBD II Symbol Description Notice
Handling ESD Sensitive Parts Notice
Power Distribution Schematics
Power Distribution Schematics
Fuse Block Schematics
Ground Distribution Schematics
Power Distribution Schematics
Fuse Block Schematics
Power Distribution Schematics
Handling ESD Sensitive Parts Notice
Fuse Block Schematics

Cell 51: BCM Door Lock Switches and Door Locks


Object Number: 330846  Size: FS
Body Control System Circuit Description
Cell 51: RCDLR, Door Lock Relay
Cell 51: ABS/BCM, Door Locks, Inadv Pwr Bus, IGN 0, Crank Sig, and PCM-BCM Fuses
Ground Distribution Schematics

Cell 51: RCDLR, Door Lock Relay


Object Number: 330850  Size: FS
Body Control System Circuit Description
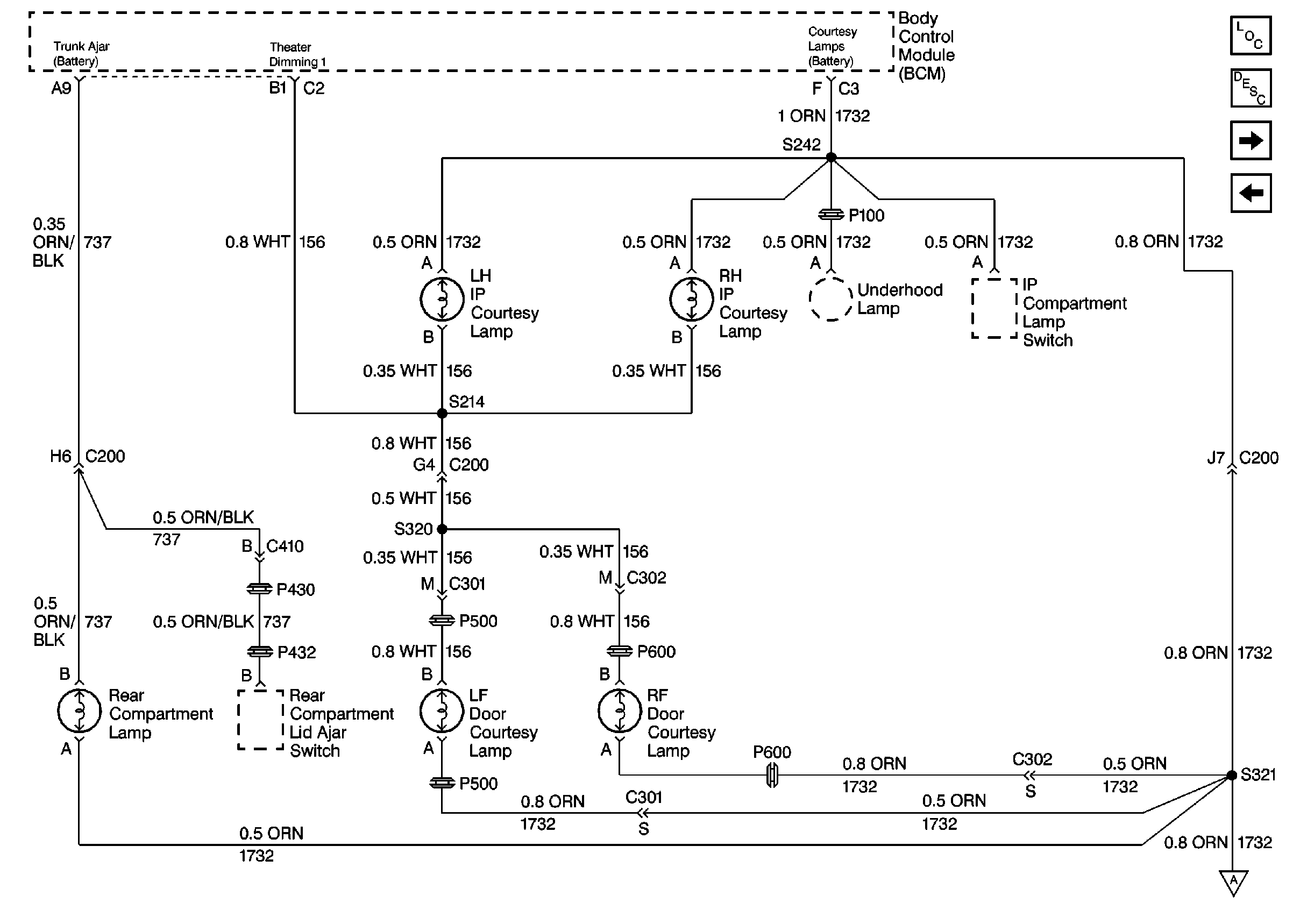
Cell 51: Courtesy and Underhood Lamps, IP Compartment Lamp Switch
Cell 51: BCM Door Lock Switches and Door Locks
Ground Distribution Schematics
Handling ESD Sensitive Parts Notice

Cell 51: Courtesy and Underhood Lamps, IP Compartment Lamp Switch


Object Number: 330853  Size: FS
Body Control System Circuit Description
Cell 51: Left Sunshade Mirror Lamp, Inside Rearview Mirrors (Day/Night-Lighted)
Cell 51: RCDLR, Door Lock Relay
Cell 51: Left Sunshade Mirror Lamp, Inside Rearview Mirrors (Day/Night-Lighted)

Cell 51: Left Sunshade Mirror Lamp, Inside Rearview Mirrors (Day/Night-Lighted)


Object Number: 330857  Size: FS
Cell 51: Courtesy and Underhood Lamps, IP Compartment Lamp Switch
Body Control System Circuit Description
Cell 51: Courtesy and Underhood Lamps, IP Compartment Lamp Switch
Ground Distribution Schematics
Interior Lights Schematics
Interior Lights Schematics