GM Service Manual Online
For 1990-2009 cars only
Makes
🢒
Buick
🢒
1998
🢒
Century
🢒
Body and Accessories
🢒
Instrument Panel, Gauges, and Console
🢒 Starting and Charging Schematics
Figure
1:
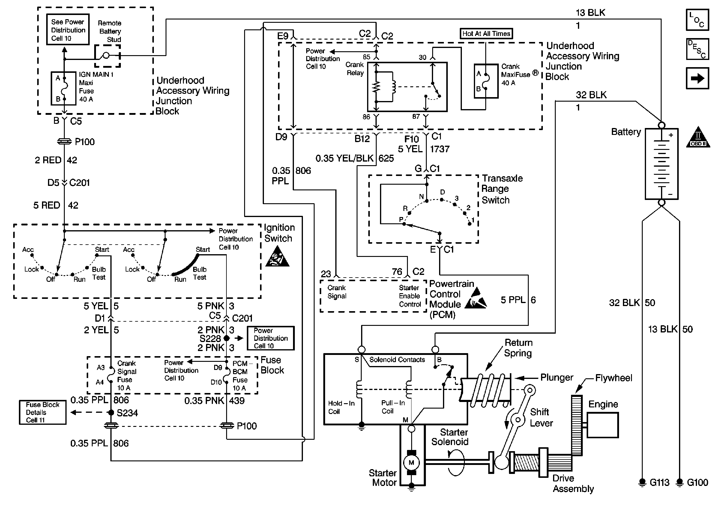
Starter Schematic
Engine Electrical Components
Starting System Circuit Description
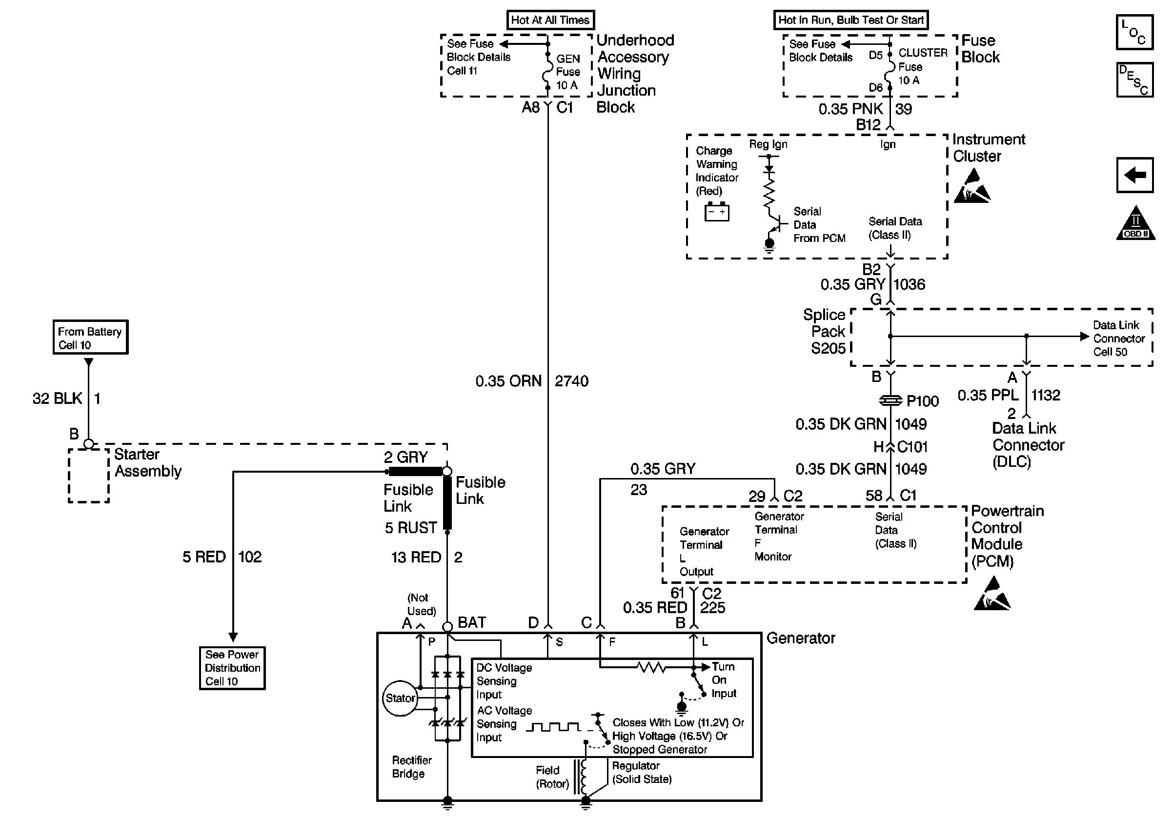
Charging Schematic
OBD II Symbol Description Notice
SIR Caution
Handling ESD Sensitive Parts Notice
Figure
2:
Charging Schematic
Engine Electrical Components
Charging System Circuit Description
Starter Schematic
OBD II Symbol Description Notice
Handling ESD Sensitive Parts Notice
Handling ESD Sensitive Parts Notice