GM Service Manual Online
For 1990-2009 cars only
Makes
🢒
Buick
🢒
1998
🢒
Century
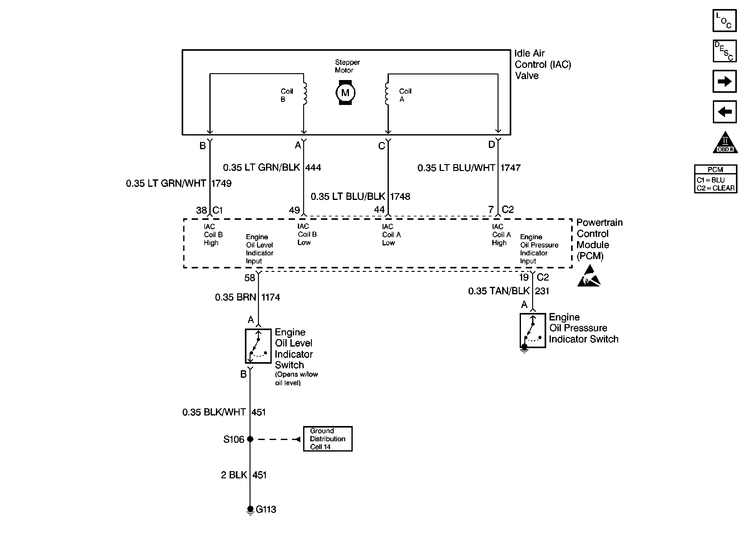
🢒 IAC, Engine Oil Level, Engine Oil Pressure
IAC, Engine Oil Level, Engine Oil Pressure
IAC, Engine Oil Level, Engine Oil Pressure
Engine Controls Components
Information Sensors/Switches Description
Transaxle Range Switch
Engine Data Sensors - HO2S 1, HO2S 2
OBD II Symbol Description Notice
Powertrain Control Module Connector End Views