GM Service Manual Online
For 1990-2009 cars only
Makes
🢒
Buick
🢒
1998
🢒
Century
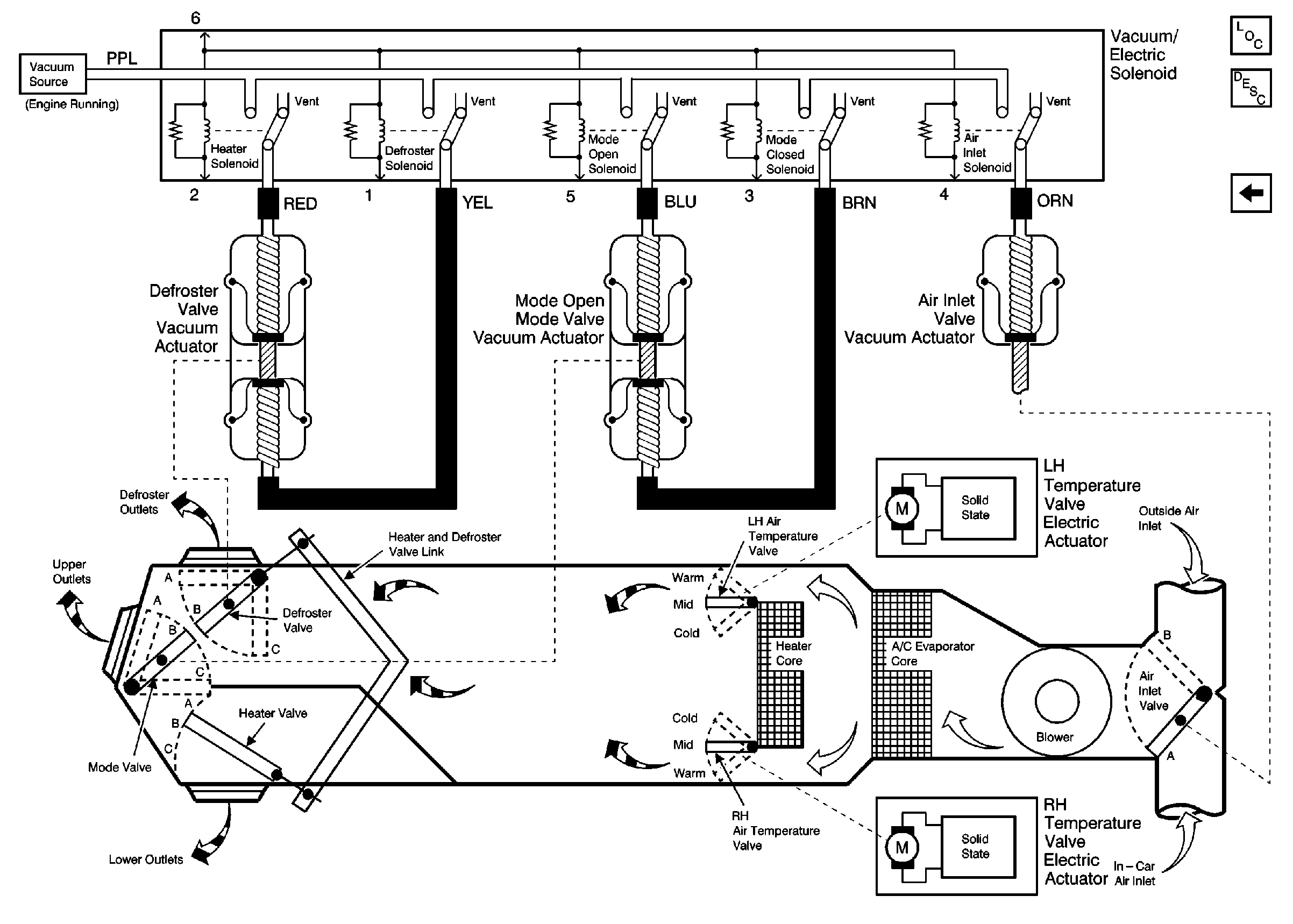
🢒 Cell 68: Air Delivery System
Cell 68: Air Delivery System
Cell 68: Air Delivery System
HVAC Components
HVAC Air Delivery/Temperature Control Circuit Description
Cell 68: Vacuum/Electric Solenoid