GM Service Manual Online
For 1990-2009 cars only

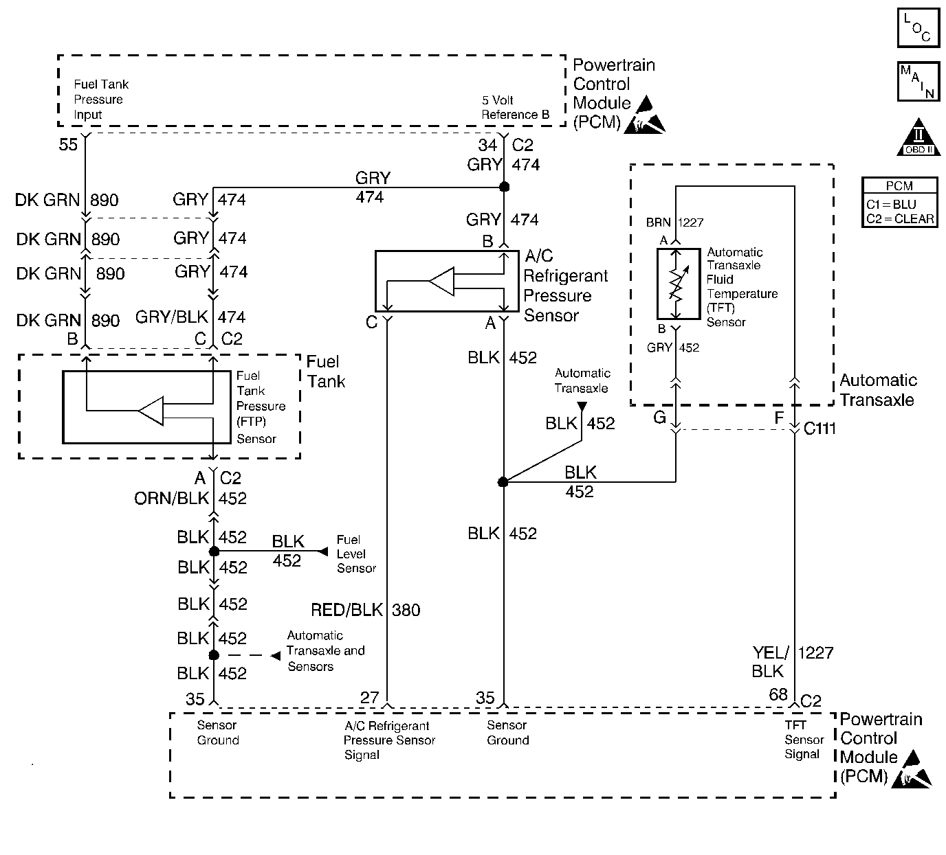
Object Number: 248244  Size: LF
Engine Controls Components
Engine Data Sensors - A/C Refrig Press, TP, MAP, ECT, IAT
OBD II Symbol Description Notice
Handling ESD Sensitive Parts Notice
Handling ESD Sensitive Parts Notice

Circuit Description

The PCM uses the 5 Volt Reference B circuit as a sensor feed to the following sensors:

    •  The A/C Pressure Sensor.
    •  The Fuel Tank Pressure Sensor.

The PCM monitors the voltage on the 5 Volt Reference B circuit. If the voltage is out of tolerance, the PCM will set DTC P1639.

Conditions for Setting the DTC

    •  The PCM detects a voltage out of tolerance condition on the 5 Volt Reference B circuit.
    •  Above condition for longer than 10 seconds.

Action Taken When the DTC Sets

    • The PCM will not illuminate the Malfunction Indicator Lamp (MIL).
    • The PCM will store conditions which were present when the DTC set as Fail Records data only. This information will not be stored as Freeze Frame data.

Conditions for Clearing the MIL/DTC

    • A history DTC will clear after 40 consecutive warm-up cycles have occurred without a malfunction.
    • DTC can be cleared by using the scan tool Clear Info function or by disconnecting the PCM battery feed.

Diagnostic Aids

Check for the following conditions:

    •  Inspect PCM and engine grounds for being secure and clean.
    •  Poor connection at PCM. Inspect harness connectors for backed out terminals, improper mating, broken locks, improperly formed or damaged terminals, and poor terminal to wire connection.
    •  Damaged harness. Inspect the wiring harness for damage. If the harness appears to be OK, observe the A/C pressure display on the scan tool while moving the connectors and wiring harnesses related to the following sensors:
       - The A/C Pressure sensor.
       - The Fuel Tank Pressure sensor.

Reviewing the Fail Records vehicle mileage since the diagnostic test last failed may help determine how often the condition that caused the DTC to be set occurs. This may assist in diagnosing the condition.

Test Description

Number(s) below refer to the step number(s) on the Diagnostic Table:

  1. This vehicle is equipped with a PCM which utilizes an Electrically Erasable Programmable Read Only Memory (EEPROM). When the PCM is being replaced, the new PCM must be programmed. Refer to Powertrain Control Module Replacement/Programming .

Step

Action

Value(s)

Yes

No

1

Was the Powertrain On Board Diagnostic (OBD) System Check performed?

--

Go to Step 2

Go to Powertrain On Board Diagnostic (OBD) System Check

2

Visually/physically check the PCM and engine grounds. Ensure that the grounds are clean and secure.

Was a problem found?

--

Go to Step 11

Go to Step 3

3

Select DTC info, Last Test Fail and note if any other DTCs are set.

Are there any EVAP codes set?

--

Go to Applicable DTC

Go to Step 4

4

  1. Turn the ignition off.
  2. Disconnect the PCM.
  3. Turn the ignition on.
  4. Measure voltage between the 5 volt reference B circuit and the PCM ground circuit at the PCM harness connector.

Is the voltage greater than the specified value indicated?

5.5V

Go to Step 5

Go to Step 8

5

Monitor DMM connected between the 5 volt reference B circuit and the PCM ground circuit while disconnecting the Fuel Tank pressure sensor, and A/C Pressure Sensor.

Is voltage greater than the specified value still indicated with the Fuel Tank pressure sensor, and A/C Pressure Sensor disconnected?

5.5V

Go to Step 6

Go to Step 7

6

  1. Turn the ignition off.
  2. Disconnect the PCM.
  3. Turn the ignition on.
  4. Check the 5 volt reference B circuit for a short to voltage.
  5. If a problem is found, repair as necessary. Refer to Wiring Repairs in Wiring Systems.

Was a problem found?

--

Go to Step 11

Go to Step 10

7

Locate and repair short to volt Fuel Tank or A/C pressure sensor signal circuit or ground circuit wiring. Refer to Wiring Repairs in Wiring Systems.

Is the action complete?

--

Go to Step 11

--

8

Is voltage less than the specified value indicated?

4.5V

Go to Step 9

Go to Step 10

9

  1. Turn the ignition off.
  2. Disconnect the PCM.
  3. Check the 5 volt reference B circuit for a short to ground.
  4. If a problem is found, repair as necessary. Refer to Testing for Short to Ground in Wiring Systems.

Was a problem found?

--

Go to Step 11

Go to Step 10

10

Replace PCM.

Important: :  Replacement PCM must be programmed Refer to Powertrain Control Module Replacement/Programming PCM Replacement/Programming.

Is the action complete?

--

Go to Step 11

--

11

  1. Review and record scan tool Fail Records data.
  2. Clear DTCs.
  3. Operate vehicle within Fail Records conditions as noted.
  4. Using a scan tool, monitor Specific DTC info for DTC P1639 until the DTC P1639 test runs.

Note test result, does scan tool indicate DTC P1639 failed this ignition?

--

Go to Step 2

Repair complete