GM Service Manual Online
For 1990-2009 cars only
Makes
🢒
Buick
🢒
1999
🢒
Century
🢒
Body and Accessories
🢒
Cellular Communication
🢒 Cellular Telephone Schematics
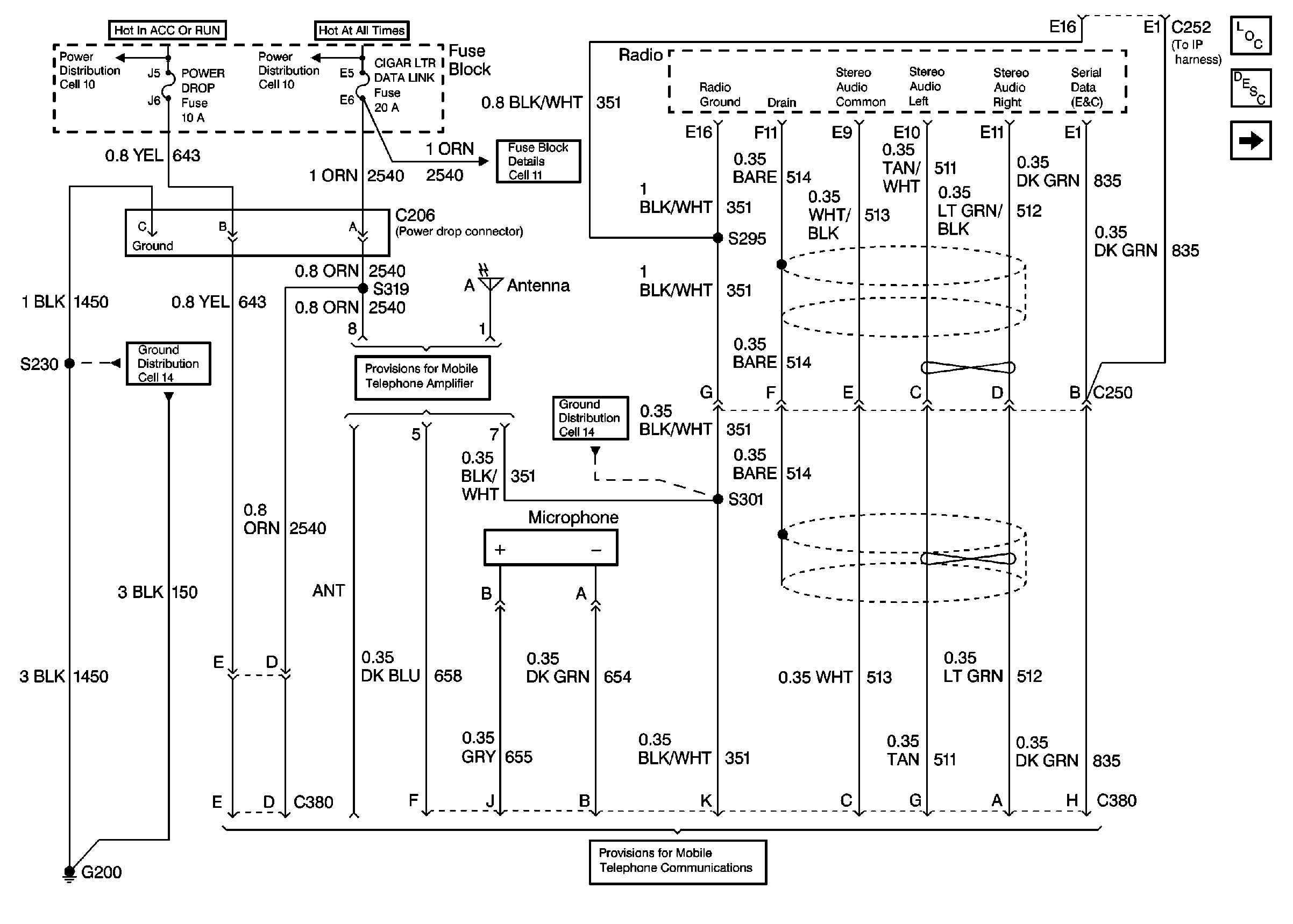
Figure
1:
Cell 153: Power, Ground, Radio
Cellular Communication Components
Cellular Telephone Circuit Description
Cell 153: Radio and C252
Cell 14: G203 (2 of 2)
Cell 14: G203 (2 of 2)
Cell 11: RADIO-HVAC RFA CLUSTER CEL TEL, BCM PWR, INADV POWER BUS,and CIGAR LTR DATA LINK Fuses
Power Distribution Schematics
Cell 11: WIPER, BCM ACC, POWER DROP, RADIO and STRG WHL CONT Fuses
Cell 11: RADIO-HVAC RFA CLUSTER CEL TEL, BCM PWR, INADV POWER BUS,and CIGAR LTR DATA LINK Fuses
Figure
2:
Cell 153: Radio and C252
Cellular Communication Components
Cellular Telephone Circuit Description
Cell 153: Power, Ground, Radio