GM Service Manual Online
For 1990-2009 cars only
Figure 1:

Cell 131: Power, Ground and Serial Data


Object Number: 385177  Size: FS
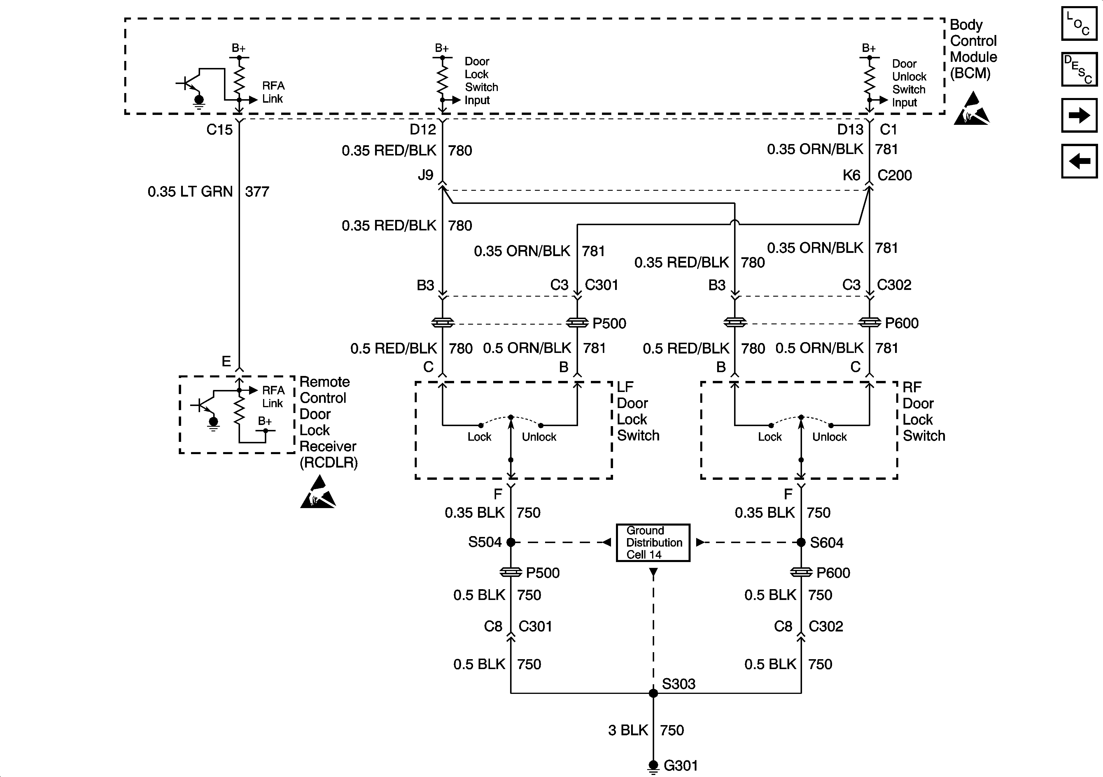
Figure 2:

Cell 131: Door Switchs and Remote Control Door Lock Receiver


Object Number: 385112  Size: FS
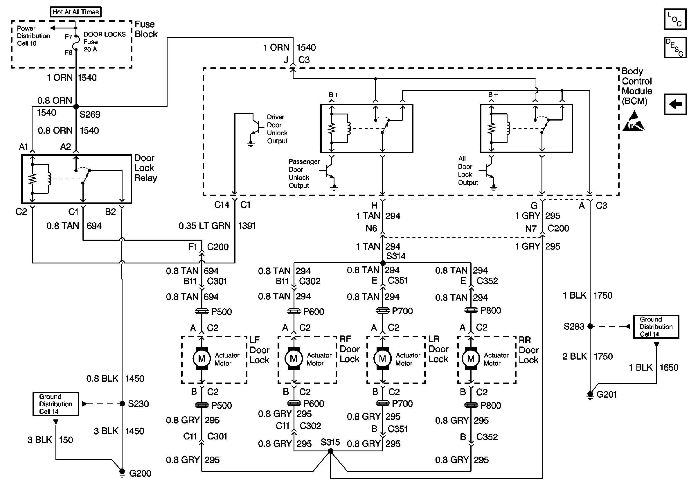
Figure 3:

Cell 131: Door Lock Relays and Actuators


Object Number: 385116  Size: FS