GM Service Manual Online
For 1990-2009 cars only
Makes
🢒
Buick
🢒
1999
🢒
Century
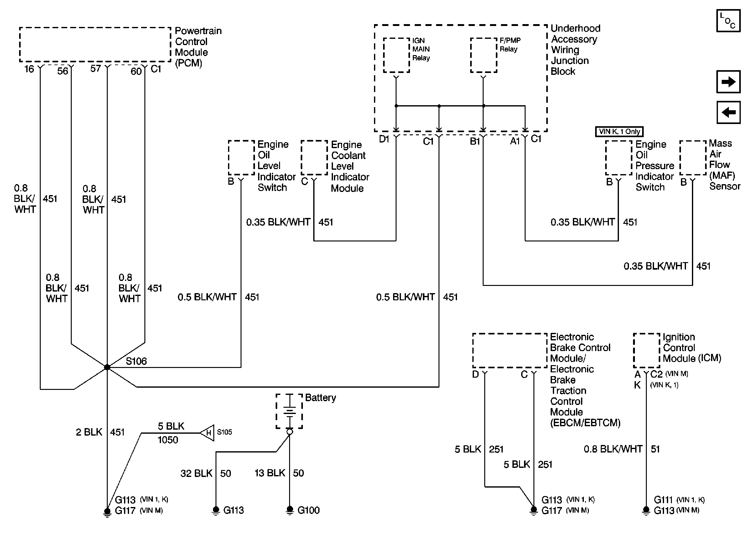
🢒 Cell 14: G100, G111, G113, and G117
Cell 14: G100, G111, G113, and G117
Cell 14: G100, G111, G113, and G117
Power and Grounding Components
Cell 14: G113, and G117
Cell 14: G101
Power and Grounding Components
Cell 14: G113, and G117