GM Service Manual Online
For 1990-2009 cars only
Makes
🢒
Buick
🢒
1999
🢒
Century
🢒 Cell 152
Cell 152
Cell 152
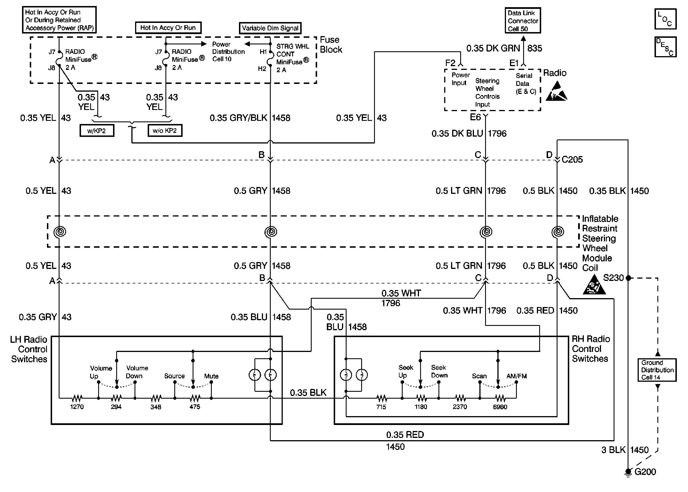
Entertainment Components
Radio/Audio System Circuit Description
Handling ESD Sensitive Parts Notice
Data Link Connector Schematic (Cell 50: PCM, EBCM/EBTCM, SIR/BCM Module)
Cell 14: G200 (1 of 2)
SIR Handling Caution
Cell 11: WIPER, BCM ACC, POWER DROP, RADIO and STRG WHL CONT Fuses