GM Service Manual Online
For 1990-2009 cars only
Makes
🢒
Buick
🢒
2000
🢒
Century
🢒
Body and Accessories
🢒
Doors
🢒 Door Lock/Indicator Schematics
Figure
1:
Power/Grounds, and Serial Data
UAWJB, RAP Relay, Ignition Switch, and Fuse Block
UAWJB, Ignition Switch, and Fuse Block
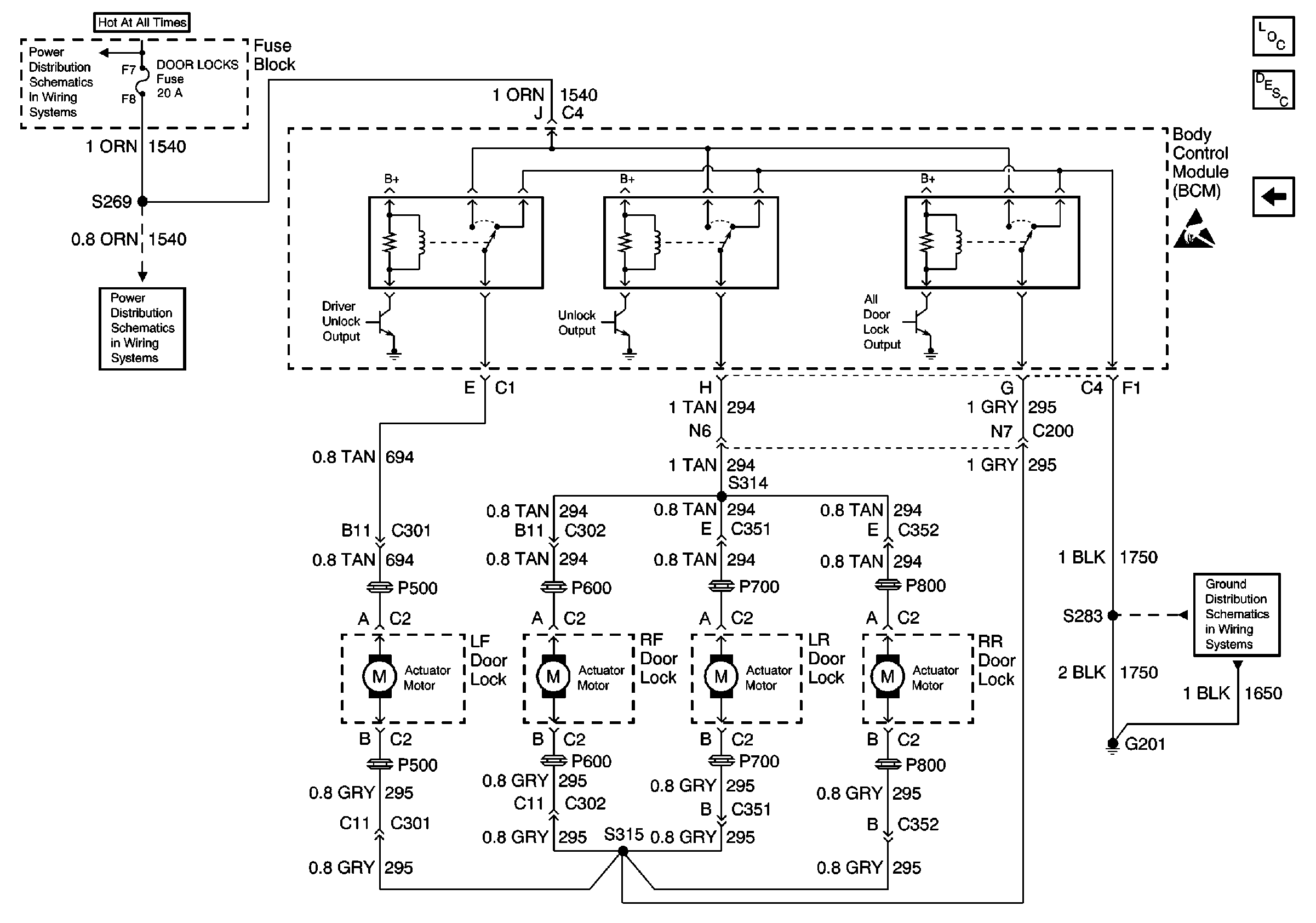
Power Door Systems Components
Power Door Locks Circuit Description
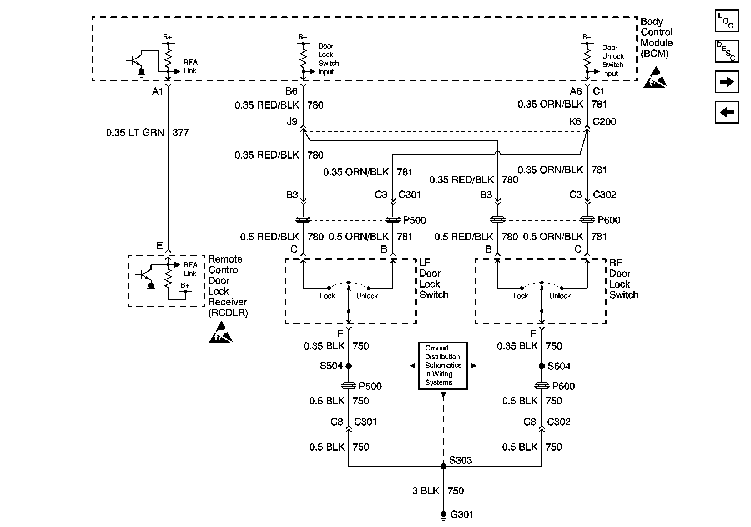
Inputs
G200
Handling ESD Sensitive Parts Notice
Handling ESD Sensitive Parts Notice
G203
Figure
2:
Inputs
Power Door Systems Components
Power Door Locks Circuit Description
Outputs
Power/Grounds, and Serial Data
Handling ESD Sensitive Parts Notice
G301
Handling ESD Sensitive Parts Notice
Figure
3:
Outputs
High Blower, Hazard, Stoplamps, Door Locks, Power Mirrors, and Heated Seats Fuses
High Blower, Hazard, Stoplamps, Door Locks, Power Mirrors, and Heated Seats Fuses
Power Door Systems Components
Power Door Locks Circuit Description
Inputs
Handling ESD Sensitive Parts Notice
G201