GM Service Manual Online
For 1990-2009 cars only
Makes
🢒
Buick
🢒
2000
🢒
Century
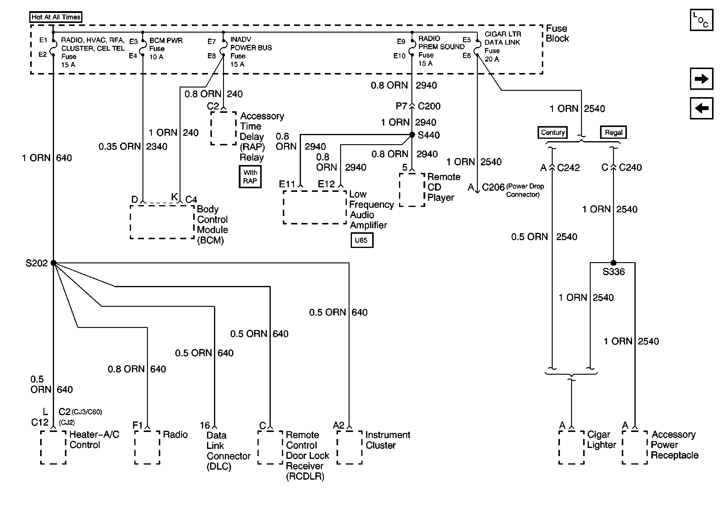
🢒 Radio, HVAC, RFA, Cluster, Cel Tel, BCM Power, INADV Power Bus, Radio PRM Sound, and Cigar Lighter/Data Link Fuses
Radio, HVAC, RFA, Cluster, Cel Tel, BCM Power, INADV Power Bus, Radio PRM Sound, and Cigar Lighter/Data Link Fuses
Radio, HVAC, RFA, Cluster, Cel Tel, BCM Power, INADV Power Bus, Radio PRM Sound, and Cigar Lighter/Data Link Fuses
Power and Grounding Components
High Blower, Hazard, Stoplamps, Door Locks, Power Mirrors, and Heated Seats Fuses
ABS and BTSI Fuses