GM Service Manual Online
For 1990-2009 cars only
Makes
🢒
Buick
🢒
2000
🢒
Century
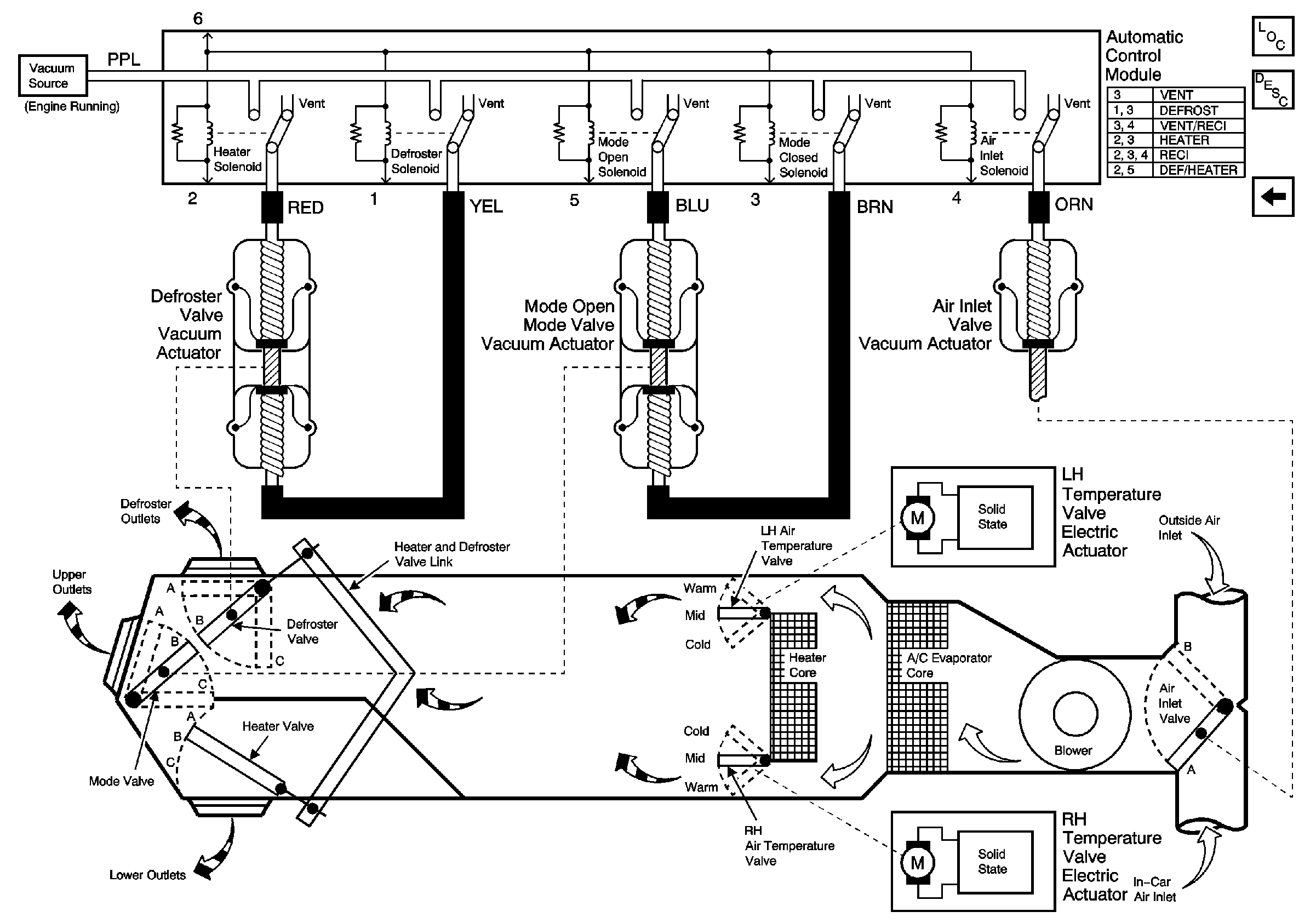
🢒 Air Flow System
Air Flow System
Air Flow System
HVAC Components
HVAC Air Delivery/Temperature Control Circuit Description
Vacuum Electric Solenoid