GM Service Manual Online
For 1990-2009 cars only
Makes
🢒
Buick
🢒
2000
🢒
Century
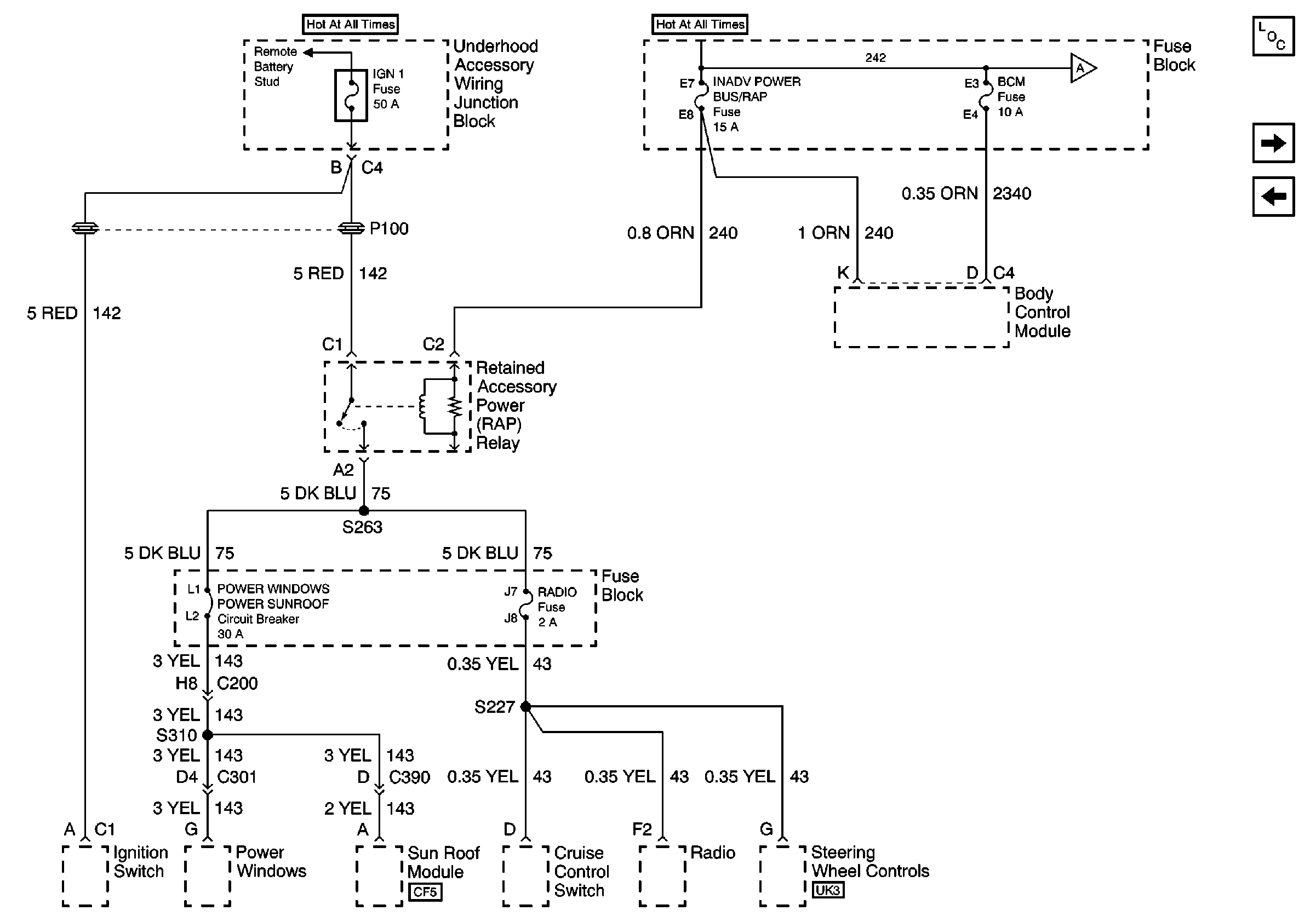
🢒 INADV POWER BUS/RAP and BCM Fuses
INADV POWER BUS/RAP and BCM Fuses
INADV POWER BUS/RAP and BCM Fuses
Power and Grounding Components
Radio/HVAC/RFA/Cluster/DATA Link, Cigar LTR./AUX Power and CD Changer Fuses
Turn Signal/Corn Lps, Air Bag, Cluster