GM Service Manual Online
For 1990-2009 cars only
Makes
🢒
Buick
🢒
2000
🢒
Century
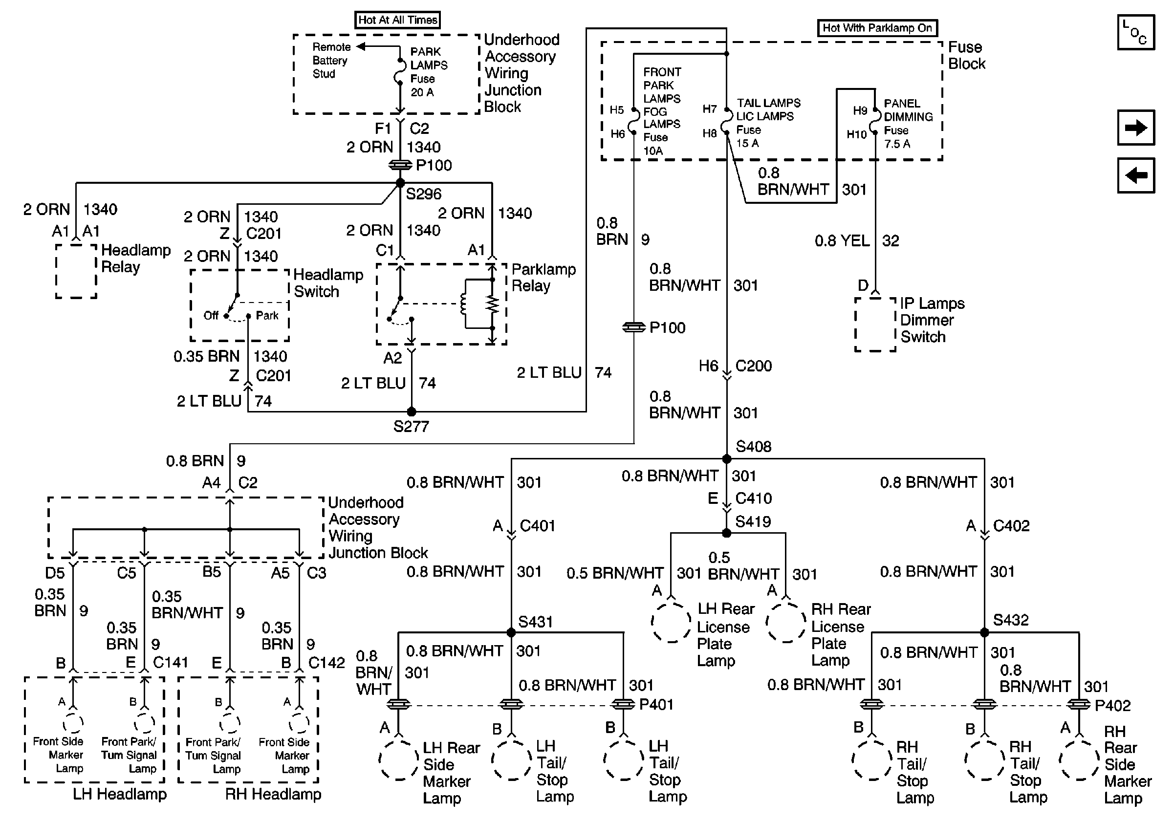
🢒 Park Lamp Relay
Park Lamp Relay
Park Lamp Relay
Power and Grounding Components
Wiper, Power Drop, Radio/Cruise and Red Strg Whl Illum Fuses
Heated Seat Fuses