GM Service Manual Online
For 1990-2009 cars only
Makes
🢒
Buick
🢒
2000
🢒
Century
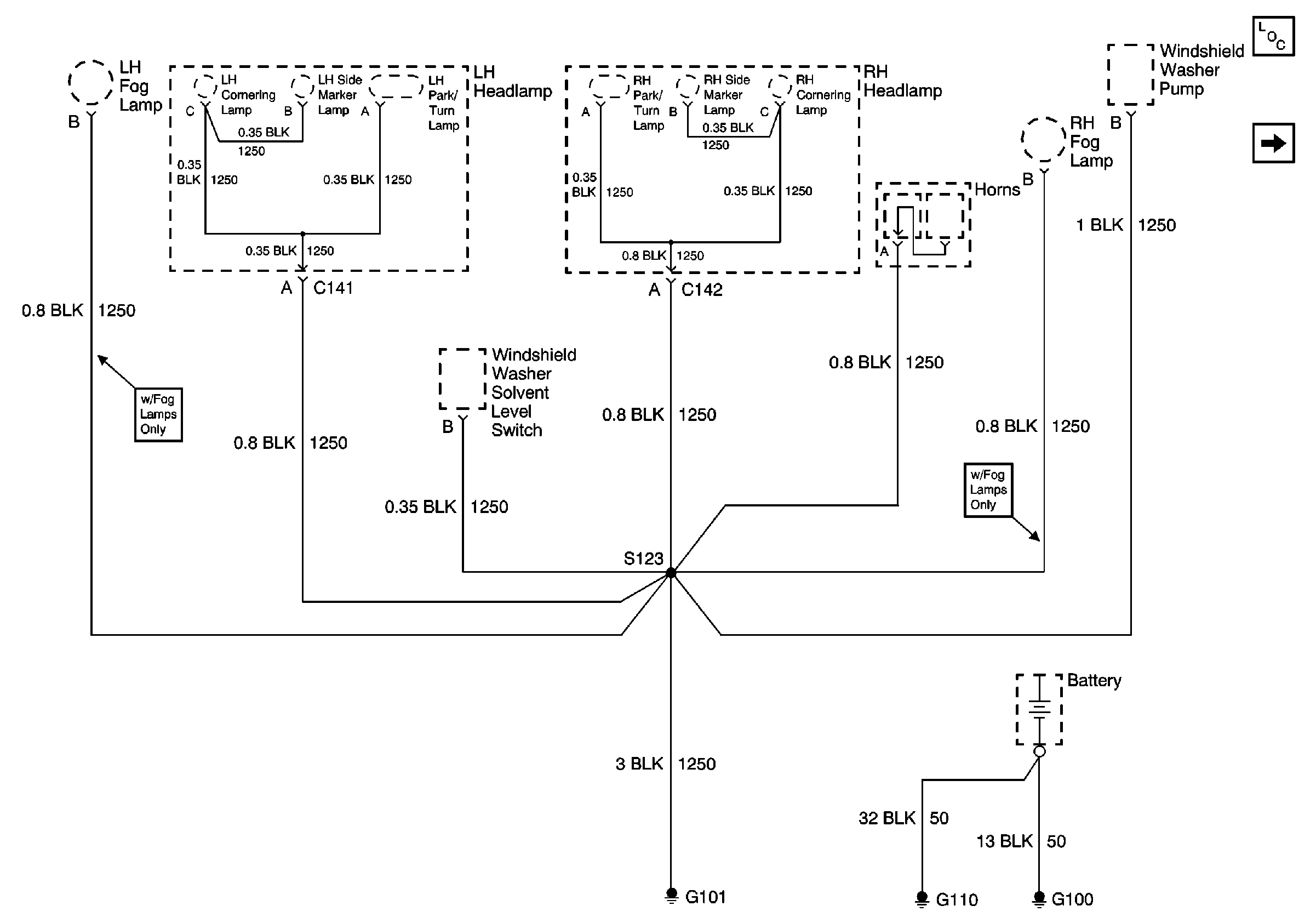
🢒 Grounds G100, G101, G110
Grounds G100, G101, G110
Grounds G100, G101, G110
Power and Grounding Components
Ground G113