GM Service Manual Online
For 1990-2009 cars only
Makes
🢒
Buick
🢒
2000
🢒
Century
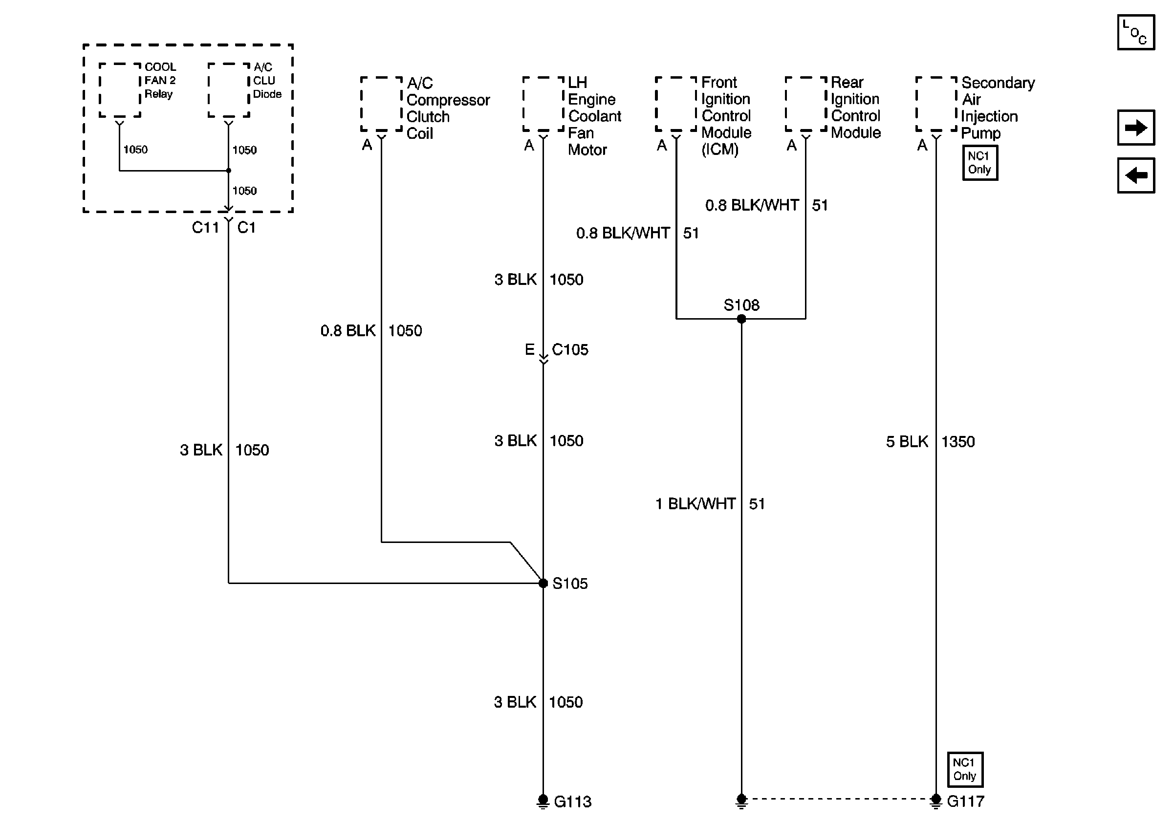
🢒 Ground G117
Ground G117
Ground G117
Power and Grounding Components
Ground G119
Ground G113