GM Service Manual Online
For 1990-2009 cars only
Makes
🢒
Buick
🢒
2000
🢒
Century
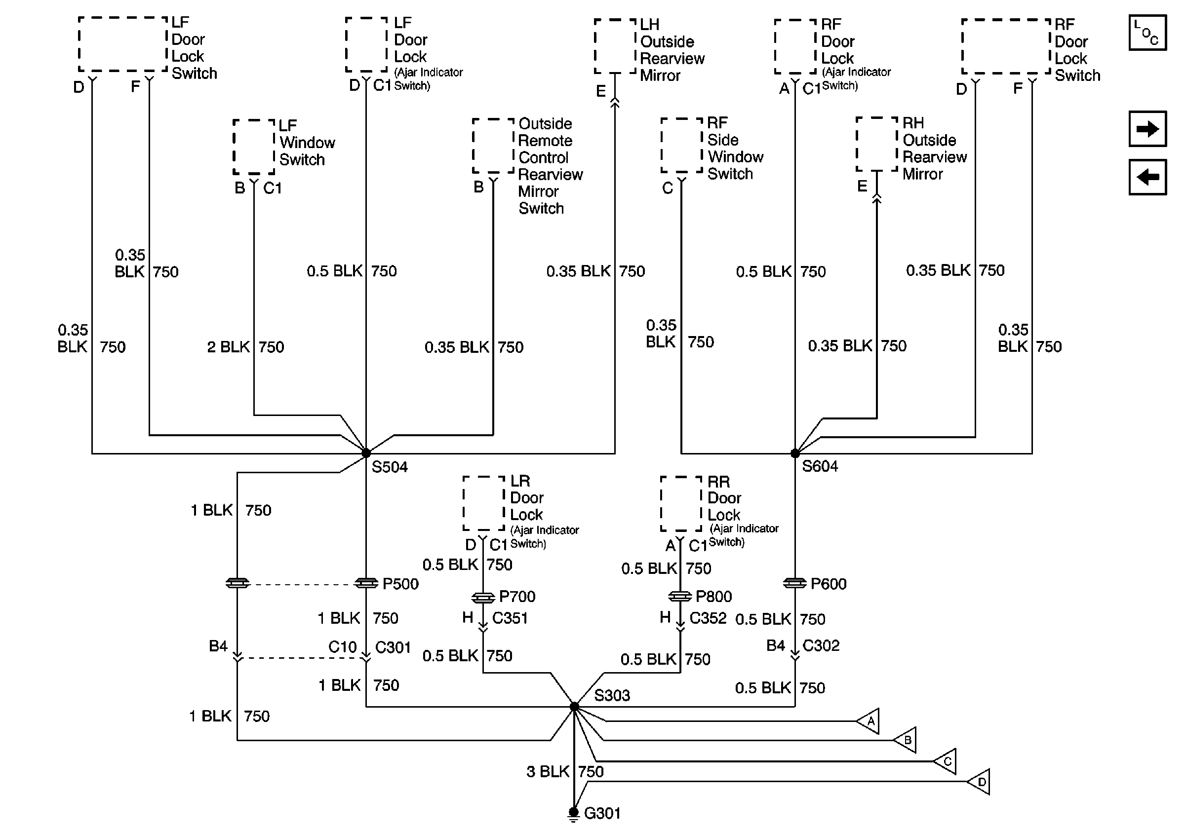
🢒 Ground G301 1 of 3
Ground G301 1 of 3
Ground G301 1 of 3
Power and Grounding Components
Ground G301 2 of 3
Ground G203