GM Service Manual Online
For 1990-2009 cars only
Makes
🢒
Buick
🢒
2000
🢒
Century
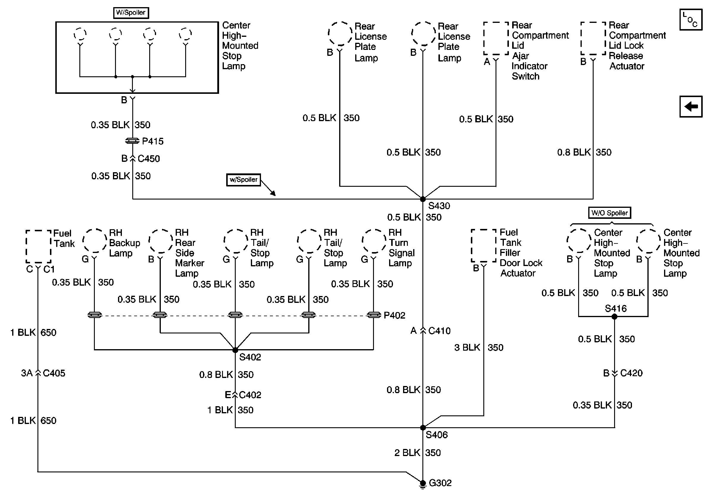
🢒 Ground G302 2 of 2
Ground G302 2 of 2
Ground G302 2 of 2
Power and Grounding Components
Ground G302 1 of 2