GM Service Manual Online
For 1990-2009 cars only
Makes
🢒
Buick
🢒
2000
🢒
Century
🢒 Century
Century
Century
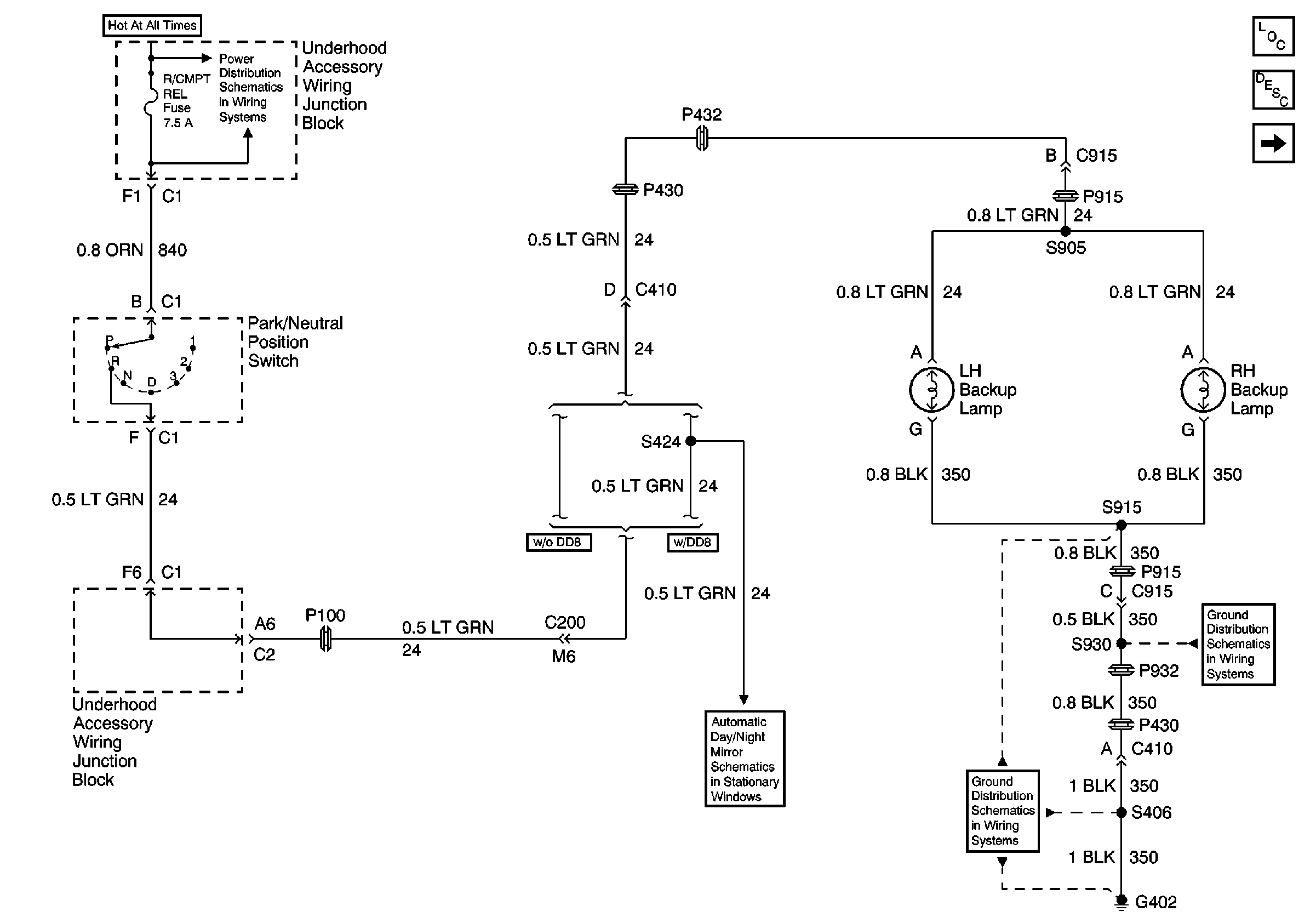
UAWJB, PCM, PNP Switch, and Backup Relay
Handling ESD Sensitive Parts Notice
Automatic Day-Night Mirrors Schematics
G402
G402
Lighting Systems Components
Backup Lamp Circuit Description
Regal