GM Service Manual Online
For 1990-2009 cars only
Makes
🢒
Buick
🢒
2000
🢒
Century
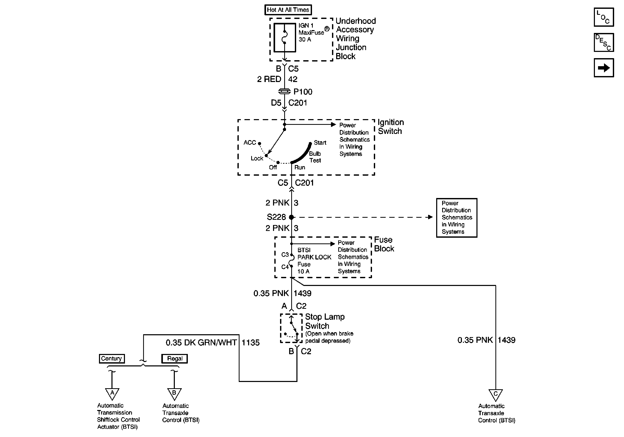
🢒 Brake Transmission Shift Interlock Control Schematic
Brake Transmission Shift Interlock Control Schematic
Brake Transmission Shift Interlock Control Schematic
Automatic Transmission Components
Automatic Transmission Shift Lock Control Description
Park Neutral Switch Schematic