GM Service Manual Online
For 1990-2009 cars only

Object Number: 585731  Size: MF
ABS Components
Antilock Brake System Schematics
Handling Electrostatic Discharge Sensitive Parts Notice

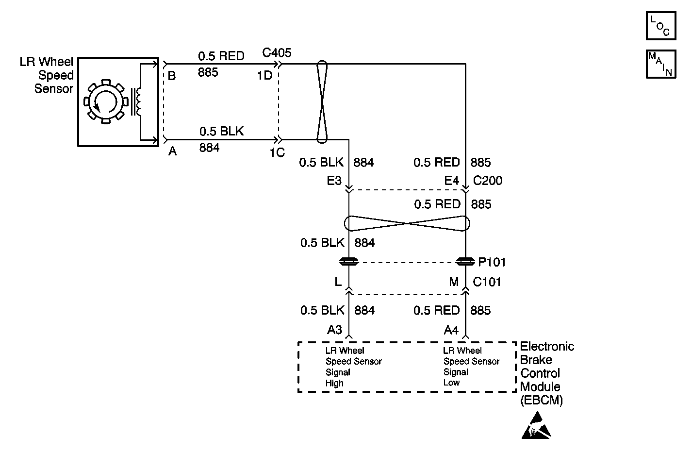
Circuit Description

The speed sensor used on this vehicle is a multiple pole magnetic pickup. This sensor produces an AC signal when a toothed ring passes the wheel speed sensor. The EBCM uses the frequency to calculate the wheel speed.

Conditions for Running the DTC

    • DTCs C1232-C1235 are not set.
    • The brake pedal is not pressed.

Conditions for Setting the DTC

    • The change in wheel speed is more than 24 km/h (15 mph) in 0.01 second.
    • The above condition must occur 5 times with less than 1.00 second between each occurrence.

Action Taken When the DTC Sets

    • The ABS/TCS disables.
    • The EBCM turns on the ABS and the TRAC OFF (if equipped) indicator(s).

Conditions for Clearing the DTC

    • Condition for DTC is no longer present and scan tool clear DTC function is used.
    • 100 ignition cycles have passed with no DTC(s) detected.

Diagnostic Aids

    • It is very important that a thorough inspection of the wiring and connectors be performed. Failure to carefully and fully inspect wiring and connectors may result in misdiagnosis, causing part replacement with reappearance of the malfunction.
    • An intermittent malfunction can be caused by poor connections, broken insulation, or a wire that is broken inside the insulation.
    • If an intermittent malfunction exists refer to Testing for Intermittent Conditions and Poor Connections in Wiring Systems.

Test Description

The numbers below refer to the step numbers on the diagnostic table.

  1. This step tests the wheel speed sensor for the proper resistance value.

  2. This step ensures that the wheel speed sensor generates the proper voltage.

  3. This step tests whether the wheel speed sensor circuits are shorted together.

Step

Action

Value(s)

Yes

No

1

Did you perform the ABS Diagnostic System Check?

--

Go to Step 2

Go to Diagnostic System Check - ABS

2

  1. Install a scan tool.
  2. Turn ON the ignition.
  3. Drive the vehicle at a speed greater than 8 km/h (5 mph).
  4. With a scan tool, observe all of the Wheel Speed parameters in the ABS data list.

Does the scan tool indicate the suspect wheel speed varies from the speeds of the other wheels?

--

Go to Step 3

Go to Testing for Intermittent Conditions and Poor Connections in Wiring Systems

3

Inspect the following components for physical damage:

    • The wheel speed sensor
    • The wheel speed sensor harness
    • The wheel speed sensor harness connector

Did you find and correct the condition?

--

Go to Step 11

Go to Step 4

4

  1. Disconnect the wheel speed sensor connector.
  2. Measure the resistance across the wheel speed sensor.

Does the resistance measure within the specified range?

850-1350 ohms

Go to Step 5

Go to Step 9

5

  1. Spin the wheel as fast as possible by hand.
  2. Measure the AC voltage across the wheel speed sensor.

Does the AC voltage measure greater than the specified value?

100 mV

Go to Step 6

Go to Step 9

6

Inspect for poor connections/terminal tension at the wheel speed sensor harness connector. Refer to Testing for Intermittent Conditions and Poor Connections and Connector Repairs in Wiring Systems.

Did you find and correct the condition?

--

Go to Step 11

Go to Step 7

7

  1. Disconnect the EBCM harness connector.
  2. Test for a short between the wheel speed sensor circuits. Refer to Circuit Testing and Wiring Repairs in Wiring Systems.

Did you find and correct the condition?

--

Go to Step 11

Go to Step 8

8

Inspect for poor connections/terminal tension at the EBCM harness connector. Refer to Testing for Intermittent Conditions and Poor Connections and Connector Repairs in Wiring Systems.

Did you find and correct the condition?

--

Go to Step 11

Go to Step 10

9

Replace the wheel speed sensor. Refer to Wheel Speed Sensor Replacement .

Did you complete the replacement?

--

Go to Step 11

--

10

Replace the EBCM. Refer to Electronic Brake Control Module Replacement .

Did you complete the replacement?

--

Go to Step 11

--

11

  1. Use the scan tool in order to clear the DTCs.
  2. Operate the vehicle within the Conditions for Running the DTC as specified in the supporting text.

Does the DTC reset?

--

Go to Step 2

System OK